电脑桌面
添加蜗牛文库到电脑桌面
安装后可以在桌面快捷访问

07-采购质量管理细化执行与模板.docxVIP免费

07-采购质量管理细化执行与模板.docx_第1页
07-采购质量管理细化执行与模板.docx_第2页
07-采购质量管理细化执行与模板.docx_第3页
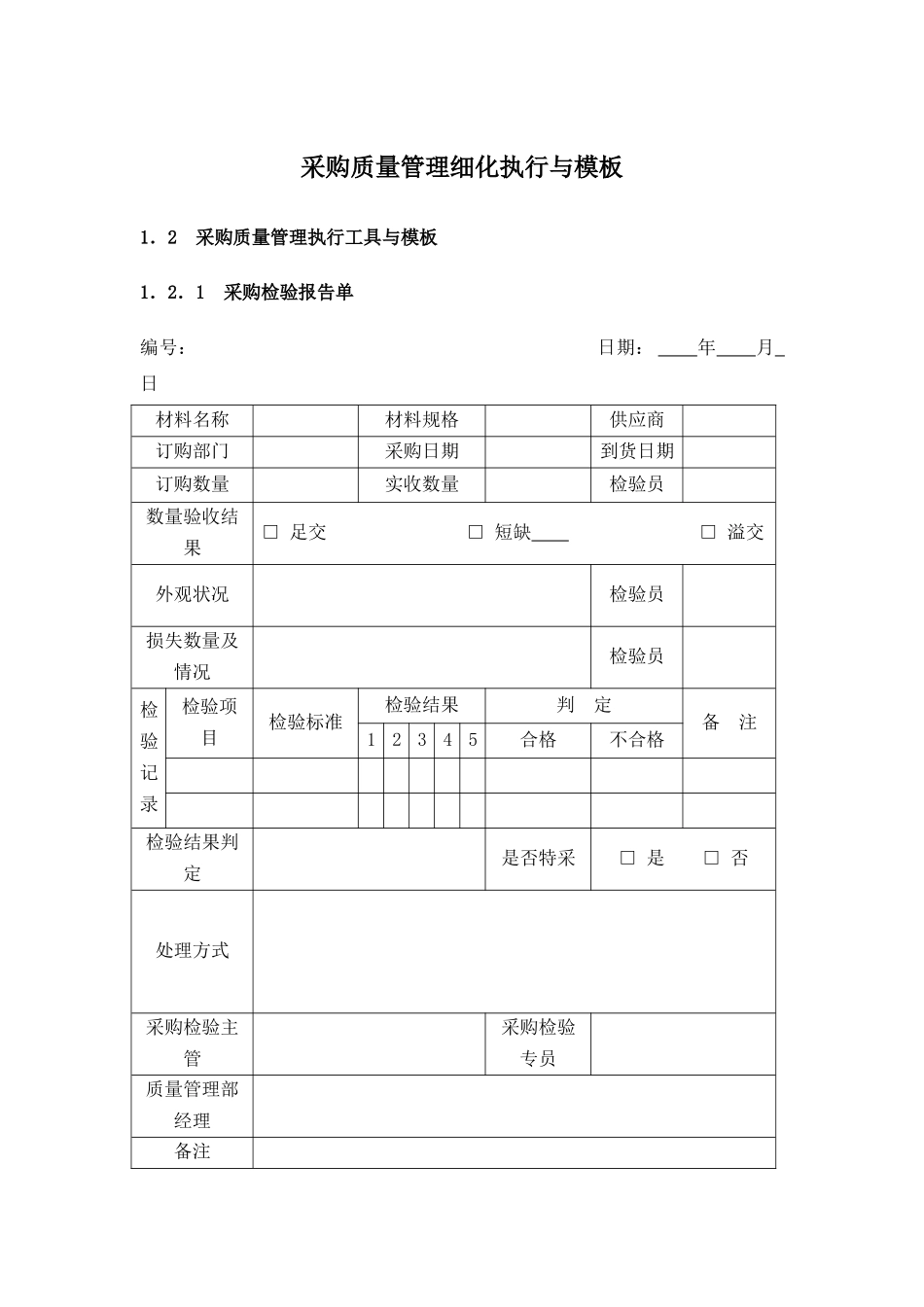
采购质量管理细化执行与模板1.2采购质量管理执行工具与模板1.2.1采购检验报告单编号:日期:年月日材料名称材料规格供应商订购部门采购日期到货日期订购数量实收数量检验员数量验收结果□足交□短缺□溢交外观状况检验员损失数量及情况检验员检验记录检验项目检验标准检验结果判定备注12345合格不合格检验结果判定是否特采□是□否处理方式采购检验主管采购检验专员质量管理部经理备注1.2.2特采作业申请单编号:日期:年月日申请部门采购单号检查记录编号品名数量申请人异常状况描述申请特采理由请购部门意见签字(盖章):日期:年月日采购部意见签字(盖章):日期:年月日质量管理部意见签字(盖章):日期:年月日分管副总审批签字(盖章):日期:年月日1.2.3设备采购验收单设备名称规格型号数量制造厂商出厂日期出厂编号检验类别配套资料检验合格证____份使用说明书____份检验报告____份验收记录____份外观检查包装情况设备外观附属工具、机械一览表名称规格应有实有验收结果检验员日期审核人日期1.2.4采购认证计划表编号:日期:年月日供应商名称联系人电话地址采购认证项目序号物资名称物资编号规格数量单位单价年供应量订单周期付款周期比例备注合计年容量总金额(小写):年容量总金额(大写):佰拾万仟佰拾元整主要条款描述品质规格付款方法交货地点包装要求验收方式售后服务其他其他购买方签字盖章供应商签字盖章认证人员主办人员审核人:制单人:1.2.5质量偏差汇总表编号:记录人:日期:年月日供应商合同编号处理时间处理地点物资名称物资规格质量偏差描述(内容较多时可用附件说明)主要争议点偏差处理办法经办人签字:日期:年月日审批人签字:日期:年月日1.2.6紧急放行申请表编号:日期:年月日申请部门申请放行物料名称型号规格进厂日期数量工程项目使用部位申请放行原因留样检验方案和可追溯标示方案申报意见申请部门经理意见质量管理部经理意见采购部经理意见分管副总意见分管副总签名:日期:年月日备注1.3采购质量管理执行制度与模板1.3.1采购检验管理细则第1章总则第1条目的为了使所采购物资符合本公司质量要求,确保不合格物资不投入使用,从而不影响最终产品质量,特制定本细则。第2条适用范围本细则适用于各类采购物资的检验工作。第3条管理职责1.采购部负责进行采购物资的接收、采购检验工作的组织与协调等。2.质量管理部负责对采购的物资采取合适的方式进行检验,并出具检验报告。3.仓储部负责对...

1、当您付费下载文档后,您只拥有了使用权限,并不意味着购买了版权,文档只能用于自身使用,不得用于其他商业用途(如 [转卖]进行直接盈利或[编辑后售卖]进行间接盈利)。
2、本站所有内容均由合作方或网友上传,本站不对文档的完整性、权威性及其观点立场正确性做任何保证或承诺!文档内容仅供研究参考,付费前请自行鉴别。
3、如文档内容存在违规,或者侵犯商业秘密、侵犯著作权等,请点击“违规举报”。

碎片内容

蜗牛文库的最新文档

二年级数学下册其中检测卷二年级数学下册其中检测卷附答案#期中测试卷.pdf
10.00金币
0下载
二年级数学下册期末质检卷(苏教版)二年级数学下册期末质检卷(苏教版)#期末复习 #期末测试卷 #二年级数学 #二年级数学下册#关注我持续更新小学知识.pdf
10.00金币
0下载
二年级数学下册期末混合运算专项练习二年级数学下册期末混合运算专项练习#二年级#二年级数学下册#关注我持续更新小学知识 #知识分享 #家长收藏孩子受益.pdf
10.00金币
1下载
二年级数学下册年月日三类周期问题解题方法二年级数学下册年月日三类周期问题解题方法#二年级#二年级数学下册#知识分享 #关注我持续更新小学知识 #家长收藏孩子受益.pdf
10.00金币
0下载
二年级数学下册解决问题专项训练二年级数学下册解决问题专项训练#专项训练#解决问题#二年级#二年级数学下册#知识分享.pdf
10.00金币
1下载
二年级数学下册还原问题二年级数学下册还原问题#二年级#二年级数学#关注我持续更新小学知识 #知识分享 #家长收藏孩子受益.pdf
10.00金币
1下载
二年级数学下册第六单元考试卷家长打印出来给孩子测试测试争取拿到高分!#小学二年级试卷分享 #二年级第六单考试数学 #第六单考试#二年级数学下册.pdf
10.00金币
0下载
二年级数学下册必背顺口溜口诀汇总二年级数学下册必背顺口溜口诀汇总#二年级#二年级数学下册 #知识分享 #家长收藏孩子受益 #关注我持续更新小学知识.pdf
10.00金币
0下载
二年级数学下册《重点难点思维题》两大问题解决技巧和方法巧算星期几解决周期问题还原问题强化思维训练老师精心整理家长可以打印出来给孩子练习#家长收藏孩子受益 #学霸秘籍 #思维训练 #二年级 #知识点总结.pdf
10.00金币
0下载
二年级数学下册 必背公式大全寒假提前背一背开学更轻松#二年级 #二年级数学 #二年级数学下册 #寒假充电计划 #公式.pdf
10.00金币
0下载
蜗牛文库+ 关注
实名认证
内容提供者

提供各种专业文档内容

确认删除?
QQ
  • QQ点击这里给我发消息
微信客服
  • 微信客服
回到顶部