电脑桌面
添加蜗牛文库到电脑桌面
安装后可以在桌面快捷访问

培训管理办法(讨论稿) (2).docVIP免费

培训管理办法(讨论稿) (2).doc_第1页
培训管理办法(讨论稿) (2).doc_第2页
培训管理办法(讨论稿) (2).doc_第3页
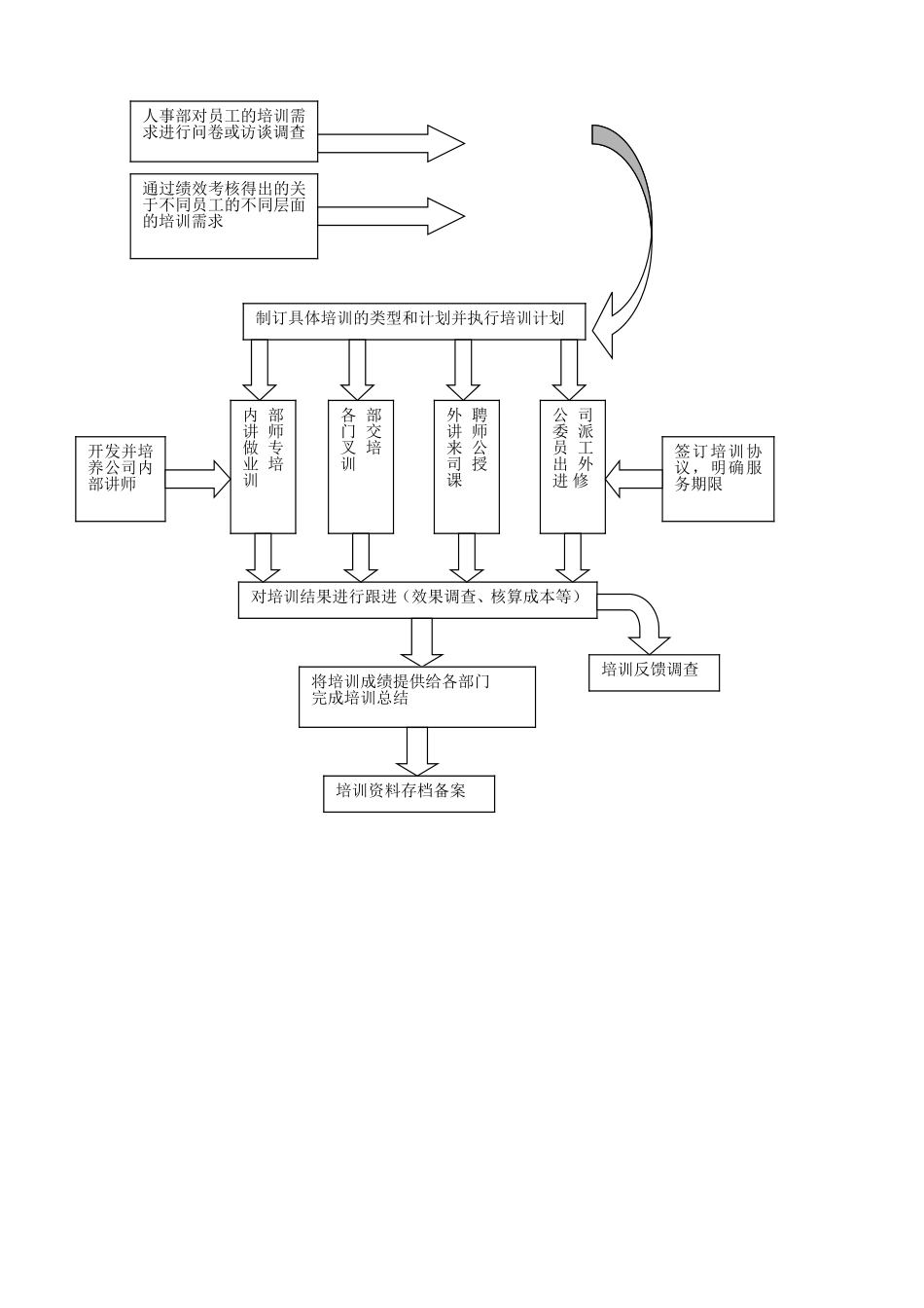
培训管理办法(讨论稿)壱.目标1达成对公司文化、价值观、发展战略的了解和认同。2掌握公司规章制度、岗位职责、工作要领。3提高员工的知识水平,关心员工职业生涯发展。4提升员工履行职责的能力,改善工作绩效5改善工作态度,提高员工的工作热情,培养团队精神弐.职责教育培训工作在公司总经理室统一布署下由人力资源部归口管理、统筹规划,各实施部门(指专业部门和分支机构)各司其职,员工个人主动配合,齐抓共管,共同完成培训任务。1公司人力资源部职责:A根据公司的发展规划制定公司教育培训战略规划和实施纲要。B制定员工职业生涯发展规划,并形成实施方案,督促各部门和分支机构贯彻落实。C根据公司年度工作计划、各项考核结果和各部门提出的培训计划,分析培训需求,并统筹安排,形成中短期培训计划。着重组织实施管理干部培训、业务骨干培训和海外培训。D负责制定公司年度培训的财务预算,并管理调控培训经费。E负责培训资源的开发与管理。F根据公司培训工作开展情况,做好培训项目和重点培养人才的培训档案的建立与管理工作。G开展培训的效果评估工作。2公司各专业部门和各分支机构职责:A根据工作需要,结合本专业、本部门、本系统员工需求,制定年度培训计划,并组织实施相应的培训工作。B指导本部门员工制定和实施职业发展规划。C建立和管理本部门和本机构员工的培训档案。D负责向公司提供本专业的培训师和教材。E负责本系统的代理人等中介机构人员和主要客户的培训。3员工个人的职责:员工享有参加培训的权利,也有接受培训和培训他人的义务。员工除了积极参加公司和各部门组织的各项培训外,重点在提高专业知识、工作技能和综合素质方面进行自主学习,同时对自己的职业发展做出具体规划,并在直接领导和公司主管部门的指导下实施。参.教育培训的内容:1综合素质2专业技能3个性提高四.教育培训的方式1公开课A人力资源部负责每月收集公开课信息,编制公开课资源表,并推荐适合业务需要的培训课程。B各部门根据需求提出公开课申请,并按要求填报公开课申请表交人力资源部。C参加公开课培训的员工在培训后要根据培训的内容在公司一定范围内进行汇报,并复印培训教材送至人力资源部备案。如有可能,将充当该课程内部讲师。2脱产培训A员工脱产参加培训,时间在一个月以上,或一次费用在一万元以上,须和公司签订培训协议,约定培训后的服务期。B管理部门普通员工参加培训,首先由部门总监(或经理)批准,经人力资源本部及财务部门审核...

1、当您付费下载文档后,您只拥有了使用权限,并不意味着购买了版权,文档只能用于自身使用,不得用于其他商业用途(如 [转卖]进行直接盈利或[编辑后售卖]进行间接盈利)。
2、本站所有内容均由合作方或网友上传,本站不对文档的完整性、权威性及其观点立场正确性做任何保证或承诺!文档内容仅供研究参考,付费前请自行鉴别。
3、如文档内容存在违规,或者侵犯商业秘密、侵犯著作权等,请点击“违规举报”。

碎片内容

蜗牛文库的最新文档

二年级数学下册其中检测卷二年级数学下册其中检测卷附答案#期中测试卷.pdf
10.00金币
0下载
二年级数学下册期末质检卷(苏教版)二年级数学下册期末质检卷(苏教版)#期末复习 #期末测试卷 #二年级数学 #二年级数学下册#关注我持续更新小学知识.pdf
10.00金币
0下载
二年级数学下册期末混合运算专项练习二年级数学下册期末混合运算专项练习#二年级#二年级数学下册#关注我持续更新小学知识 #知识分享 #家长收藏孩子受益.pdf
10.00金币
1下载
二年级数学下册年月日三类周期问题解题方法二年级数学下册年月日三类周期问题解题方法#二年级#二年级数学下册#知识分享 #关注我持续更新小学知识 #家长收藏孩子受益.pdf
10.00金币
0下载
二年级数学下册解决问题专项训练二年级数学下册解决问题专项训练#专项训练#解决问题#二年级#二年级数学下册#知识分享.pdf
10.00金币
1下载
二年级数学下册还原问题二年级数学下册还原问题#二年级#二年级数学#关注我持续更新小学知识 #知识分享 #家长收藏孩子受益.pdf
10.00金币
1下载
二年级数学下册第六单元考试卷家长打印出来给孩子测试测试争取拿到高分!#小学二年级试卷分享 #二年级第六单考试数学 #第六单考试#二年级数学下册.pdf
10.00金币
0下载
二年级数学下册必背顺口溜口诀汇总二年级数学下册必背顺口溜口诀汇总#二年级#二年级数学下册 #知识分享 #家长收藏孩子受益 #关注我持续更新小学知识.pdf
10.00金币
0下载
二年级数学下册《重点难点思维题》两大问题解决技巧和方法巧算星期几解决周期问题还原问题强化思维训练老师精心整理家长可以打印出来给孩子练习#家长收藏孩子受益 #学霸秘籍 #思维训练 #二年级 #知识点总结.pdf
10.00金币
0下载
二年级数学下册 必背公式大全寒假提前背一背开学更轻松#二年级 #二年级数学 #二年级数学下册 #寒假充电计划 #公式.pdf
10.00金币
0下载
蜗牛文库+ 关注
实名认证
内容提供者

提供各种专业文档内容

确认删除?
QQ
  • QQ点击这里给我发消息
微信客服
  • 微信客服
回到顶部