电脑桌面
添加蜗牛文库到电脑桌面
安装后可以在桌面快捷访问

库存量管理作业细则 (2).docVIP免费

库存量管理作业细则 (2).doc_第1页
库存量管理作业细则 (2).doc_第2页
库存量管理作业细则 (2).doc_第3页
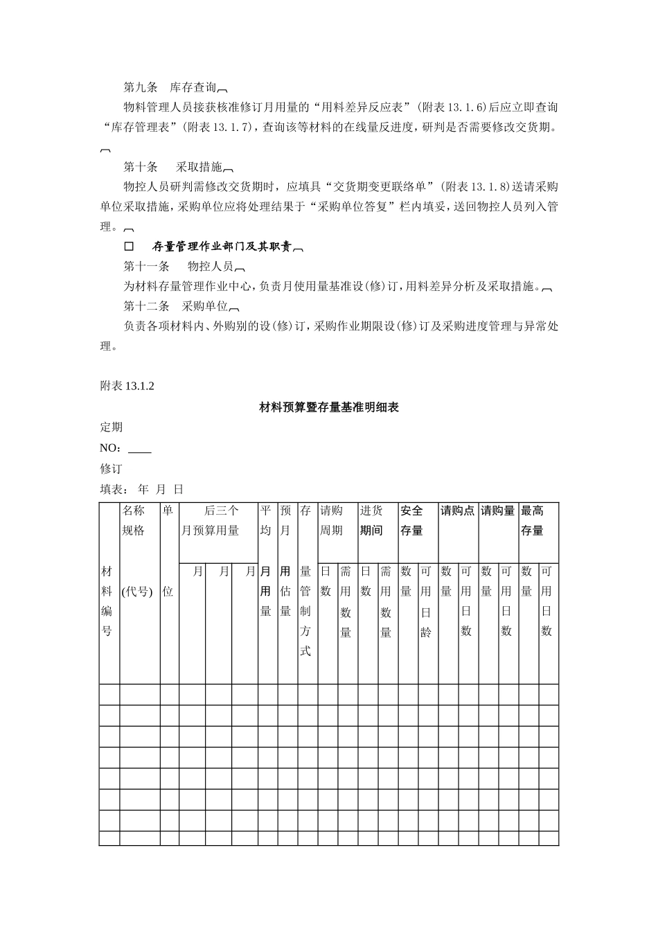
库存量管理作业细则□存量基准设定第一条预估月用量设(修)订(一)用量稳定的材料由主管人员依据去年的平均月用量,并参酌今年营业的销售目标与生产计划设定,若产销计划有重大变化(如开发或取消某一产品的生产,扩建增产计划等)应修订月用量。(二)季节性与特殊性材料由生产管理人员于每年3、6、9、12月的25日以前,依前三个月及去年同期各月份的耗用数量,并参考市场状况,拟订次季各月份的预计销售量,再乘以各产品的单位用量,而设定预估月用量。第二条请购点设定(一)请购点——采购作业期间的需求量加上安全存量。(二)采购作业期间的需求量——采购作业期限乘以预估月用量。(三)安全存量——采购作业期间的需求量乘以25%(差异管理率)加上装船延误日数用量(欧、美地区15天用量,日本与东南亚地区7天用量)第三条采购作业期限由采购人员依采购作业的各阶段所需日数设定,其作业流程及作业日数(公自订)经主管核准,送相关部门作为请购需求日及采购数量的参考。第四条设定请购量(一)考虑要项:采购作业期间的长短,最小包装量及最小交通量及仓储容量。(二)设定数量:外购材料的欧美地区每次请购三个月用量,亚洲地区为二个月用量,内购材料则每次请购25天用量。第五条存量基准建立生产管理人员将以上存量管理基准分别填入“存量基准设定表”(附表13.1.5)呈总经理核准,送物料管理建档。□请购作业第六条请购单提出时由物料管理单位,利用电脑(人工作业)查询在线量、库存量及安全存量填入以利审核,其无误后送采购单位办理采购。□用料差异管理作业第七条用料差异管理基准(一)上旬(1~10日)实际用量超出该旬设定量×%以上者(由公司自订)。(二)中旬(1~20日)实际用量超出该旬设定量×%以上者(由公司自订)。(三)下旬(即全月)实际用量超出全月设定量×%以上者(由公司自订)。第八条用料差异反应及处理生产管理人员于每月5日前针对前月开立“用料差异反应表”(附表13.1.6),查明差异原因及拟订处理措施,研判是否修正“预估月量”,如需修订,应于反应表“拟修订月用量”栏内修订,并经总经理核准后,送物料管理单位以便修改存量基准。库存查询及采取措施第九条库存查询物料管理人员接获核准修订月用量的“用料差异反应表”(附表13.1.6)后应立即查询“库存管理表”(附表13.1.7),查询该等材料的在线量反进度,研判是否需要修改交货期。第十条采取措施物控人员研判需修改交货期时,应填具“交货期变更联...

1、当您付费下载文档后,您只拥有了使用权限,并不意味着购买了版权,文档只能用于自身使用,不得用于其他商业用途(如 [转卖]进行直接盈利或[编辑后售卖]进行间接盈利)。
2、本站所有内容均由合作方或网友上传,本站不对文档的完整性、权威性及其观点立场正确性做任何保证或承诺!文档内容仅供研究参考,付费前请自行鉴别。
3、如文档内容存在违规,或者侵犯商业秘密、侵犯著作权等,请点击“违规举报”。

碎片内容

蜗牛文库的最新文档

二年级数学下册其中检测卷二年级数学下册其中检测卷附答案#期中测试卷.pdf
10.00金币
0下载
二年级数学下册期末质检卷(苏教版)二年级数学下册期末质检卷(苏教版)#期末复习 #期末测试卷 #二年级数学 #二年级数学下册#关注我持续更新小学知识.pdf
10.00金币
0下载
二年级数学下册期末混合运算专项练习二年级数学下册期末混合运算专项练习#二年级#二年级数学下册#关注我持续更新小学知识 #知识分享 #家长收藏孩子受益.pdf
10.00金币
1下载
二年级数学下册年月日三类周期问题解题方法二年级数学下册年月日三类周期问题解题方法#二年级#二年级数学下册#知识分享 #关注我持续更新小学知识 #家长收藏孩子受益.pdf
10.00金币
0下载
二年级数学下册解决问题专项训练二年级数学下册解决问题专项训练#专项训练#解决问题#二年级#二年级数学下册#知识分享.pdf
10.00金币
1下载
二年级数学下册还原问题二年级数学下册还原问题#二年级#二年级数学#关注我持续更新小学知识 #知识分享 #家长收藏孩子受益.pdf
10.00金币
1下载
二年级数学下册第六单元考试卷家长打印出来给孩子测试测试争取拿到高分!#小学二年级试卷分享 #二年级第六单考试数学 #第六单考试#二年级数学下册.pdf
10.00金币
0下载
二年级数学下册必背顺口溜口诀汇总二年级数学下册必背顺口溜口诀汇总#二年级#二年级数学下册 #知识分享 #家长收藏孩子受益 #关注我持续更新小学知识.pdf
10.00金币
0下载
二年级数学下册《重点难点思维题》两大问题解决技巧和方法巧算星期几解决周期问题还原问题强化思维训练老师精心整理家长可以打印出来给孩子练习#家长收藏孩子受益 #学霸秘籍 #思维训练 #二年级 #知识点总结.pdf
10.00金币
0下载
二年级数学下册 必背公式大全寒假提前背一背开学更轻松#二年级 #二年级数学 #二年级数学下册 #寒假充电计划 #公式.pdf
10.00金币
0下载
蜗牛文库+ 关注
实名认证
内容提供者

提供各种专业文档内容

确认删除?
QQ
  • QQ点击这里给我发消息
微信客服
  • 微信客服
回到顶部