电脑桌面
添加蜗牛文库到电脑桌面
安装后可以在桌面快捷访问

哈尔钦至木西合四级公路某标段投标文件.docVIP免费

哈尔钦至木西合四级公路某标段投标文件.doc_第1页
哈尔钦至木西合四级公路某标段投标文件.doc_第2页
哈尔钦至木西合四级公路某标段投标文件.doc_第3页
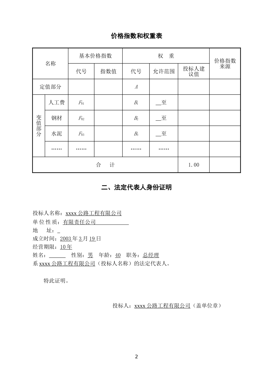
xx州xx县哈尔钦至木西合公路(项目名称)xx标段施工招标投标文件投标人:xxxxxxxx公路工程有限公司(盖单位章)法定代表人或其委托代理人:(签字)一、投标函及投标函附录(一)投标函xx州xx县交通局(招标人名称):1.我方已仔细研究了xx州xx县哈尔钦至木西合公路(项目名称)第一标段施工招标文件的全部内容,愿意以人民币(大写)元(¥元)的投标总报价,工期335日历天,按合同约定实施和完成承包工程,修补工程中的任何缺陷,工程质量达到合格标准。2.我方承诺在投标有效期内不修改、撤销投标文件。3.随同本投标函提交投标保证金一份,金额为人民币(大写)贰拾万元(¥200000.00元)。4.如我方中标:(1)我方承诺在收到中标通知书后,在中标通知书规定的期限内与你方签订合同。(2)随同本投标函递交的投标函附录属于合同文件的组成部分。(3)我方承诺按照招标文件规定向你方递交履约担保。(4)我方承诺在合同约定的期限内完成并移交全部合同工程。5.我方在此声明,所递交的投标文件及有关资料内容完整、真实和准确,且不存在第二章“投标人须知”第1.4.3项规定的任何一种情形。6.无(其他补充说明)。投标人:xxxx公路工程有限公司(盖单位章)法定代表人或其委托代理人:(签字)地址:网址:电话:传真:邮政编码:(二)投标函附录序号条款名称合同条款号约定内容备注1项目经理1.1.2.4姓名:李兰生2工期1.1.4.3天数:335日历天3缺陷责任期1.1.4.52年4分包4.3.4无5价格调整的差额计算16.1.1见价格指数权重表…………………………………………1价格指数和权重表名称基本价格指数权重价格指数来源代号指数值代号允许范围投标人建议值定值部分A变值部分人工费F01B1至钢材F02B2至水泥F03B3至……………………合计1.00二、法定代表人身份证明投标人名称:xxxx公路工程有限公司单位性质:有限责任公司地址:成立时间:2003年3月19日经营期限:10年姓名:性别:男年龄:40职务:总经理系xxxx公路工程有限公司(投标人名称)的法定代表人。特此证明。投标人:xxxx公路工程有限公司(盖单位章)2二、授权委托书本人田学军(姓名)系xxxx公路工程有限公司(投标人名称)的法定代表人,现委托(姓名)为我方代理人。代理人根据授权,以我方名义签署、澄清、说明、补正、递交、撤回、修改xx州xx县哈尔钦至木西合公路(项目名称)第一标段施工投标文件、签订合同和处理有关事宜,其法律后果由我方承担。委托期限:自本授权书签发之起至投标有效期结...

1、当您付费下载文档后,您只拥有了使用权限,并不意味着购买了版权,文档只能用于自身使用,不得用于其他商业用途(如 [转卖]进行直接盈利或[编辑后售卖]进行间接盈利)。
2、本站所有内容均由合作方或网友上传,本站不对文档的完整性、权威性及其观点立场正确性做任何保证或承诺!文档内容仅供研究参考,付费前请自行鉴别。
3、如文档内容存在违规,或者侵犯商业秘密、侵犯著作权等,请点击“违规举报”。

碎片内容

蜗牛文库的最新文档

二年级数学下册其中检测卷二年级数学下册其中检测卷附答案#期中测试卷.pdf
10.00金币
0下载
二年级数学下册期末质检卷(苏教版)二年级数学下册期末质检卷(苏教版)#期末复习 #期末测试卷 #二年级数学 #二年级数学下册#关注我持续更新小学知识.pdf
10.00金币
0下载
二年级数学下册期末混合运算专项练习二年级数学下册期末混合运算专项练习#二年级#二年级数学下册#关注我持续更新小学知识 #知识分享 #家长收藏孩子受益.pdf
10.00金币
1下载
二年级数学下册年月日三类周期问题解题方法二年级数学下册年月日三类周期问题解题方法#二年级#二年级数学下册#知识分享 #关注我持续更新小学知识 #家长收藏孩子受益.pdf
10.00金币
0下载
二年级数学下册解决问题专项训练二年级数学下册解决问题专项训练#专项训练#解决问题#二年级#二年级数学下册#知识分享.pdf
10.00金币
1下载
二年级数学下册还原问题二年级数学下册还原问题#二年级#二年级数学#关注我持续更新小学知识 #知识分享 #家长收藏孩子受益.pdf
10.00金币
1下载
二年级数学下册第六单元考试卷家长打印出来给孩子测试测试争取拿到高分!#小学二年级试卷分享 #二年级第六单考试数学 #第六单考试#二年级数学下册.pdf
10.00金币
0下载
二年级数学下册必背顺口溜口诀汇总二年级数学下册必背顺口溜口诀汇总#二年级#二年级数学下册 #知识分享 #家长收藏孩子受益 #关注我持续更新小学知识.pdf
10.00金币
0下载
二年级数学下册《重点难点思维题》两大问题解决技巧和方法巧算星期几解决周期问题还原问题强化思维训练老师精心整理家长可以打印出来给孩子练习#家长收藏孩子受益 #学霸秘籍 #思维训练 #二年级 #知识点总结.pdf
10.00金币
0下载
二年级数学下册 必背公式大全寒假提前背一背开学更轻松#二年级 #二年级数学 #二年级数学下册 #寒假充电计划 #公式.pdf
10.00金币
0下载
蜗牛文库+ 关注
实名认证
内容提供者

提供各种专业文档内容

确认删除?
QQ
  • QQ点击这里给我发消息
微信客服
  • 微信客服
回到顶部