电脑桌面
添加蜗牛文库到电脑桌面
安装后可以在桌面快捷访问

CK7516数控车床投标书 (2).docxVIP免费

CK7516数控车床投标书 (2).docx_第1页
CK7516数控车床投标书 (2).docx_第2页
CK7516数控车床投标书 (2).docx_第3页
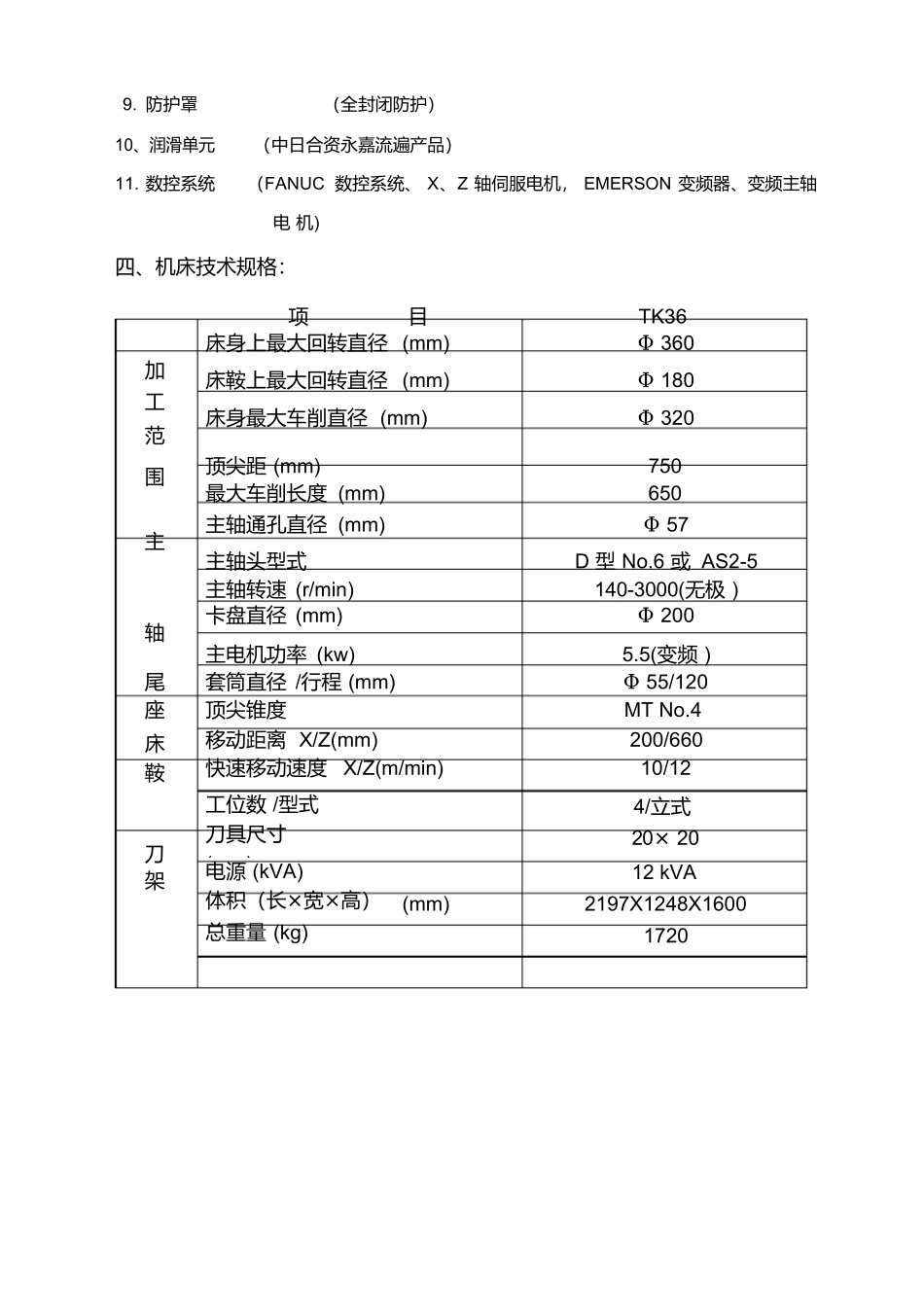
宝鸡忠诚机床股份有限公司TK36数控车床简介一、概述:TK36数控车床是采用广州数控980TD系统实现机床两轴控制的经济性数控车床。可车削内外圆柱面、圆锥面、圆弧面、公、英制螺纹等;配有四工位刀架,可满足不同需要的加工;各种安全警示标牌及可开闭的全防护防护门确保了操作者的安全以及便于现场安全文明生产管理。适用于多品种、批量加工,对复杂、高精度零件更能显示其优越性。二、机床特点1.采用精密通孔式主轴结构,运转平稳,无极调速,高转速,特别适合于有色金属加工及职业教育中的各种形状零件加工教学演示。2.主轴轴承采用精密轴承,精度高,寿命长,孔径大。3.床身导轨经中频淬火和精密磨削,床鞍导轨贴塑,精度保持性好。4.排屑流畅,工件夹持方便。5.配备4工位立式电动刀架,定位精度高,选刀时间短,运转平稳可靠。6.分离式冷却水箱维护清理方便。7.全封闭式防护,保障操作者安全,便于加工及教学现场文明生产。三、机床结构及配置:1.床身与底座2.床头箱(配备哈尔滨HRB主轴轴承)3.普通尾座4.纵向床鞍及驱动(哈尔滨丝杠轴承、汉江滚珠丝杠、交流伺服电机)5.横向滑板及驱动(哈尔滨丝杠轴承、汉江滚珠丝杠、交流伺服电机6.立式四工位电动刀架(常州宏达机床附件公司)7.手动卡盘8.冷却泵站(国产优质产品)9.防护罩(全封闭防护)10、润滑单元(中日合资永嘉流遍产品)11.数控系统(FANUC数控系统、X、Z轴伺服电机,EMERSON变频器、变频主轴电机)四、机床技术规格:项目TK36床身上最大回转直径(mm)Φ360加床鞍上最大回转直径(mm)Φ180工床身最大车削直径(mm)Φ320范围顶尖距(mm)750最大车削长度(mm)650主轴通孔直径(mm)Φ57主主轴头型式D型No.6或AS2-5主轴转速(r/min)140-3000(无极)卡盘直径(mm)Φ200轴主电机功率(kw)5.5(变频)尾套筒直径/行程(mm)Φ55/120座顶尖锥度MTNo.4床移动距离X/Z(mm)200/660鞍快速移动速度X/Z(m/min)10/12刀架工位数/型式刀具尺寸(mm)4/立式20×20电源(kVA)12kVA体积(长×宽×高)(mm)2197X1248X1600总重量(kg)1720五、机床主要精度(执行JB/T8324.1-96简式数控卧式车床精度)1.机床定位精度X/Z:(mm)0.025/0.0302.机床重复定位精度X/Z:(mm)0.010/0.0123.车削工件圆度/圆柱度:(mm)0.005/0.030六、随机附件:序号1名称顶尖规格或标记莫氏MT4数量2件备注2顶尖套莫氏MT6/41件3方套筒扳手S92-3121套4方头扳手121套5垫铁6套6油枪3100cm1只7钩形扳手115~1301件8同步带320-5M-251件随机宝鸡忠诚机床机床股份有限公司

1、当您付费下载文档后,您只拥有了使用权限,并不意味着购买了版权,文档只能用于自身使用,不得用于其他商业用途(如 [转卖]进行直接盈利或[编辑后售卖]进行间接盈利)。
2、本站所有内容均由合作方或网友上传,本站不对文档的完整性、权威性及其观点立场正确性做任何保证或承诺!文档内容仅供研究参考,付费前请自行鉴别。
3、如文档内容存在违规,或者侵犯商业秘密、侵犯著作权等,请点击“违规举报”。

碎片内容

蜗牛文库的最新文档

二年级数学下册其中检测卷二年级数学下册其中检测卷附答案#期中测试卷.pdf
10.00金币
0下载
二年级数学下册期末质检卷(苏教版)二年级数学下册期末质检卷(苏教版)#期末复习 #期末测试卷 #二年级数学 #二年级数学下册#关注我持续更新小学知识.pdf
10.00金币
0下载
二年级数学下册期末混合运算专项练习二年级数学下册期末混合运算专项练习#二年级#二年级数学下册#关注我持续更新小学知识 #知识分享 #家长收藏孩子受益.pdf
10.00金币
1下载
二年级数学下册年月日三类周期问题解题方法二年级数学下册年月日三类周期问题解题方法#二年级#二年级数学下册#知识分享 #关注我持续更新小学知识 #家长收藏孩子受益.pdf
10.00金币
0下载
二年级数学下册解决问题专项训练二年级数学下册解决问题专项训练#专项训练#解决问题#二年级#二年级数学下册#知识分享.pdf
10.00金币
1下载
二年级数学下册还原问题二年级数学下册还原问题#二年级#二年级数学#关注我持续更新小学知识 #知识分享 #家长收藏孩子受益.pdf
10.00金币
1下载
二年级数学下册第六单元考试卷家长打印出来给孩子测试测试争取拿到高分!#小学二年级试卷分享 #二年级第六单考试数学 #第六单考试#二年级数学下册.pdf
10.00金币
0下载
二年级数学下册必背顺口溜口诀汇总二年级数学下册必背顺口溜口诀汇总#二年级#二年级数学下册 #知识分享 #家长收藏孩子受益 #关注我持续更新小学知识.pdf
10.00金币
0下载
二年级数学下册《重点难点思维题》两大问题解决技巧和方法巧算星期几解决周期问题还原问题强化思维训练老师精心整理家长可以打印出来给孩子练习#家长收藏孩子受益 #学霸秘籍 #思维训练 #二年级 #知识点总结.pdf
10.00金币
0下载
二年级数学下册 必背公式大全寒假提前背一背开学更轻松#二年级 #二年级数学 #二年级数学下册 #寒假充电计划 #公式.pdf
10.00金币
0下载
蜗牛文库+ 关注
实名认证
内容提供者

提供各种专业文档内容

确认删除?
QQ
  • QQ点击这里给我发消息
微信客服
  • 微信客服
回到顶部