电脑桌面
添加蜗牛文库到电脑桌面
安装后可以在桌面快捷访问

PLC输出电路(继电器,晶体管,晶闸管输出)区别和注意事项.docxVIP免费

PLC输出电路(继电器,晶体管,晶闸管输出)区别和注意事项.docx_第1页
PLC输出电路(继电器,晶体管,晶闸管输出)区别和注意事项.docx_第2页
PLC输出电路(继电器,晶体管,晶闸管输出)区别和注意事项.docx_第3页
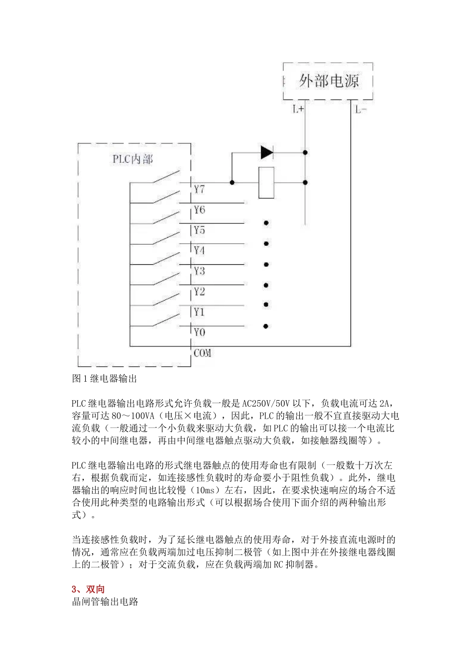
PLC的输出电路形式一般分为:继电器输出,晶体管输出和晶闸管输出三种。弄清这三种输出形式的区别,对于PLC的硬件设计工作非常有必要。下面以三菱PLC为例,简要介绍一下这三种输出电路形式的区别和注意事项,其它公司的PLC输出电路形式也大同小异。1、晶体管输出电路晶体管输出电路形式相比于继电器输出响应快(一般在0.2ms以下),适用于要求快速响应的场合;由于晶体管是无机械触点,因此比继电器输出电路形式的寿命长。晶体管输出型电路的外接电源只能是直接电源,这是其应用局限的一方面。另外,晶体管输出驱动能力要小于继电器输出,允许负载电压一般为DC5V~30V,允许负载电流为0.2A~0.5A。这两点的使用晶体管输出电路形式时要注意。晶体管输出电路的形式主要有两种:NPN和PNP型集电极开路输出。如下图所示:由以上两图可看出这两种晶体管输出电路形式的区别:NPN型集电极开路输出形式的公共端COM只能接外接电源的负极,而PNP型的COM端只能接外接电源的正极。和继电器输出形式电路一样,在驱动感性负载时也要在负载两端反向并联二极管(二极管的阴极接电源的正极)防止过电压,保护PLC的输出电路。2、继电器输出电路这是PLC输出电路常见的一种形式,其电路形式如下图所示。该种输出电路形式外接电源既可以是直流,也可以是交流。图1继电器输出PLC继电器输出电路形式允许负载一般是AC250V/50V以下,负载电流可达2A,容量可达80~100VA(电压×电流),因此,PLC的输出一般不宜直接驱动大电流负载(一般通过一个小负载来驱动大负载,如PLC的输出可以接一个电流比较小的中间继电器,再由中间继电器触点驱动大负载,如接触器线圈等)。PLC继电器输出电路的形式继电器触点的使用寿命也有限制(一般数十万次左右,根据负载而定,如连接感性负载时的寿命要小于阻性负载)。此外,继电器输出的响应时间也比较慢(10ms)左右,因此,在要求快速响应的场合不适合使用此种类型的电路输出形式(可以根据场合使用下面介绍的两种输出形式)。当连接感性负载时,为了延长继电器触点的使用寿命,对于外接直流电源时的情况,通常应在负载两端加过电压抑制二极管(如上图中并在外接继电器线圈上的二极管);对于交流负载,应在负载两端加RC抑制器。3、双向晶闸管输出电路双向晶闸管输出电路只能驱动交流负载,响应速度也比继电器输出电路形式要快,寿命要长。其电路形式如下图所示:图4双向晶闸管输出双向晶闸管输出的驱动能力要比继电器输出的要小,允许负载...

1、当您付费下载文档后,您只拥有了使用权限,并不意味着购买了版权,文档只能用于自身使用,不得用于其他商业用途(如 [转卖]进行直接盈利或[编辑后售卖]进行间接盈利)。
2、本站所有内容均由合作方或网友上传,本站不对文档的完整性、权威性及其观点立场正确性做任何保证或承诺!文档内容仅供研究参考,付费前请自行鉴别。
3、如文档内容存在违规,或者侵犯商业秘密、侵犯著作权等,请点击“违规举报”。

碎片内容

蜗牛文库的最新文档

二年级数学下册其中检测卷二年级数学下册其中检测卷附答案#期中测试卷.pdf
10.00金币
0下载
二年级数学下册期末质检卷(苏教版)二年级数学下册期末质检卷(苏教版)#期末复习 #期末测试卷 #二年级数学 #二年级数学下册#关注我持续更新小学知识.pdf
10.00金币
0下载
二年级数学下册期末混合运算专项练习二年级数学下册期末混合运算专项练习#二年级#二年级数学下册#关注我持续更新小学知识 #知识分享 #家长收藏孩子受益.pdf
10.00金币
1下载
二年级数学下册年月日三类周期问题解题方法二年级数学下册年月日三类周期问题解题方法#二年级#二年级数学下册#知识分享 #关注我持续更新小学知识 #家长收藏孩子受益.pdf
10.00金币
0下载
二年级数学下册解决问题专项训练二年级数学下册解决问题专项训练#专项训练#解决问题#二年级#二年级数学下册#知识分享.pdf
10.00金币
1下载
二年级数学下册还原问题二年级数学下册还原问题#二年级#二年级数学#关注我持续更新小学知识 #知识分享 #家长收藏孩子受益.pdf
10.00金币
1下载
二年级数学下册第六单元考试卷家长打印出来给孩子测试测试争取拿到高分!#小学二年级试卷分享 #二年级第六单考试数学 #第六单考试#二年级数学下册.pdf
10.00金币
0下载
二年级数学下册必背顺口溜口诀汇总二年级数学下册必背顺口溜口诀汇总#二年级#二年级数学下册 #知识分享 #家长收藏孩子受益 #关注我持续更新小学知识.pdf
10.00金币
0下载
二年级数学下册《重点难点思维题》两大问题解决技巧和方法巧算星期几解决周期问题还原问题强化思维训练老师精心整理家长可以打印出来给孩子练习#家长收藏孩子受益 #学霸秘籍 #思维训练 #二年级 #知识点总结.pdf
10.00金币
0下载
二年级数学下册 必背公式大全寒假提前背一背开学更轻松#二年级 #二年级数学 #二年级数学下册 #寒假充电计划 #公式.pdf
10.00金币
0下载
蜗牛文库+ 关注
实名认证
内容提供者

提供各种专业文档内容

确认删除?
QQ
  • QQ点击这里给我发消息
微信客服
  • 微信客服
回到顶部