电脑桌面
添加蜗牛文库到电脑桌面
安装后可以在桌面快捷访问

中建系统悬挑式外脚手架专项施工方案(30P).docVIP免费

中建系统悬挑式外脚手架专项施工方案(30P).doc_第1页
中建系统悬挑式外脚手架专项施工方案(30P).doc_第2页
中建系统悬挑式外脚手架专项施工方案(30P).doc_第3页
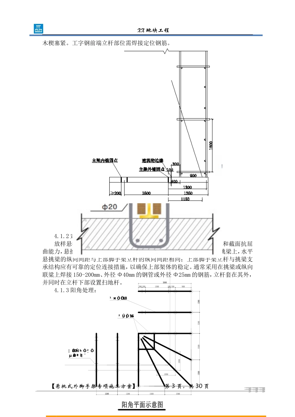
XX地块工程目录一、编制依据...............................................................................................2二、工程概况...............................................................................................2三、施工部署...............................................................................................2四、脚手架的构造及技术要求...................................................................3五、脚手架的搭设和拆除施工工艺...........................................................8六、质量保证措施.......................................................................................9七、安全文明施工保证措施.....................................................................12附件:型钢悬挑外架计算书.....................................................................15一、编制依据序号名称编号/备注1《建筑施工扣件式钢管脚手架安全技术规范》JGJ130-20112《钢管脚手架扣件》GB15831-20063《建筑施工计算手册》江正荣著【悬挑式外脚手架专项施工方案】第1页,共30页XX地块工程中国建筑工业出版社;4《建筑施工手册》(第四版)中国建筑工业出版社5《建筑结构荷载规范》GB50009-20126《建筑施工安全检查标准》JGJ59-20117《建筑施工高处作业安全技术规范》JGJ80-918《危险性较大的分部分项工程管理办法》建质[2009]87号文9XX工程施工组织设计10XX施工图纸11XX政府有关文件和规定二、工程概况XX工程位于XX,。工程包括两栋写字楼及裙房,总建筑面积XX。本方案主要针对1#、2#两栋塔楼5-23层(裙楼1-2层及3-4层采用落地式脚手架),塔楼平面形式规则,结构形式简单,故选用悬挑式外脚手架形式进行施工。三、施工部署3.1脚手架类型的选择本工程地下室2层、地上4层已编写了落地式《外脚手架专项施工方案》,本脚手架施工方案是针对本工程主体结构施工和外装修施工用外防护架5-23层编制的,塔楼标准层层高为4.0m,最大悬挑层数不超过5层,共设置4个悬挑层,在塔楼4层顶(19.400m)、9层顶(39.400m)、14层顶(59.400m)、19层顶(79.400m)板上架立型钢作为脚手架支撑。3.2主要技术参数3.2.1悬挑脚手架计算技术参数最高搭设高度(m)立杆间距(mm)内立杆距墙(mm)连墙件距离(mm)允许荷载(KN/m2)同时施工层数脚手板铺设层数纵距横距步距竖向横向21.5...

1、当您付费下载文档后,您只拥有了使用权限,并不意味着购买了版权,文档只能用于自身使用,不得用于其他商业用途(如 [转卖]进行直接盈利或[编辑后售卖]进行间接盈利)。
2、本站所有内容均由合作方或网友上传,本站不对文档的完整性、权威性及其观点立场正确性做任何保证或承诺!文档内容仅供研究参考,付费前请自行鉴别。
3、如文档内容存在违规,或者侵犯商业秘密、侵犯著作权等,请点击“违规举报”。

碎片内容

蜗牛文库的最新文档

二年级数学下册其中检测卷二年级数学下册其中检测卷附答案#期中测试卷.pdf
10.00金币
0下载
二年级数学下册期末质检卷(苏教版)二年级数学下册期末质检卷(苏教版)#期末复习 #期末测试卷 #二年级数学 #二年级数学下册#关注我持续更新小学知识.pdf
10.00金币
0下载
二年级数学下册期末混合运算专项练习二年级数学下册期末混合运算专项练习#二年级#二年级数学下册#关注我持续更新小学知识 #知识分享 #家长收藏孩子受益.pdf
10.00金币
1下载
二年级数学下册年月日三类周期问题解题方法二年级数学下册年月日三类周期问题解题方法#二年级#二年级数学下册#知识分享 #关注我持续更新小学知识 #家长收藏孩子受益.pdf
10.00金币
0下载
二年级数学下册解决问题专项训练二年级数学下册解决问题专项训练#专项训练#解决问题#二年级#二年级数学下册#知识分享.pdf
10.00金币
1下载
二年级数学下册还原问题二年级数学下册还原问题#二年级#二年级数学#关注我持续更新小学知识 #知识分享 #家长收藏孩子受益.pdf
10.00金币
1下载
二年级数学下册第六单元考试卷家长打印出来给孩子测试测试争取拿到高分!#小学二年级试卷分享 #二年级第六单考试数学 #第六单考试#二年级数学下册.pdf
10.00金币
0下载
二年级数学下册必背顺口溜口诀汇总二年级数学下册必背顺口溜口诀汇总#二年级#二年级数学下册 #知识分享 #家长收藏孩子受益 #关注我持续更新小学知识.pdf
10.00金币
0下载
二年级数学下册《重点难点思维题》两大问题解决技巧和方法巧算星期几解决周期问题还原问题强化思维训练老师精心整理家长可以打印出来给孩子练习#家长收藏孩子受益 #学霸秘籍 #思维训练 #二年级 #知识点总结.pdf
10.00金币
0下载
二年级数学下册 必背公式大全寒假提前背一背开学更轻松#二年级 #二年级数学 #二年级数学下册 #寒假充电计划 #公式.pdf
10.00金币
0下载
蜗牛文库+ 关注
实名认证
内容提供者

提供各种专业文档内容

确认删除?
QQ
  • QQ点击这里给我发消息
微信客服
  • 微信客服
回到顶部