电脑桌面
添加蜗牛文库到电脑桌面
安装后可以在桌面快捷访问

429旋挖桩专项施工方案.docVIP免费

429旋挖桩专项施工方案.doc_第1页
429旋挖桩专项施工方案.doc_第2页
429旋挖桩专项施工方案.doc_第3页
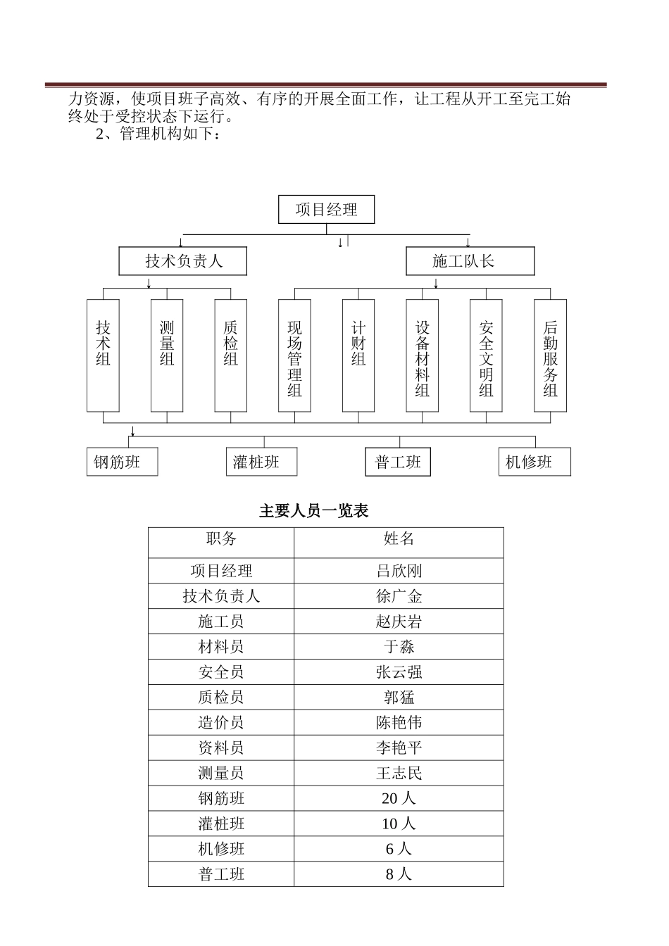
目录一、编制依据二、工程概况三、施工部署四、工期安排五、施工方案及主要技术措施六、旋挖桩施工应急预案七、工程质量保证措施八、施工工期保证措施九、安全生产保证措施十、现场标化管理、文明施工和环境保护措施第一章编制依据1.重庆主城两江四岸风貌建设实验段(嘉滨路段:渔湾码头至朝天门)工程三标段施工合同文件。2.《重庆主城两江四岸风貌建设嘉滨路段三标段》施工图纸3.本工程涉及的施工技术、安全、文明、质量验收方面标准和交通部颁发的规范、规程及法规文件等;4.施工现场踏勘获得的资料;5.我公司现有的综合施工能力及历年来承担相类似工程的施工经验。第二章工程概况1.1工程项目位置及其基本特征重庆主城两江四岸风貌工程试验段位于渝中区嘉滨路段,起点为渔湾码头,终点为朝天门,岸线长约3.1公里,总投资约1.5亿元。本单位承建第三标段:富城大厦——渔湾码头。本段全长1070米,主要施工项目为:渔湾码头休闲广场场地硬质铺装、码头亲水台阶(渔湾高架桥下立面美化),局部恢复和增设步道、人行道改造;护坡处理(消落带);市政设施(栏杆、架空箱涵、趸船锚桩)整治;修复或新增公共环境设施(景观小品、标识标牌、环卫设施等);局部电力、电信管沟、给排水系统(雨、污水管网)疏治;结构挡土墙、土石方工程(平场土石方挖填);文化设施(节点文化装饰);灯饰景观(景观照明及灯饰);高架桥美化装饰(桥墩处理、桥身侧面及局部顶面处理)等。本标段共设计有103根φ2.8m旋挖钻孔桩,桩长24~30米,要求桩底置于完整中风化岩层上,嵌入该岩层内深度≥3D或H/4,桩底岩石天然单轴抗压强度≥7.0MPa。1.2地质概况1.3工程数量一览表工程数量一览表项目名称根数总长(m)钢筋总重(T)混凝土(m3)Φ2.8m旋挖钻孔桩10327762469.117085.51.4施工条件工程位于重庆市渝中区大溪沟,交通便利,可由嘉滨路直接进入施工现场,施工用水、用电均已搭接完成,施工便道已修筑完成。第三章施工部署一、总体布置根据地质报告、工期要求、场地施工条件,计划安排3台旋挖机,并配备电焊机、气焊设备及附属运输,排水、清障、夜间照明等设备。项目班子由公司挑选具有丰富经验、有责任心的人员组成,钻机及相关配套设备到位,确保本工程顺利实施。二、项目班子组织和管理1、项目班子组织本工程工期紧,任务重,公司选派精干人员组建工程项目部,在人、财、物上优先满足本工程的需要,根据工地需要随时调配充足的人力和物力资源,使项目班子高效、有序...

1、当您付费下载文档后,您只拥有了使用权限,并不意味着购买了版权,文档只能用于自身使用,不得用于其他商业用途(如 [转卖]进行直接盈利或[编辑后售卖]进行间接盈利)。
2、本站所有内容均由合作方或网友上传,本站不对文档的完整性、权威性及其观点立场正确性做任何保证或承诺!文档内容仅供研究参考,付费前请自行鉴别。
3、如文档内容存在违规,或者侵犯商业秘密、侵犯著作权等,请点击“违规举报”。

碎片内容

蜗牛文库的最新文档

二年级数学下册其中检测卷二年级数学下册其中检测卷附答案#期中测试卷.pdf
10.00金币
0下载
二年级数学下册期末质检卷(苏教版)二年级数学下册期末质检卷(苏教版)#期末复习 #期末测试卷 #二年级数学 #二年级数学下册#关注我持续更新小学知识.pdf
10.00金币
0下载
二年级数学下册期末混合运算专项练习二年级数学下册期末混合运算专项练习#二年级#二年级数学下册#关注我持续更新小学知识 #知识分享 #家长收藏孩子受益.pdf
10.00金币
1下载
二年级数学下册年月日三类周期问题解题方法二年级数学下册年月日三类周期问题解题方法#二年级#二年级数学下册#知识分享 #关注我持续更新小学知识 #家长收藏孩子受益.pdf
10.00金币
0下载
二年级数学下册解决问题专项训练二年级数学下册解决问题专项训练#专项训练#解决问题#二年级#二年级数学下册#知识分享.pdf
10.00金币
1下载
二年级数学下册还原问题二年级数学下册还原问题#二年级#二年级数学#关注我持续更新小学知识 #知识分享 #家长收藏孩子受益.pdf
10.00金币
1下载
二年级数学下册第六单元考试卷家长打印出来给孩子测试测试争取拿到高分!#小学二年级试卷分享 #二年级第六单考试数学 #第六单考试#二年级数学下册.pdf
10.00金币
0下载
二年级数学下册必背顺口溜口诀汇总二年级数学下册必背顺口溜口诀汇总#二年级#二年级数学下册 #知识分享 #家长收藏孩子受益 #关注我持续更新小学知识.pdf
10.00金币
0下载
二年级数学下册《重点难点思维题》两大问题解决技巧和方法巧算星期几解决周期问题还原问题强化思维训练老师精心整理家长可以打印出来给孩子练习#家长收藏孩子受益 #学霸秘籍 #思维训练 #二年级 #知识点总结.pdf
10.00金币
0下载
二年级数学下册 必背公式大全寒假提前背一背开学更轻松#二年级 #二年级数学 #二年级数学下册 #寒假充电计划 #公式.pdf
10.00金币
0下载
蜗牛文库+ 关注
实名认证
内容提供者

提供各种专业文档内容

确认删除?
QQ
  • QQ点击这里给我发消息
微信客服
  • 微信客服
回到顶部