电脑桌面
添加蜗牛文库到电脑桌面
安装后可以在桌面快捷访问

基于AMESim液压支架的动态特性仿真分析.pdfVIP免费

基于AMESim液压支架的动态特性仿真分析.pdf_第1页
基于AMESim液压支架的动态特性仿真分析.pdf_第2页
基于AMESim液压支架的动态特性仿真分析.pdf_第3页
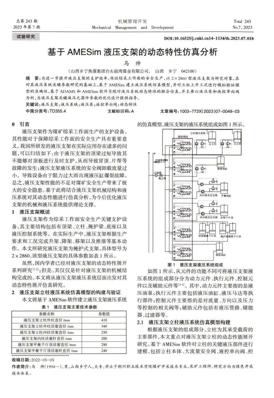
试验研究DevelopmentManagement8andNo.7,2023Mechanical2023年第7期Total243机械管理开发总第243期D0I:10.16525/j.cnki.cn14-1134/th.2023.07.018基于AMESim液压支架的动态特性仿真分析马帅(山西乡宁焦煤集团台头前湾煤业有限公司,山西乡宁042100)摘要:为进一步提升液压支架的支护效率,保证综采工作面的安全生产,以2×2860型液压支架为研究对象,在对其液压系统关键参数研究的基础上,基于AMESim建立液压系统仿真模型,并对立柱上升工况进行模拟验证模型的准确性,基于ADAMS和AMESim软件实现对液压系统动态特性的联合仿真,并主要以液压泵和液控单向阀为例,为液压支架关键液压元器件参数的优化设计提供指导。关键词:液压支架;液压系统;液压泵;液控单向阀;动态特性中图分类号:TD355.4文献标识码:A文章编号:1003-773X(2023)07-0049-030引言液压支架作为煤矿综采工作面生产的支护设备,其性能对于保障综采工作面的安全生产具有重要意义。我国所研发的液压支架在实际应用存在诸多的问题,可以归结如下:由于液压支架的顶梁过短导致其不能够对顶板进行及时支护,从而导致冒顶、片帮等故障的发生;液压支架液压系统的安全阀卸载流量过小,导致设备由于阻力过大而出现液压缸爆裂故障。总之,液压支架性能的不足对煤矿安全生产带来了极大的安全隐患。基于此将结合液压支架机械结构和液压系统对其动态性能进行仿真分析,为今后优化液压支架的机械和液压系统提供理论支撑。1液压支架概述液压支架作为综采工作面安全生产关键支护设备,其主要结构包括有顶梁、立柱、掩护梁、底座以及液压控制系统等。在实际生产中,液压支架根据生产要求和工况完成升架、降架、移架以及推溜等基本动作。本文所研究液压支架为掩护式支架,具体型号为2×2860,该型液压支架的具体参数如表1所示。虽然,国内学者已经对液压支架的动态特性展开系列研究[1-2];但是,其仅仅是针对液压支架的机械结构完成的。本文将从液压支架液压系统层面出发对其动态特性展开仿真研究。2液压支架立柱液压系统仿真模型的构建与验证本文将基于AMESim软件建立液压支架液压系统表1济液压支架主要技术参数参数名称参数值液压支架立柱外柱直径/mm410液压支架立柱外柱活塞直径/mm340液压支架立柱内柱活塞直径/mm250液压支架内柱活塞杆直径/mm200液压支架平衡千斤顶活塞直径/mm280液压支架平衡千斤顶活塞杆直径/mm240的仿真模型,液压支架的液压系统组成如图1所示。立柱液压系统操纵阀组左立柱...

1、当您付费下载文档后,您只拥有了使用权限,并不意味着购买了版权,文档只能用于自身使用,不得用于其他商业用途(如 [转卖]进行直接盈利或[编辑后售卖]进行间接盈利)。
2、本站所有内容均由合作方或网友上传,本站不对文档的完整性、权威性及其观点立场正确性做任何保证或承诺!文档内容仅供研究参考,付费前请自行鉴别。
3、如文档内容存在违规,或者侵犯商业秘密、侵犯著作权等,请点击“违规举报”。

碎片内容

蜗牛文库的最新文档

二年级数学下册其中检测卷二年级数学下册其中检测卷附答案#期中测试卷.pdf
10.00金币
0下载
二年级数学下册期末质检卷(苏教版)二年级数学下册期末质检卷(苏教版)#期末复习 #期末测试卷 #二年级数学 #二年级数学下册#关注我持续更新小学知识.pdf
10.00金币
0下载
二年级数学下册期末混合运算专项练习二年级数学下册期末混合运算专项练习#二年级#二年级数学下册#关注我持续更新小学知识 #知识分享 #家长收藏孩子受益.pdf
10.00金币
1下载
二年级数学下册年月日三类周期问题解题方法二年级数学下册年月日三类周期问题解题方法#二年级#二年级数学下册#知识分享 #关注我持续更新小学知识 #家长收藏孩子受益.pdf
10.00金币
0下载
二年级数学下册解决问题专项训练二年级数学下册解决问题专项训练#专项训练#解决问题#二年级#二年级数学下册#知识分享.pdf
10.00金币
1下载
二年级数学下册还原问题二年级数学下册还原问题#二年级#二年级数学#关注我持续更新小学知识 #知识分享 #家长收藏孩子受益.pdf
10.00金币
1下载
二年级数学下册第六单元考试卷家长打印出来给孩子测试测试争取拿到高分!#小学二年级试卷分享 #二年级第六单考试数学 #第六单考试#二年级数学下册.pdf
10.00金币
0下载
二年级数学下册必背顺口溜口诀汇总二年级数学下册必背顺口溜口诀汇总#二年级#二年级数学下册 #知识分享 #家长收藏孩子受益 #关注我持续更新小学知识.pdf
10.00金币
0下载
二年级数学下册《重点难点思维题》两大问题解决技巧和方法巧算星期几解决周期问题还原问题强化思维训练老师精心整理家长可以打印出来给孩子练习#家长收藏孩子受益 #学霸秘籍 #思维训练 #二年级 #知识点总结.pdf
10.00金币
0下载
二年级数学下册 必背公式大全寒假提前背一背开学更轻松#二年级 #二年级数学 #二年级数学下册 #寒假充电计划 #公式.pdf
10.00金币
0下载
蜗牛文库+ 关注
实名认证
内容提供者

提供各种专业文档内容

确认删除?
QQ
  • QQ点击这里给我发消息
微信客服
  • 微信客服
回到顶部