电脑桌面
添加蜗牛文库到电脑桌面
安装后可以在桌面快捷访问

吉福公路大纲正文全.docVIP免费

吉福公路大纲正文全.doc_第1页
吉福公路大纲正文全.doc_第2页
吉福公路大纲正文全.doc_第3页
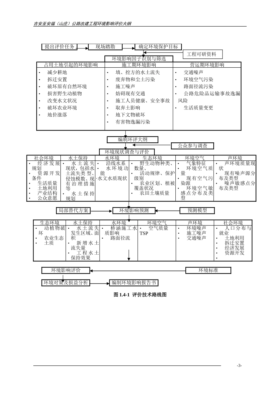
吉安至安福(山庄)公路改建工程环境影响评价大纲第1章总则1.1评价项目由来随着赣粤高速公路的修建,给沿线地区带来了新的发展机遇,为进一步加强吉安市与外界的联系,加快老区经济的发展和改革开放步伐,并完善全省公路网的主骨架,增强赣粤高速公路的辐射作用,江西省计委批准同意对吉安至(山庄)公路进行改造。2001年8月,江西省赣南公路勘察设计院完成了本项目可行性研究报告。根据国务院第253号令《建设项目环境保护管理条例》和《交通建设项目环境保护管理办法》的有关要求,2001年9月吉福公路建设经营管理所委托江西省环境保护科学研究所承担吉安至安福(山庄)公路改建工程的环境影响评价工作。2001年9月,在设计单位和沿线地方政府及有关职能部门的大力协助、支持下,江西省环境保护科学研究所环评组详细研究了工程可行性研究报告,对改建公路全线进行了实地踏勘,对沿线环境概况和主要环境保护目标进行了详细的现场调查,并广泛收集有关资料,在此基础上编制完成了本环境影响评价大纲。1.2评价类别与评价目的公路建设是一项对社会、经济影响深远的开发性活动,其施工建设和通车运营将对自然环境和社会环境产生很大影响,必须妥善处理项目实施和保护环境的相互关系。根据国家环保总局对建设项目环境影响评价的分类要求,本项目为穿越居民区等环境敏感区的大型项目,需要进行全面的环境影响评价工作。本项目环境影响评价旨在:⑴定性或定量地对沿线社会、经济、环境现状和未来影响的范围和程度进行分析预测和评价,从环境保护角度对公路改造进行论证。⑵提出优化环境的、切实可行的环保措施和对策,反馈于工程设计和施工,以最大限度地减少或减缓工程建设造成的负面环境影响。⑶对该项目施工期、营运期环境管理提出实施计划,并为沿线经济发展、城镇建设和环境规划提供辅助信息和科学依据。1.3编制依据⑴《中华人民共和国环境保护法》(1989.12.26);2《中华人民共和国水土保持法》(1991.6.29);3《中华人民共和国土地管理法》(1998.8.29);-1-吉安至安福(山庄)公路改建工程环境影响评价大纲4《中华人民共和国环境噪声污染防治法》(1996.10.29);5《中华人民共和国水污染防治法》(1996.5.15);6《中华人民共和国大气污染防治法》(1995.12.29);7《中华人民共和国固体废物污染环境防治法》(1995.10.30);8《中华人民共和国公路法》(1997.7.3);9《建设项目环境保护管理条例》[国务院令第253号,1998.11.18];2《交通建设...

1、当您付费下载文档后,您只拥有了使用权限,并不意味着购买了版权,文档只能用于自身使用,不得用于其他商业用途(如 [转卖]进行直接盈利或[编辑后售卖]进行间接盈利)。
2、本站所有内容均由合作方或网友上传,本站不对文档的完整性、权威性及其观点立场正确性做任何保证或承诺!文档内容仅供研究参考,付费前请自行鉴别。
3、如文档内容存在违规,或者侵犯商业秘密、侵犯著作权等,请点击“违规举报”。

碎片内容

蜗牛文库的最新文档

二年级数学下册其中检测卷二年级数学下册其中检测卷附答案#期中测试卷.pdf
10.00金币
0下载
二年级数学下册期末质检卷(苏教版)二年级数学下册期末质检卷(苏教版)#期末复习 #期末测试卷 #二年级数学 #二年级数学下册#关注我持续更新小学知识.pdf
10.00金币
0下载
二年级数学下册期末混合运算专项练习二年级数学下册期末混合运算专项练习#二年级#二年级数学下册#关注我持续更新小学知识 #知识分享 #家长收藏孩子受益.pdf
10.00金币
1下载
二年级数学下册年月日三类周期问题解题方法二年级数学下册年月日三类周期问题解题方法#二年级#二年级数学下册#知识分享 #关注我持续更新小学知识 #家长收藏孩子受益.pdf
10.00金币
0下载
二年级数学下册解决问题专项训练二年级数学下册解决问题专项训练#专项训练#解决问题#二年级#二年级数学下册#知识分享.pdf
10.00金币
1下载
二年级数学下册还原问题二年级数学下册还原问题#二年级#二年级数学#关注我持续更新小学知识 #知识分享 #家长收藏孩子受益.pdf
10.00金币
1下载
二年级数学下册第六单元考试卷家长打印出来给孩子测试测试争取拿到高分!#小学二年级试卷分享 #二年级第六单考试数学 #第六单考试#二年级数学下册.pdf
10.00金币
0下载
二年级数学下册必背顺口溜口诀汇总二年级数学下册必背顺口溜口诀汇总#二年级#二年级数学下册 #知识分享 #家长收藏孩子受益 #关注我持续更新小学知识.pdf
10.00金币
0下载
二年级数学下册《重点难点思维题》两大问题解决技巧和方法巧算星期几解决周期问题还原问题强化思维训练老师精心整理家长可以打印出来给孩子练习#家长收藏孩子受益 #学霸秘籍 #思维训练 #二年级 #知识点总结.pdf
10.00金币
0下载
二年级数学下册 必背公式大全寒假提前背一背开学更轻松#二年级 #二年级数学 #二年级数学下册 #寒假充电计划 #公式.pdf
10.00金币
0下载
蜗牛文库+ 关注
实名认证
内容提供者

提供各种专业文档内容

确认删除?
QQ
  • QQ点击这里给我发消息
微信客服
  • 微信客服
回到顶部