电脑桌面
添加蜗牛文库到电脑桌面
安装后可以在桌面快捷访问

2023年机电体化系统设计实验报告模板.docVIP免费

2023年机电体化系统设计实验报告模板.doc_第1页
2023年机电体化系统设计实验报告模板.doc_第2页
2023年机电体化系统设计实验报告模板.doc_第3页
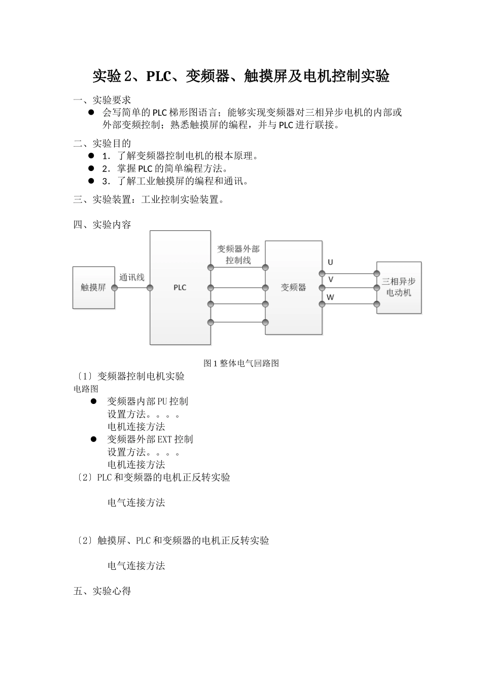
机电一体化系统设计实验报告院校:系别:专业:班级:姓名:学号:实验1、三坐标测量机实验一、实验要求掌握三坐标测量机的组成、工作原理、应用领域以及测量方法。二、实验目的1.通过观摩学习三坐标测量机,掌握三坐标测量机的工作原理。2.掌握三坐标测量机的测量方法。三、实验装置:三坐标测量机。四、实验内容(1)对瑞士FARO便携式三坐标测量机的原理结构和测量方法进行深入的探讨和掌握,FARO软件的根本操作也进行了学习。FARO便携式三坐标测量机的精度可以到达20um。(2)进行了零件平面度的测量方法,零件圆度的测量方法,测量误差小于0.032mm(3)对零件外表和工作台外表两个平面的平行度也进行了测量,平行度误差约为0.68mm,原因:这主要是工件的放置不太平整,工作台外表有杂质颗粒导致平面度的误差偏大。五、实验心得通过本次试验,学习了。。,知道了。。用途。在以后的工作中,如果遇到。。。。情况下,可以考虑采用三坐标测量机进行精确测量。实验2、PLC、变频器、触摸屏及电机控制实验一、实验要求会写简单的PLC梯形图语言;能够实现变频器对三相异步电机的内部或外部变频控制;熟悉触摸屏的编程,并与PLC进行联接。二、实验目的1.了解变频器控制电机的根本原理。2.掌握PLC的简单编程方法。3.了解工业触摸屏的编程和通讯。三、实验装置:工业控制实验装置。四、实验内容图1整体电气回路图〔1〕变频器控制电机实验电路图变频器内部PU控制设置方法。。。。电机连接方法变频器外部EXT控制设置方法。。。。电机连接方法〔2〕PLC和变频器的电机正反转实验电气连接方法〔2〕触摸屏、PLC和变频器的电机正反转实验电气连接方法五、实验心得通过本次试验,学习了。。,知道了。。用途。在以后的工作中,如果遇到。。。。情况下,可以考虑工业的自动化设备,如变频器、PLC、触摸屏等设备进行工厂设备的改造升级,提高劳动生产率,节省能源。

1、当您付费下载文档后,您只拥有了使用权限,并不意味着购买了版权,文档只能用于自身使用,不得用于其他商业用途(如 [转卖]进行直接盈利或[编辑后售卖]进行间接盈利)。
2、本站所有内容均由合作方或网友上传,本站不对文档的完整性、权威性及其观点立场正确性做任何保证或承诺!文档内容仅供研究参考,付费前请自行鉴别。
3、如文档内容存在违规,或者侵犯商业秘密、侵犯著作权等,请点击“违规举报”。

碎片内容

蜗牛文库的最新文档

二年级数学下册其中检测卷二年级数学下册其中检测卷附答案#期中测试卷.pdf
10.00金币
0下载
二年级数学下册期末质检卷(苏教版)二年级数学下册期末质检卷(苏教版)#期末复习 #期末测试卷 #二年级数学 #二年级数学下册#关注我持续更新小学知识.pdf
10.00金币
0下载
二年级数学下册期末混合运算专项练习二年级数学下册期末混合运算专项练习#二年级#二年级数学下册#关注我持续更新小学知识 #知识分享 #家长收藏孩子受益.pdf
10.00金币
1下载
二年级数学下册年月日三类周期问题解题方法二年级数学下册年月日三类周期问题解题方法#二年级#二年级数学下册#知识分享 #关注我持续更新小学知识 #家长收藏孩子受益.pdf
10.00金币
0下载
二年级数学下册解决问题专项训练二年级数学下册解决问题专项训练#专项训练#解决问题#二年级#二年级数学下册#知识分享.pdf
10.00金币
1下载
二年级数学下册还原问题二年级数学下册还原问题#二年级#二年级数学#关注我持续更新小学知识 #知识分享 #家长收藏孩子受益.pdf
10.00金币
1下载
二年级数学下册第六单元考试卷家长打印出来给孩子测试测试争取拿到高分!#小学二年级试卷分享 #二年级第六单考试数学 #第六单考试#二年级数学下册.pdf
10.00金币
0下载
二年级数学下册必背顺口溜口诀汇总二年级数学下册必背顺口溜口诀汇总#二年级#二年级数学下册 #知识分享 #家长收藏孩子受益 #关注我持续更新小学知识.pdf
10.00金币
0下载
二年级数学下册《重点难点思维题》两大问题解决技巧和方法巧算星期几解决周期问题还原问题强化思维训练老师精心整理家长可以打印出来给孩子练习#家长收藏孩子受益 #学霸秘籍 #思维训练 #二年级 #知识点总结.pdf
10.00金币
0下载
二年级数学下册 必背公式大全寒假提前背一背开学更轻松#二年级 #二年级数学 #二年级数学下册 #寒假充电计划 #公式.pdf
10.00金币
0下载
蜗牛文库+ 关注
实名认证
内容提供者

提供各种专业文档内容

确认删除?
QQ
  • QQ点击这里给我发消息
微信客服
  • 微信客服
回到顶部