电脑桌面
添加蜗牛文库到电脑桌面
安装后可以在桌面快捷访问

MDI装置的仪表选型和自动化方案.pdfVIP免费

MDI装置的仪表选型和自动化方案.pdf_第1页
MDI装置的仪表选型和自动化方案.pdf_第2页
MDI装置的仪表选型和自动化方案.pdf_第3页
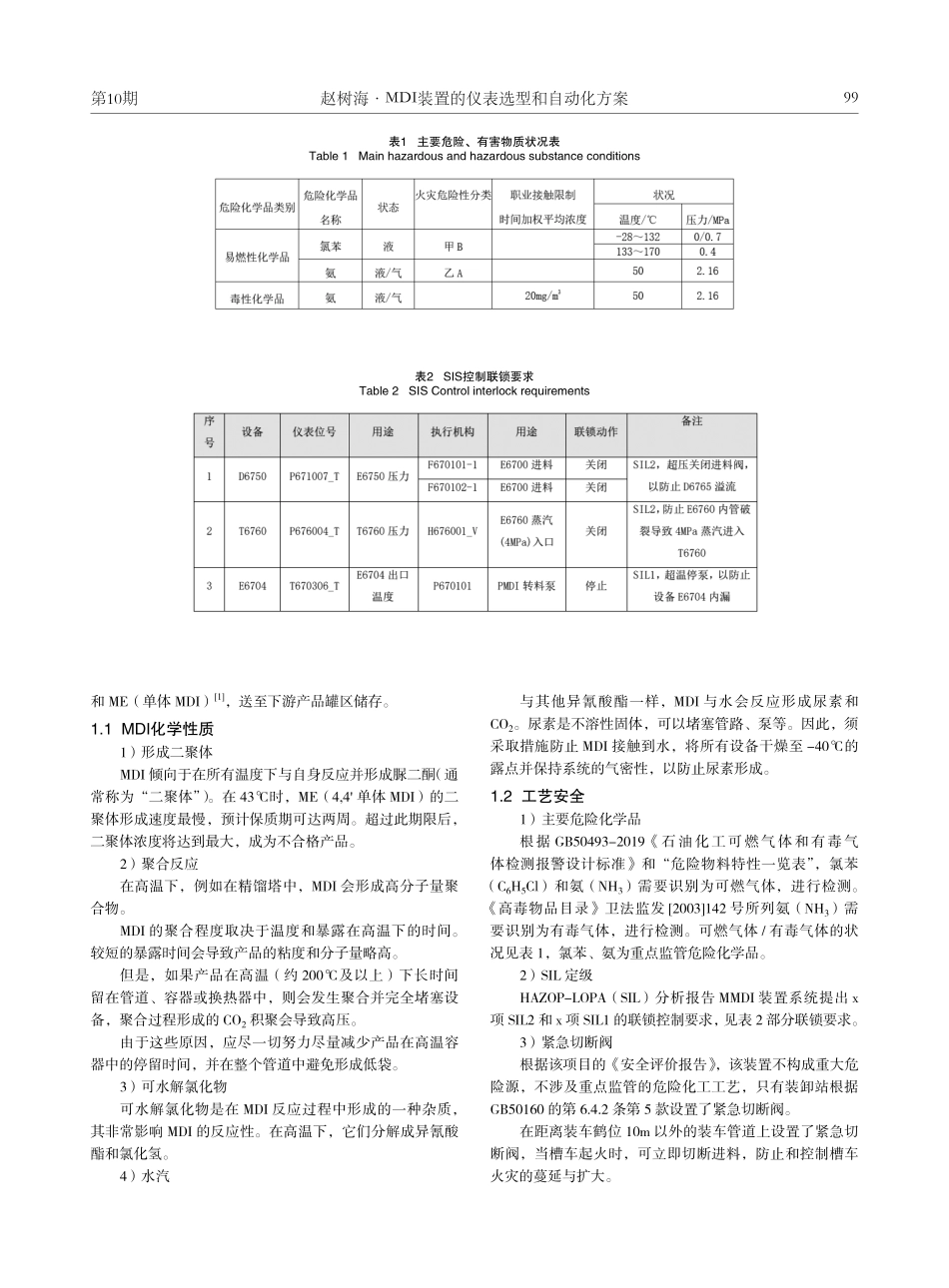
第30卷第10期2023年10月仪器仪表用户INSTRUMENTATIONVol.302023No.10MDI装置的仪表选型和自动化方案赵树海(连云港沃利工程技术有限公司北京分公司,北京100012)摘要:MDI装置工艺物料具有高粘稠、易聚合特性,反应设备真空度高,含有氯化物杂质,遇水极易反应生成尿素,堵塞管路,因此在仪表选型方面存在特殊要求。工艺安全方面:一是该装置涉及到的氯苯和氨为国家重点监管的危险化学品,需要监测可能的泄漏并报警;二是按照HAZOP的要求设置安全仪表系统;三是紧急切断阀的设置。本文主要探讨MDI装置的自动化仪表选型方案、安全设施和措施,为今后同类装置的工程设计提供参考。关键词:MDI;自动化仪表;GDS;核子液位中图分类号:TH86文献标志码:AInstrumentSelectionandAutomatedSystemDesignforAMDIPlantZhaoShuhai(LianyungangWorleyEngineeringCo.,Ltd.,BeijingBranch,Beijing,100012,China)Abstract:TheprocessmaterialoftheMDIplantishighviscosity,easypolymerizationandhighvacuuminthedistillationcolumn,containingchlorideimpurities,easilyreactwithwatertogenerateurea,suchthatblockingpipes,sotherearespecialre-quirementsininstrumentselecting.Regardingtotheprocesssafety,firstly,thechlorobenzeneandammoniaarehazardouschemicalssupervisedbyauthorities,itspotentialleakageshallbemonitoredandalarmtopersonal;Second,asafetyinstrumentsshallbeusedaccordingtotheHAZOPanalysis;Third,emergencyshut-offvalvesshallberequiredbyGBCode.Thisdocumentdescribestheinstrumentselection,safetyfacilitiesandmeasures,andprovidesomecriteriatotheengineeringofsimilarplant.Keywords:MDI;automationinstruments;GDS;nuclearliquidlevel收稿日期:2023-07-07作者简介:赵树海(1983-),男,内蒙古锡林浩特人,本科,工程师,从事工业自动化仪表工程设计。DOI:10.3969/j.issn.1671-1041.2023.10.023文章编号:1671-1041(2023)10-0098-050引言一般化工工艺流程复杂,会涉及易燃、易爆等危险化学品,产品的质量、产量、能耗及装置的安全生产与测量仪表、自动化系统及安全保护系统的可靠性和先进性密不可分。随着科技的发展及自动化程度的不断提高,测量仪表自动化系统在化工生产中得到更加广泛地应用。选择使用的测量仪表,保障其测量精度和稳定性对于提升工业生产的自动化水平,进一步降低劳动强度具有至关重要的作...

1、当您付费下载文档后,您只拥有了使用权限,并不意味着购买了版权,文档只能用于自身使用,不得用于其他商业用途(如 [转卖]进行直接盈利或[编辑后售卖]进行间接盈利)。
2、本站所有内容均由合作方或网友上传,本站不对文档的完整性、权威性及其观点立场正确性做任何保证或承诺!文档内容仅供研究参考,付费前请自行鉴别。
3、如文档内容存在违规,或者侵犯商业秘密、侵犯著作权等,请点击“违规举报”。

碎片内容

蜗牛文库的最新文档

二年级数学下册其中检测卷二年级数学下册其中检测卷附答案#期中测试卷.pdf
10.00金币
0下载
二年级数学下册期末质检卷(苏教版)二年级数学下册期末质检卷(苏教版)#期末复习 #期末测试卷 #二年级数学 #二年级数学下册#关注我持续更新小学知识.pdf
10.00金币
0下载
二年级数学下册期末混合运算专项练习二年级数学下册期末混合运算专项练习#二年级#二年级数学下册#关注我持续更新小学知识 #知识分享 #家长收藏孩子受益.pdf
10.00金币
1下载
二年级数学下册年月日三类周期问题解题方法二年级数学下册年月日三类周期问题解题方法#二年级#二年级数学下册#知识分享 #关注我持续更新小学知识 #家长收藏孩子受益.pdf
10.00金币
0下载
二年级数学下册解决问题专项训练二年级数学下册解决问题专项训练#专项训练#解决问题#二年级#二年级数学下册#知识分享.pdf
10.00金币
1下载
二年级数学下册还原问题二年级数学下册还原问题#二年级#二年级数学#关注我持续更新小学知识 #知识分享 #家长收藏孩子受益.pdf
10.00金币
1下载
二年级数学下册第六单元考试卷家长打印出来给孩子测试测试争取拿到高分!#小学二年级试卷分享 #二年级第六单考试数学 #第六单考试#二年级数学下册.pdf
10.00金币
0下载
二年级数学下册必背顺口溜口诀汇总二年级数学下册必背顺口溜口诀汇总#二年级#二年级数学下册 #知识分享 #家长收藏孩子受益 #关注我持续更新小学知识.pdf
10.00金币
0下载
二年级数学下册《重点难点思维题》两大问题解决技巧和方法巧算星期几解决周期问题还原问题强化思维训练老师精心整理家长可以打印出来给孩子练习#家长收藏孩子受益 #学霸秘籍 #思维训练 #二年级 #知识点总结.pdf
10.00金币
0下载
二年级数学下册 必背公式大全寒假提前背一背开学更轻松#二年级 #二年级数学 #二年级数学下册 #寒假充电计划 #公式.pdf
10.00金币
0下载
蜗牛文库+ 关注
实名认证
内容提供者

提供各种专业文档内容

确认删除?
QQ
  • QQ点击这里给我发消息
微信客服
  • 微信客服
回到顶部