电脑桌面
添加蜗牛文库到电脑桌面
安装后可以在桌面快捷访问

微生物净化空调器可行性开发报告.docVIP免费

微生物净化空调器可行性开发报告.doc_第1页
微生物净化空调器可行性开发报告.doc_第2页
微生物净化空调器可行性开发报告.doc_第3页
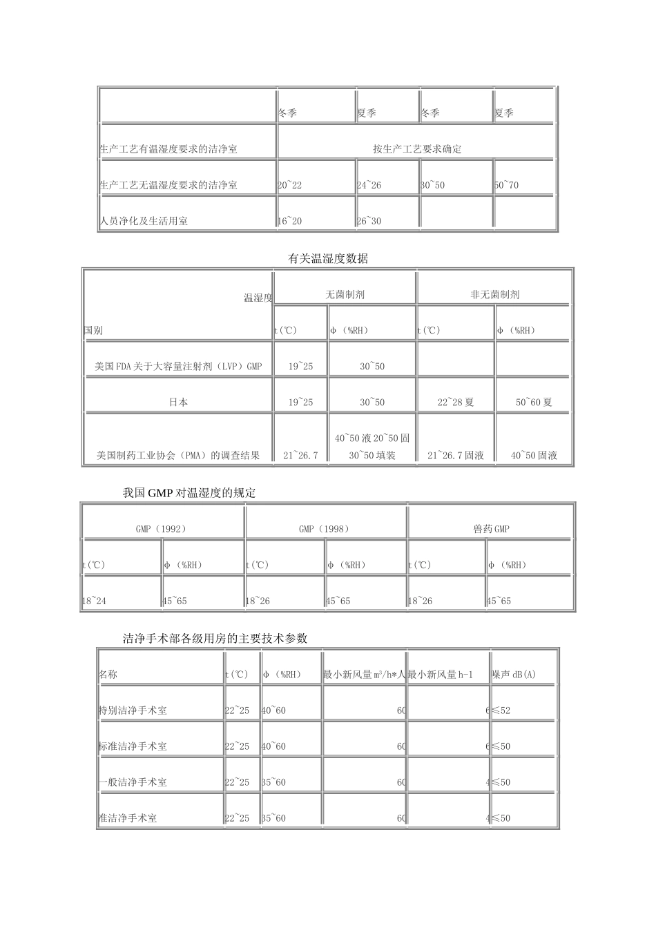
微生物净化空调器可行性开发报告论文作者:摘要:高科技的发展造就了空气洁净业。空气洁净伴随着高科技行业的发展而发展。空气洁净已覆盖宙宇航行、精密制造、航空航天、集成电路、仪器工业、医学医疗、制药、化妆品、微生物学、生物实验、遗传工程等行业及其研究机构。这些洁净室就其控制的对象来说,分工业洁净室和生物洁净室两大类。微生物净化空调器即是以微生物为控制对象的生物洁净室专用空调。微生物净化空调器是将空气的洁净度(含菌浓)、温度、湿度、速度、噪声、压力处理到一定范围的工艺性设备。区别于其它空调的是其对空气的洁净度、含菌浓度、高新风处理量及防止空调的二次污染达到生物洁净室建设的国家规范要求满足洁净室对空调的特殊要求。这点是其它专用工艺空调无法替代的。关键词:微生物空气洁净市场前景:目前国内各种体制的制药企业共有5146家,拿到GMP认证的共有1272家共拿到1624张GMP证,占总数的25%(此数据为2002年6月份统计);兽药企业约2000家,通过率不会超过人药。医院手术部今后将有2~3万间的改建新建任务,这还不含辅助用房、病房。上述还都需配备生物实验室。化妆品、保健品、食品才开始净化改造,这些也慢慢受到国家有关部门及行业专家重视。现在国内已做出了强制执行的指令:人药到2004年,兽药到2005年必须对药厂按GMP改造,逾期不实行的不得进行生产。国家就手术部最新颁布《医院洁净手术部建设标准》、《医院洁净手术部建筑设计规范》填补手术部建设无国家标准空白,也代表医院手术部的洁净已得到有关部门的重视。目前ICU病房及隔离病房的市场也及其广阔。化妆品、保健品、食品未进行统计(化妆品要求细菌在100~1000CFU/g或ml以下,病原菌、大肠杆菌不得检出),但乳制品、纯净水生产制造商已对生产环境提出要求。市场定位:目前市场上洁净空调大多是有冷冻水的大风量高冷量的洁净组空机组,应用范围主要是大型新建洁净厂房。但还有很大部分的小型及改造洁净室,存在原因有药厂资金受限,老厂房层高低难于大的改造;医院受单个手术部不能交叉以防止互相感染;科研及生物实验室场地本不需很大。所以采用直膨式机组将是良好选择,可减少辅助用房面积无须专业维护人员,并做到一键开机一键关机,提高用房的有效使用率从另一侧面降低了业主的运行成本。综合上述考虑建议我们的机组做成直膨式机组风量选择6000~20000m3/h(此风量可实现80~300㎡的净化面积),高机外余压,空气处理能力强的空调机组。在国内目前...

1、当您付费下载文档后,您只拥有了使用权限,并不意味着购买了版权,文档只能用于自身使用,不得用于其他商业用途(如 [转卖]进行直接盈利或[编辑后售卖]进行间接盈利)。
2、本站所有内容均由合作方或网友上传,本站不对文档的完整性、权威性及其观点立场正确性做任何保证或承诺!文档内容仅供研究参考,付费前请自行鉴别。
3、如文档内容存在违规,或者侵犯商业秘密、侵犯著作权等,请点击“违规举报”。

碎片内容

蜗牛文库的最新文档

二年级数学下册其中检测卷二年级数学下册其中检测卷附答案#期中测试卷.pdf
10.00金币
0下载
二年级数学下册期末质检卷(苏教版)二年级数学下册期末质检卷(苏教版)#期末复习 #期末测试卷 #二年级数学 #二年级数学下册#关注我持续更新小学知识.pdf
10.00金币
0下载
二年级数学下册期末混合运算专项练习二年级数学下册期末混合运算专项练习#二年级#二年级数学下册#关注我持续更新小学知识 #知识分享 #家长收藏孩子受益.pdf
10.00金币
1下载
二年级数学下册年月日三类周期问题解题方法二年级数学下册年月日三类周期问题解题方法#二年级#二年级数学下册#知识分享 #关注我持续更新小学知识 #家长收藏孩子受益.pdf
10.00金币
0下载
二年级数学下册解决问题专项训练二年级数学下册解决问题专项训练#专项训练#解决问题#二年级#二年级数学下册#知识分享.pdf
10.00金币
1下载
二年级数学下册还原问题二年级数学下册还原问题#二年级#二年级数学#关注我持续更新小学知识 #知识分享 #家长收藏孩子受益.pdf
10.00金币
1下载
二年级数学下册第六单元考试卷家长打印出来给孩子测试测试争取拿到高分!#小学二年级试卷分享 #二年级第六单考试数学 #第六单考试#二年级数学下册.pdf
10.00金币
0下载
二年级数学下册必背顺口溜口诀汇总二年级数学下册必背顺口溜口诀汇总#二年级#二年级数学下册 #知识分享 #家长收藏孩子受益 #关注我持续更新小学知识.pdf
10.00金币
0下载
二年级数学下册《重点难点思维题》两大问题解决技巧和方法巧算星期几解决周期问题还原问题强化思维训练老师精心整理家长可以打印出来给孩子练习#家长收藏孩子受益 #学霸秘籍 #思维训练 #二年级 #知识点总结.pdf
10.00金币
0下载
二年级数学下册 必背公式大全寒假提前背一背开学更轻松#二年级 #二年级数学 #二年级数学下册 #寒假充电计划 #公式.pdf
10.00金币
0下载
蜗牛文库+ 关注
实名认证
内容提供者

提供各种专业文档内容

确认删除?
QQ
  • QQ点击这里给我发消息
微信客服
  • 微信客服
回到顶部