电脑桌面
添加蜗牛文库到电脑桌面
安装后可以在桌面快捷访问

燃煤电厂改造成联合循环的可行性分析.docVIP免费

燃煤电厂改造成联合循环的可行性分析.doc_第1页
燃煤电厂改造成联合循环的可行性分析.doc_第2页
燃煤电厂改造成联合循环的可行性分析.doc_第3页
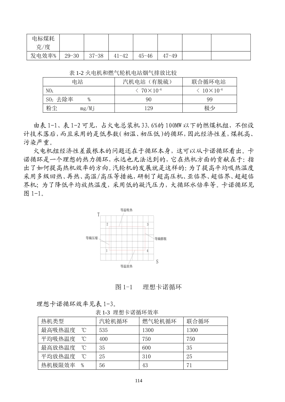
燃煤电厂改造成联合循环的可行性分析[内容摘要]燃煤电厂,特别是小型的燃煤电厂,效率低、煤耗大、能源浪费,并产生大量的SO2污染环境。大量的CO2产生温室效应,使地球逐年变暖,这是危及人类生存、令人类担忧的问题。本文建议,将燃煤电厂改造成联合循环,是解决这个问题的最有效措施之一。提出了改造配置方案例,改造后的性能以及大约的投资费用。最后用技术-经济分析的方法确定改造方案的可行性和效益。[关键词]燃煤电厂联合循环改造1燃煤电厂经济性现状和原因分析1998年,全国的电站装机总容量为2.773亿千瓦,其中火电机2.1亿千瓦,占总装机的75.5%;水电6507万千瓦,占23.5%;核电210万千瓦,占0.8%。至1999年,全国的电站装机总容量增加为2.94亿千瓦,年增长6.1%。火电300MW及以上的燃煤机组(亚临界机)总共6924万千瓦,占火电总装机的33.0%。300MW以下(不含300MW)的燃煤机组总共14493万千瓦,占火电总装机的67.0%:其中高压100MW机140台,1400万千瓦,占6.67%;超高压125MW机134台,1675万千瓦,占7.98%;超高压200MW机179台,3580万千瓦,占17.05%;苏制超高压鲍曼级210MW机17台,357万千瓦,占1.7%。100MW以下(不含100MW)的高压、中压、低压参数机组,共7060万千瓦,占33.6%。300MW以下(不含300MW)的燃煤机组,一般设计于50年代末至70年代初,但采用的都是前苏联四十年代的汽轮机设计技术。经济性低、煤耗大,相应的SO2和CO2的排放量也大,对环境产生较大污染。统计的供电效率和煤耗见表1-1,电站烟气排放见表1-2。表1-1火电机和燃气轮机电站效率比较简单循环联合循环汽轮机电站燃机电站燃气-蒸汽电站类型中压高压超高压亚临界超临界1200-1300双压/三压供电效率%21-2329-3134-3537-3839-4132-4248-58折合的供585-534424-396361-351332-323315-300384-293256-212113电标煤耗克/度发电效率%29-3037-3841-4245-4647-49表1-2火电机和燃气轮机电站烟气排放比较电站汽机电站(有脱硫)联合循环电站NOX<70×10-6<10×10-6SO2去除率%9099粉尘mg/Mj129极少由表1-1、表1-2可见,占火电总装机33.6%的100MW以下的燃煤机组,不但设计技术落后,而且采用的是低参数(初温、初压低)的循环,因此经济性差,煤耗高、污染严重。火电机组经济性差最根本的问题还在于循环本身,这可以从卡诺循环看出。卡诺循环是一个理想的热力循环,永远也无法达到的,它在热机方面的贡献在于:指出了如何提高热机效率的方向。汽轮机的发展就是这样的:为了提高平均吸...

1、当您付费下载文档后,您只拥有了使用权限,并不意味着购买了版权,文档只能用于自身使用,不得用于其他商业用途(如 [转卖]进行直接盈利或[编辑后售卖]进行间接盈利)。
2、本站所有内容均由合作方或网友上传,本站不对文档的完整性、权威性及其观点立场正确性做任何保证或承诺!文档内容仅供研究参考,付费前请自行鉴别。
3、如文档内容存在违规,或者侵犯商业秘密、侵犯著作权等,请点击“违规举报”。

碎片内容

蜗牛文库的最新文档

二年级数学下册其中检测卷二年级数学下册其中检测卷附答案#期中测试卷.pdf
10.00金币
0下载
二年级数学下册期末质检卷(苏教版)二年级数学下册期末质检卷(苏教版)#期末复习 #期末测试卷 #二年级数学 #二年级数学下册#关注我持续更新小学知识.pdf
10.00金币
0下载
二年级数学下册期末混合运算专项练习二年级数学下册期末混合运算专项练习#二年级#二年级数学下册#关注我持续更新小学知识 #知识分享 #家长收藏孩子受益.pdf
10.00金币
1下载
二年级数学下册年月日三类周期问题解题方法二年级数学下册年月日三类周期问题解题方法#二年级#二年级数学下册#知识分享 #关注我持续更新小学知识 #家长收藏孩子受益.pdf
10.00金币
0下载
二年级数学下册解决问题专项训练二年级数学下册解决问题专项训练#专项训练#解决问题#二年级#二年级数学下册#知识分享.pdf
10.00金币
1下载
二年级数学下册还原问题二年级数学下册还原问题#二年级#二年级数学#关注我持续更新小学知识 #知识分享 #家长收藏孩子受益.pdf
10.00金币
1下载
二年级数学下册第六单元考试卷家长打印出来给孩子测试测试争取拿到高分!#小学二年级试卷分享 #二年级第六单考试数学 #第六单考试#二年级数学下册.pdf
10.00金币
0下载
二年级数学下册必背顺口溜口诀汇总二年级数学下册必背顺口溜口诀汇总#二年级#二年级数学下册 #知识分享 #家长收藏孩子受益 #关注我持续更新小学知识.pdf
10.00金币
0下载
二年级数学下册《重点难点思维题》两大问题解决技巧和方法巧算星期几解决周期问题还原问题强化思维训练老师精心整理家长可以打印出来给孩子练习#家长收藏孩子受益 #学霸秘籍 #思维训练 #二年级 #知识点总结.pdf
10.00金币
0下载
二年级数学下册 必背公式大全寒假提前背一背开学更轻松#二年级 #二年级数学 #二年级数学下册 #寒假充电计划 #公式.pdf
10.00金币
0下载
蜗牛文库+ 关注
实名认证
内容提供者

提供各种专业文档内容

确认删除?
QQ
  • QQ点击这里给我发消息
微信客服
  • 微信客服
回到顶部