电脑桌面
添加蜗牛文库到电脑桌面
安装后可以在桌面快捷访问

某某污水处理器.docVIP免费

某某污水处理器.doc_第1页
某某污水处理器.doc_第2页
某某污水处理器.doc_第3页
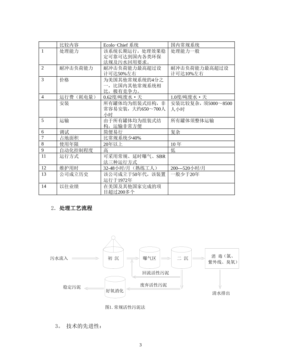
某某污水处理器商业可行性报告某某公司2004年2月28日简介我国于1999年共有中等城市161座,小城市场体422座.中小城市污水排放量占全国污水排放量的55.6%.而且大部分中小城市既分散又缺水,污水排放对我国的自然环境影响很大很广.必须对中小城市水污染进行控制,并实现循环经济,解决大部分中小城市的污水资源化的问题,这将对于中小城市及城镇的可持续发展是一个关键.中小城市的污水特点是污水量变化较大,污水水质变化较大,受雨天影响较大.但融资的渠道中小城市较大城市为少,而污水排水渠道或不够健全,或根本没有.美国科兰之星是适合于小城镇及开发区的组装水再生装置,起步于六十年代,1972年开始向全球销售.创造了至今无官司,无报废的记录.该装置适合每天27-30,000吨的处理能力,特别是1,000-30,000吨每天的项目.因为该装置成本有竞争力,基建速度快,节能及运行费用低,适合于无市政管道地区,污水可以就地处理就地消化及使用.随着人口的增加,装置的能力可以扩大.采用先进的设计技术,设备可仅仅用作1污水处理排放,也可作环境无公害的工厂,生产不同需求的中水及有机肥料.处理后的水质符合美国检疫局及环保局的标准.鉴于在小区内使用该设备无须化粪池,不须建造市政管道,占地面积较小,设备可以地埋.燥音及气味较小,中水及处理后的淤泥可作为商品出售.自动化程度高,维修费用低.因而该产品既是投资的好项目,又是中小城镇污水资源综合利用的成熟项目.处理工艺流程1.Chief工艺简介本方案采用常规活性污泥法为处理工艺,主要工艺设备采用美国Chief公司生产的Ecolo-Chief(科兰之星)#EC-400K污水处理系统。该装置的优点:(1).处理后的水质达到并超过美国检疫局及环保局对再生水30-30的国家标准即BOD达到30,SS达到30。实际科兰之星可以超过这个标准,达到一个新的水平20-20,甚至BOD达到10以下。生活污水可以得到100%的处理。处理后的水质可用于绿化及灌溉﹐加压及过虑后的水用于冲厕。(2).消化后的污泥呈固态,大大减少排放体积及次数。且为有机肥,可以出售﹐这是环境无公害装置。(3).该装置比国内同等装置省电30%-40%,只需一个操作工每天约工作2-4小时,故运行费用较低。(4).该装置已在过去的32年中全球出售200余套。至今无纠纷,无损坏。是成熟的大工业生产技术。(5).此装置安装快,运输容易,效率高(可达90%-95%),易操作,维修費用低(约2%),抗冲击力强,易于扩大处理能力,包括厂房在內的总面积小于国内同等装置,自动化程度高,不易损坏,气味小,装置...

1、当您付费下载文档后,您只拥有了使用权限,并不意味着购买了版权,文档只能用于自身使用,不得用于其他商业用途(如 [转卖]进行直接盈利或[编辑后售卖]进行间接盈利)。
2、本站所有内容均由合作方或网友上传,本站不对文档的完整性、权威性及其观点立场正确性做任何保证或承诺!文档内容仅供研究参考,付费前请自行鉴别。
3、如文档内容存在违规,或者侵犯商业秘密、侵犯著作权等,请点击“违规举报”。

碎片内容

蜗牛文库的最新文档

二年级数学下册其中检测卷二年级数学下册其中检测卷附答案#期中测试卷.pdf
10.00金币
0下载
二年级数学下册期末质检卷(苏教版)二年级数学下册期末质检卷(苏教版)#期末复习 #期末测试卷 #二年级数学 #二年级数学下册#关注我持续更新小学知识.pdf
10.00金币
0下载
二年级数学下册期末混合运算专项练习二年级数学下册期末混合运算专项练习#二年级#二年级数学下册#关注我持续更新小学知识 #知识分享 #家长收藏孩子受益.pdf
10.00金币
1下载
二年级数学下册年月日三类周期问题解题方法二年级数学下册年月日三类周期问题解题方法#二年级#二年级数学下册#知识分享 #关注我持续更新小学知识 #家长收藏孩子受益.pdf
10.00金币
0下载
二年级数学下册解决问题专项训练二年级数学下册解决问题专项训练#专项训练#解决问题#二年级#二年级数学下册#知识分享.pdf
10.00金币
1下载
二年级数学下册还原问题二年级数学下册还原问题#二年级#二年级数学#关注我持续更新小学知识 #知识分享 #家长收藏孩子受益.pdf
10.00金币
1下载
二年级数学下册第六单元考试卷家长打印出来给孩子测试测试争取拿到高分!#小学二年级试卷分享 #二年级第六单考试数学 #第六单考试#二年级数学下册.pdf
10.00金币
0下载
二年级数学下册必背顺口溜口诀汇总二年级数学下册必背顺口溜口诀汇总#二年级#二年级数学下册 #知识分享 #家长收藏孩子受益 #关注我持续更新小学知识.pdf
10.00金币
0下载
二年级数学下册《重点难点思维题》两大问题解决技巧和方法巧算星期几解决周期问题还原问题强化思维训练老师精心整理家长可以打印出来给孩子练习#家长收藏孩子受益 #学霸秘籍 #思维训练 #二年级 #知识点总结.pdf
10.00金币
0下载
二年级数学下册 必背公式大全寒假提前背一背开学更轻松#二年级 #二年级数学 #二年级数学下册 #寒假充电计划 #公式.pdf
10.00金币
0下载
蜗牛文库+ 关注
实名认证
内容提供者

提供各种专业文档内容

确认删除?
QQ
  • QQ点击这里给我发消息
微信客服
  • 微信客服
回到顶部