电脑桌面
添加蜗牛文库到电脑桌面
安装后可以在桌面快捷访问

湖北省XX市某某水电站.docVIP免费

湖北省XX市某某水电站.doc_第1页
湖北省XX市某某水电站.doc_第2页
湖北省XX市某某水电站.doc_第3页
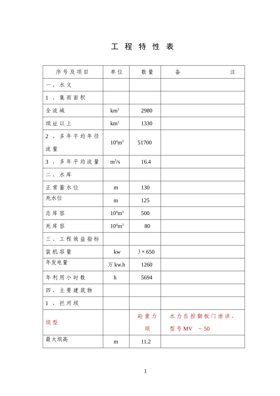
湖北省XX市某某水电站可行性研究报告二○○四年十二月工程特性表序号及项目单位数量备注一、水文1、集雨面积全流域km22980坝址以上km213302、多年平均年径流量104m3517003、多年平均流量m3/s16.4二、水库正常蓄水位m130死水位m125总库容104m3500死库容104m380三、工程效益指标装机容量kw3×650年发电量万kw.h1260年利用小时数h5694四、主要建筑物1、拦河坝坝型砼重力坝水力自控翻板门泄洪,型号MV-50最大坝高m11.21坝顶长度m170五、主要机电设备1、水轮机台数台3型号ZD760-LH-180(5°~15°)额定出力最大工作水头m11.2最小工作水头m6.2单机引用流量m3/s2、发电机台数台3型号SF250—1000-32—28—24单机容量kw650六、投资总投资万元1238.12单位千瓦投资元/kw6349前言某某水电站位于湖北省XX市西北部,坝址座落于XX、南漳、远安等(市)县交界处。电站尾水与下游漳河水库回水相衔接。本工程是沮漳河东支漳河上的一个梯级电站,其主要效益为发电,并兼有灌溉、养殖等综合效益。1958年12月湖北省水利厅勘测设计院提出了《沮漳河流域规划报告》,文中指出某某电站在漳河水库形成后应列入开发项目。21966年漳河水库基本建成全面受益。1976年荆州地区水利局、漳河水库管理局、XX县(市)水利局三家在共同测量、规划的基础上编制并呈报了《某某工程设计任务书》。XX市成立后,于1986年以荆计字[86]04号文和荆政文[86]16号文分别上报省计委和省政府,要求开展某某水电站的前期工作,当时省计委及省水利厅,分别以鄂计重字[86]200号和鄂水电[86]134号文作了批复,同意沙难河工程立项。同年,省计委又以鄂计重字[86]421号文下达了该电站前期工作计划和资金安排。同年9月,XX市水利局以荆水计字[86]17号文委托中南勘测设计院对沙难河工程进行可行性研究。1987年8月中南勘测设计院提交《漳河某某水利水电工程可行性研究阶段工程地质勘察报告》。1988年7月中南勘测设计院正式提交《湖北漳河某某水利水电工程可行性研究报告》。2004年6月XX市XX水电建设有限公司委托我院编制《某某水电站可行性研究报告》,我院同有关地质勘察院一同赴现场进行了工程地质勘探和现场查勘工作,进一步调查、收集了相关资料,设计院在上述工作的基础上进行了某某水电站可行性研究设计。某某电站设计总装机3×650KW,总库容500万m3,工程规模属小(1)型,拦河坝采用混凝土重力坝,水力自控翻板门泄洪。工程一年截流,一年坝体砌筑,从队伍进场至第一台机组发电工期为2年,总工期为2.5...

1、当您付费下载文档后,您只拥有了使用权限,并不意味着购买了版权,文档只能用于自身使用,不得用于其他商业用途(如 [转卖]进行直接盈利或[编辑后售卖]进行间接盈利)。
2、本站所有内容均由合作方或网友上传,本站不对文档的完整性、权威性及其观点立场正确性做任何保证或承诺!文档内容仅供研究参考,付费前请自行鉴别。
3、如文档内容存在违规,或者侵犯商业秘密、侵犯著作权等,请点击“违规举报”。

碎片内容

蜗牛文库的最新文档

二年级数学下册其中检测卷二年级数学下册其中检测卷附答案#期中测试卷.pdf
10.00金币
0下载
二年级数学下册期末质检卷(苏教版)二年级数学下册期末质检卷(苏教版)#期末复习 #期末测试卷 #二年级数学 #二年级数学下册#关注我持续更新小学知识.pdf
10.00金币
0下载
二年级数学下册期末混合运算专项练习二年级数学下册期末混合运算专项练习#二年级#二年级数学下册#关注我持续更新小学知识 #知识分享 #家长收藏孩子受益.pdf
10.00金币
1下载
二年级数学下册年月日三类周期问题解题方法二年级数学下册年月日三类周期问题解题方法#二年级#二年级数学下册#知识分享 #关注我持续更新小学知识 #家长收藏孩子受益.pdf
10.00金币
0下载
二年级数学下册解决问题专项训练二年级数学下册解决问题专项训练#专项训练#解决问题#二年级#二年级数学下册#知识分享.pdf
10.00金币
1下载
二年级数学下册还原问题二年级数学下册还原问题#二年级#二年级数学#关注我持续更新小学知识 #知识分享 #家长收藏孩子受益.pdf
10.00金币
1下载
二年级数学下册第六单元考试卷家长打印出来给孩子测试测试争取拿到高分!#小学二年级试卷分享 #二年级第六单考试数学 #第六单考试#二年级数学下册.pdf
10.00金币
0下载
二年级数学下册必背顺口溜口诀汇总二年级数学下册必背顺口溜口诀汇总#二年级#二年级数学下册 #知识分享 #家长收藏孩子受益 #关注我持续更新小学知识.pdf
10.00金币
0下载
二年级数学下册《重点难点思维题》两大问题解决技巧和方法巧算星期几解决周期问题还原问题强化思维训练老师精心整理家长可以打印出来给孩子练习#家长收藏孩子受益 #学霸秘籍 #思维训练 #二年级 #知识点总结.pdf
10.00金币
0下载
二年级数学下册 必背公式大全寒假提前背一背开学更轻松#二年级 #二年级数学 #二年级数学下册 #寒假充电计划 #公式.pdf
10.00金币
0下载
蜗牛文库+ 关注
实名认证
内容提供者

提供各种专业文档内容

确认删除?
QQ
  • QQ点击这里给我发消息
微信客服
  • 微信客服
回到顶部