电脑桌面
添加蜗牛文库到电脑桌面
安装后可以在桌面快捷访问

氨纶干法纺丝状态参数的计算.pdfVIP免费

氨纶干法纺丝状态参数的计算.pdf_第1页
氨纶干法纺丝状态参数的计算.pdf_第2页
氨纶干法纺丝状态参数的计算.pdf_第3页
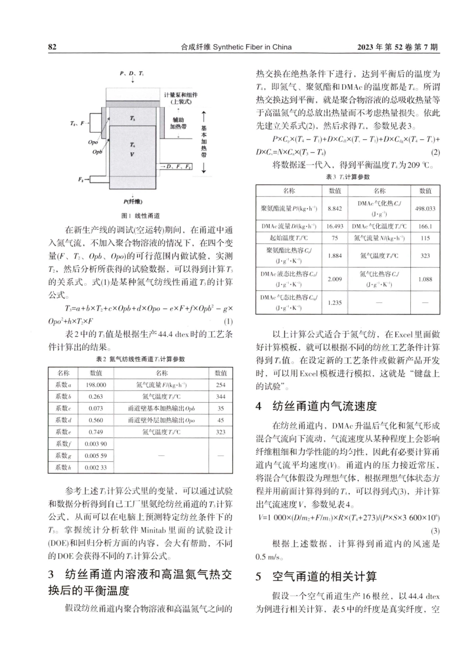
经验交流PDF下载2023,52(7)81氨纶干法纺丝状态参数的计算氨纶干法纺丝状态参数的计算摘要:根据纶的真实纤度和一些纺丝条件计算单个纺丝甬道的聚合物和溶剂流量,通过试验和对试验数据的分析获得热气流达到纺丝甬道上部时温度(T)的计算公式,假设热交换在绝热条件下进行,计算纺丝甬道内流体的平衡温度(T),从而计算出纺丝甬道内气流的平均速度。关键词:氨纶;干法纺丝;真实纤度;气流温度;气流速度中图分类号:TQ342.76文献标志码:B文章编号:1001-7054(2023)07-77-03自1956年氨纶工业化生产以来,干法纺丝用的气源有氮气和空气,无论采用哪种气源,在工程设计、产品研发和日常运行过程中,工艺人员主要关注那些通过测量可显示的工艺参数,如压力、流量、温度,而对于纺丝甬道内的那些难以测量的状态参数,如纺丝甬道内上部气流温度、热交换后的混合气流的平均温度和速度(这些是纺丝甬道内真正存在着的状态参数),因不易测量而易被遗忘。本文举例计算氨纶干法纺丝甬道内的几个关键状态参数,以期抛砖引玉。1单个纺丝甬道的溶液流量氨纶干法纺丝所用的溶液由聚氨酯和溶剂二甲基乙酰胺(DMAc)组成,进入一个纺丝甬道的溶液流量通常以纤度和纺丝速度为依据计算而得在生产过程中,为了使纤维在使用时能从丝饼上顺利退绕,要给纤维上油,含油率通常在4%左右。此外,由于DMAc不可能与聚氨酯完全分离,按照产品安全的要求,剩余质量分数要控制在1%以下,因此,为了获得氨纶的真实纤度,计算时要扣除油剂和溶剂这二种物质的含量。在实际生产过程中,部分氨纶厂使用真实纤度,标签上的44.4dtex就是真实纤度,而另一部分氨纶厂使用的纤度含油剂和DMAc。在计算纺丝流量时要根据该品种的平均油剂质量分数和平均DMAc质量分数进行换算,如:标签上的纤度为44.4dtex,含油率为4.5%,DMAc质量分数为0.55%,真实纤度=44.4×(1-0.045-0.0055)~42.2dtex。干法纺丝溶液里的聚氨酯质量分数(称为固含量)在聚合工序中会被严格控制,如固含量为34.5%,那么溶液里DMAc的质量分数就是65.5%。溶液进入甬道和高温气流进行热交换之前,经过了计量泵和水加热器后的温度通常是75~85℃,这里起始温度取75℃。假设氨纶真实纤度为44.4dtex,一个甬道生产48根丝,卷绕速度为785m/min,纤维在丝饼上被拉伸的百分比(PR)为12%,固含量为34.9%,根据上述情况可以计算出:聚氨酯流量为8.842kg/h;DMAc流量为16.493kg/h。进入纺丝甬道进行热交换的溶液参数见表1。表1进入纺丝甬道的溶...

1、当您付费下载文档后,您只拥有了使用权限,并不意味着购买了版权,文档只能用于自身使用,不得用于其他商业用途(如 [转卖]进行直接盈利或[编辑后售卖]进行间接盈利)。
2、本站所有内容均由合作方或网友上传,本站不对文档的完整性、权威性及其观点立场正确性做任何保证或承诺!文档内容仅供研究参考,付费前请自行鉴别。
3、如文档内容存在违规,或者侵犯商业秘密、侵犯著作权等,请点击“违规举报”。

碎片内容

蜗牛文库的最新文档

二年级数学下册其中检测卷二年级数学下册其中检测卷附答案#期中测试卷.pdf
10.00金币
0下载
二年级数学下册期末质检卷(苏教版)二年级数学下册期末质检卷(苏教版)#期末复习 #期末测试卷 #二年级数学 #二年级数学下册#关注我持续更新小学知识.pdf
10.00金币
0下载
二年级数学下册期末混合运算专项练习二年级数学下册期末混合运算专项练习#二年级#二年级数学下册#关注我持续更新小学知识 #知识分享 #家长收藏孩子受益.pdf
10.00金币
1下载
二年级数学下册年月日三类周期问题解题方法二年级数学下册年月日三类周期问题解题方法#二年级#二年级数学下册#知识分享 #关注我持续更新小学知识 #家长收藏孩子受益.pdf
10.00金币
0下载
二年级数学下册解决问题专项训练二年级数学下册解决问题专项训练#专项训练#解决问题#二年级#二年级数学下册#知识分享.pdf
10.00金币
1下载
二年级数学下册还原问题二年级数学下册还原问题#二年级#二年级数学#关注我持续更新小学知识 #知识分享 #家长收藏孩子受益.pdf
10.00金币
1下载
二年级数学下册第六单元考试卷家长打印出来给孩子测试测试争取拿到高分!#小学二年级试卷分享 #二年级第六单考试数学 #第六单考试#二年级数学下册.pdf
10.00金币
0下载
二年级数学下册必背顺口溜口诀汇总二年级数学下册必背顺口溜口诀汇总#二年级#二年级数学下册 #知识分享 #家长收藏孩子受益 #关注我持续更新小学知识.pdf
10.00金币
0下载
二年级数学下册《重点难点思维题》两大问题解决技巧和方法巧算星期几解决周期问题还原问题强化思维训练老师精心整理家长可以打印出来给孩子练习#家长收藏孩子受益 #学霸秘籍 #思维训练 #二年级 #知识点总结.pdf
10.00金币
0下载
二年级数学下册 必背公式大全寒假提前背一背开学更轻松#二年级 #二年级数学 #二年级数学下册 #寒假充电计划 #公式.pdf
10.00金币
0下载
蜗牛文库+ 关注
实名认证
内容提供者

提供各种专业文档内容

确认删除?
QQ
  • QQ点击这里给我发消息
微信客服
  • 微信客服
回到顶部