电脑桌面
添加蜗牛文库到电脑桌面
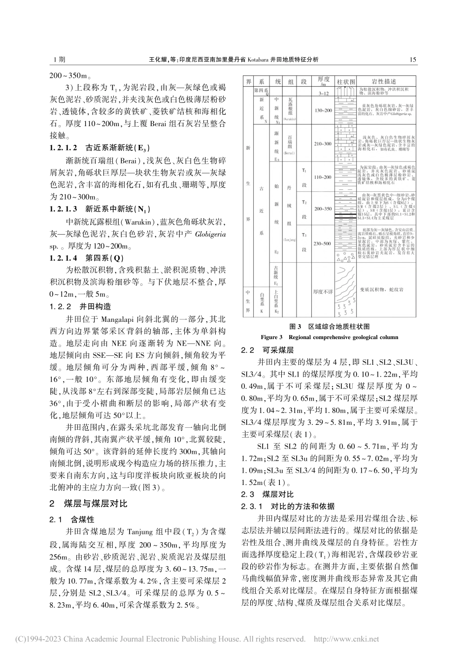
安装后可以在桌面快捷访问

印度尼西亚南加里曼丹省Ko...abara井田地质特征分析_王化耀.pdfVIP免费

印度尼西亚南加里曼丹省Ko...abara井田地质特征分析_王化耀.pdf_第1页
印度尼西亚南加里曼丹省Ko...abara井田地质特征分析_王化耀.pdf_第2页
印度尼西亚南加里曼丹省Ko...abara井田地质特征分析_王化耀.pdf_第3页
第35卷1期2023年1月中国煤炭地质COALGEOLOGYOFCHINAVol.35No.1Jan.2023doi:10.3969/j.issn.1674-1803.2023.01.03文章编号:1674-1803(2023)01-0013-06印度尼西亚南加里曼丹省Kotabara井田地质特征分析王化耀,牟兆刚(中国煤炭地质总局勘查研究总院,北京100039)摘要:Kotabara井田位于南加里曼丹省南部,属于古近系盆地之一的Asam-Asam盆地的一部分。井田构造简单,主体为单斜构造。井田内揭露地层由老至新为新生界古近系(E)、新近系(N)和第四系。其中古近系始新统丹戎组(Tanjung)中段(T2)为含煤层段,地层中含有丰富的煤炭资源,SL1、SL2、SL3U、SL3/4为主要煤层。主要可采煤层具有埋藏较浅、夹矸少、发热量高、稳定性好、开采条件好等特点。关键词:南加里曼丹;地质特征;煤层;古近系;Asam-Asam盆地中图分类号:P618.11文献标识码:AGeologicalFeatureAnalysisoftheMineFieldinKotabara,SouthKalimantanProvince,IndonesiaWANGHuayao,MOUZhaogang(GeneralProspectingInstitute,CNACG,Beijing100039)Abstract:TheKotabaraminefieldislocatedinthesouthofSouthKalimantanProvince,itisapartoftheAsam-Asambasinwhichbe-longstooneofthePaleogenebasins.Thegeologicalstructureintheminefieldissimple,itsmainbodyismonoclinestructure.ThestratauncoveredintheminefieldareCenozoicPaleogene(E),Neogene(N)andQuaternaryfromoldtonew.ThereintothemiddlepartofTanjungFormation(T2)ofEoceneinPaleogeneisacoal-bearingstrata,therearerichdepositsofcoalinthestrata,SL1,SL2,SL3UandSL3/4arethemaincoal-seams.Themainminablecoalseamhasthecharacteristicsofshallowburial,lessgangue,highcalorificvalue,goodstabilityandgoodminingconditions.Keywords:SouthKalimantan;geologicalfeature;coalseam;Paleogene;Asam-Asambasin第一作者简介:王化耀(1975—),男,广西桂林人,教授级高级工程师,长期从事煤田地质工作。E-mail:why020951@163.com收稿日期:2022-06-15责任编辑:宋博辇0引言Kotabara井田位于南加里曼丹省南部,梅拉图斯山脉(MeratusMountain)南部山脚下,井田北部距山脉轴线约为20km,南距爪哇海岸线约7km。加里曼丹岛划分为五部分,即东南西北中加里曼丹。除北加里曼丹为马来西亚、文莱的领土,其余归为印度尼西亚所辖。全岛面积约为74万km2,赤道从该岛中部穿过,恰好将该岛分为大约相等的两部分。最高峰为位于东北部的基纳巴卢山(Kinabalu)高4101m,自东北向...

1、当您付费下载文档后,您只拥有了使用权限,并不意味着购买了版权,文档只能用于自身使用,不得用于其他商业用途(如 [转卖]进行直接盈利或[编辑后售卖]进行间接盈利)。
2、本站所有内容均由合作方或网友上传,本站不对文档的完整性、权威性及其观点立场正确性做任何保证或承诺!文档内容仅供研究参考,付费前请自行鉴别。
3、如文档内容存在违规,或者侵犯商业秘密、侵犯著作权等,请点击“违规举报”。

碎片内容

蜗牛文库的最新文档

二年级数学下册其中检测卷二年级数学下册其中检测卷附答案#期中测试卷.pdf
10.00金币
0下载
二年级数学下册期末质检卷(苏教版)二年级数学下册期末质检卷(苏教版)#期末复习 #期末测试卷 #二年级数学 #二年级数学下册#关注我持续更新小学知识.pdf
10.00金币
0下载
二年级数学下册期末混合运算专项练习二年级数学下册期末混合运算专项练习#二年级#二年级数学下册#关注我持续更新小学知识 #知识分享 #家长收藏孩子受益.pdf
10.00金币
1下载
二年级数学下册年月日三类周期问题解题方法二年级数学下册年月日三类周期问题解题方法#二年级#二年级数学下册#知识分享 #关注我持续更新小学知识 #家长收藏孩子受益.pdf
10.00金币
0下载
二年级数学下册解决问题专项训练二年级数学下册解决问题专项训练#专项训练#解决问题#二年级#二年级数学下册#知识分享.pdf
10.00金币
1下载
二年级数学下册还原问题二年级数学下册还原问题#二年级#二年级数学#关注我持续更新小学知识 #知识分享 #家长收藏孩子受益.pdf
10.00金币
1下载
二年级数学下册第六单元考试卷家长打印出来给孩子测试测试争取拿到高分!#小学二年级试卷分享 #二年级第六单考试数学 #第六单考试#二年级数学下册.pdf
10.00金币
0下载
二年级数学下册必背顺口溜口诀汇总二年级数学下册必背顺口溜口诀汇总#二年级#二年级数学下册 #知识分享 #家长收藏孩子受益 #关注我持续更新小学知识.pdf
10.00金币
0下载
二年级数学下册《重点难点思维题》两大问题解决技巧和方法巧算星期几解决周期问题还原问题强化思维训练老师精心整理家长可以打印出来给孩子练习#家长收藏孩子受益 #学霸秘籍 #思维训练 #二年级 #知识点总结.pdf
10.00金币
0下载
二年级数学下册 必背公式大全寒假提前背一背开学更轻松#二年级 #二年级数学 #二年级数学下册 #寒假充电计划 #公式.pdf
10.00金币
0下载
蜗牛文库+ 关注
实名认证
内容提供者

提供各种专业文档内容

确认删除?
QQ
  • QQ点击这里给我发消息
微信客服
  • 微信客服
回到顶部