电脑桌面
添加蜗牛文库到电脑桌面
安装后可以在桌面快捷访问

QYMS 001-2015 安徽名山有机农业科技开发有限公司 岳西黑猪.pdfVIP免费

QYMS 001-2015 安徽名山有机农业科技开发有限公司 岳西黑猪.pdf_第1页
QYMS 001-2015 安徽名山有机农业科技开发有限公司 岳西黑猪.pdf_第2页
QYMS 001-2015 安徽名山有机农业科技开发有限公司 岳西黑猪.pdf_第3页
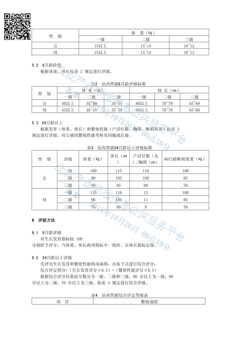
安徽名山有机农业科技开发有限公司企业标准Q/YMS001-2015岳西黑猪2014-12-16发布2015-01-16实施安徽名山有机农业科技开发有限公司发布备案2015年10月26日09点59分备案2015年10月26日09点59分岳西黑猪1范围本标准规定了岳西黑猪品种特征特性、品种评级、评级方法和种猪出场标准等。本标准适用于岳西黑猪品种鉴别和等级评定。2规范性引用文件下列文件对于本文件的应用是必不可少的。凡是注日期的引用文件,仅所注日期的版本适用于本文件。凡是不注日期的引用文件,其最新版本(包括所有的修改单)适用于本文件。GB16567种畜禽调运检疫技术规范NY/T820种猪登记技术规范NY/T5033无公害食品生猪饲养管理准则中华人民共和国动物防疫法3品种来源和类型岳西位于安徽省西南部,大别山腹地,地跨长江、淮河两大流域,境内山清水秀,森林覆盖率达73%。由霍山黑猪在大别山长期饲养选育而形成的肉脂兼用型猪种。4品种特征特性4.1体型外貌体型中等偏小,体质细致,头轻,嘴筒宽长,鼻面微凹,耳大下垂至嘴角,皮薄,毛稀,被毛黑色,头端、尾端及四肢末端为白色,腹微下垂,乳头七对以上。4.2繁殖性能小公猪4月龄,小母猪3.5月龄开始性成熟。母猪5~7月龄适配,初产母猪产仔8头左右,经产母猪每窝产活仔数9头~13头,仔猪初生重0.7kg,泌乳率高,30日龄断奶窝重41.7kg左右。母猪断奶后大部分能在7天内发情,情期受胎率90%以上。4.3生长性能两岁以上的成年公猪平均体重为60kg~100kg,体高为50cm~60cm,体长为95cm~115cm,胸围为85cm~105cm。成年母猪平均体重为70kg~110kg,体高为50cm~70cm,体长为90cm~110cm,胸围为90cm~110cm。育肥猪标准饲养平均日增重330g,100kg屠宰时,屠宰率70%,瘦肉率39%。5品种评级5.12月龄阶段凡血缘清楚,具有本品种特征,同胞无遗传缺陷者,按表1规定进行评级。表1岳西黑猪2月龄评级标准备案2015年10月26日09点59分备案2015年10月26日09点59分体重(㎏)性别一级二级三级公15以上13~1410~12母15以上13~1410~125.26月龄阶段根据体重、体长按表2规定进行评级。表2岳西黑猪6月龄评级标准体重(㎏)体长(㎝)性别一级二级三级一级二级三级公40以上35~3930~3480以上70~7965~69母45以上40~4435~3980以上70~7965~695.324月龄以上根据发育(体重、体长)和繁殖性能(产活仔数、胸围、断奶窝重)按表3规定进行评级。对公猪的繁殖性能考核其同胞或后裔。表3岳西黑猪24月龄以上评级标准性别评级体重(㎏)体长(㎝)产活仔数(头)/胸...

1、当您付费下载文档后,您只拥有了使用权限,并不意味着购买了版权,文档只能用于自身使用,不得用于其他商业用途(如 [转卖]进行直接盈利或[编辑后售卖]进行间接盈利)。
2、本站所有内容均由合作方或网友上传,本站不对文档的完整性、权威性及其观点立场正确性做任何保证或承诺!文档内容仅供研究参考,付费前请自行鉴别。
3、如文档内容存在违规,或者侵犯商业秘密、侵犯著作权等,请点击“违规举报”。

碎片内容

蜗牛文库的最新文档

二年级数学下册其中检测卷二年级数学下册其中检测卷附答案#期中测试卷.pdf
10.00金币
0下载
二年级数学下册期末质检卷(苏教版)二年级数学下册期末质检卷(苏教版)#期末复习 #期末测试卷 #二年级数学 #二年级数学下册#关注我持续更新小学知识.pdf
10.00金币
0下载
二年级数学下册期末混合运算专项练习二年级数学下册期末混合运算专项练习#二年级#二年级数学下册#关注我持续更新小学知识 #知识分享 #家长收藏孩子受益.pdf
10.00金币
1下载
二年级数学下册年月日三类周期问题解题方法二年级数学下册年月日三类周期问题解题方法#二年级#二年级数学下册#知识分享 #关注我持续更新小学知识 #家长收藏孩子受益.pdf
10.00金币
0下载
二年级数学下册解决问题专项训练二年级数学下册解决问题专项训练#专项训练#解决问题#二年级#二年级数学下册#知识分享.pdf
10.00金币
1下载
二年级数学下册还原问题二年级数学下册还原问题#二年级#二年级数学#关注我持续更新小学知识 #知识分享 #家长收藏孩子受益.pdf
10.00金币
1下载
二年级数学下册第六单元考试卷家长打印出来给孩子测试测试争取拿到高分!#小学二年级试卷分享 #二年级第六单考试数学 #第六单考试#二年级数学下册.pdf
10.00金币
0下载
二年级数学下册必背顺口溜口诀汇总二年级数学下册必背顺口溜口诀汇总#二年级#二年级数学下册 #知识分享 #家长收藏孩子受益 #关注我持续更新小学知识.pdf
10.00金币
0下载
二年级数学下册《重点难点思维题》两大问题解决技巧和方法巧算星期几解决周期问题还原问题强化思维训练老师精心整理家长可以打印出来给孩子练习#家长收藏孩子受益 #学霸秘籍 #思维训练 #二年级 #知识点总结.pdf
10.00金币
0下载
二年级数学下册 必背公式大全寒假提前背一背开学更轻松#二年级 #二年级数学 #二年级数学下册 #寒假充电计划 #公式.pdf
10.00金币
0下载
蜗牛文库+ 关注
实名认证
内容提供者

提供各种专业文档内容

确认删除?
QQ
  • QQ点击这里给我发消息
微信客服
  • 微信客服
回到顶部