电脑桌面
添加蜗牛文库到电脑桌面
安装后可以在桌面快捷访问

QXCZXD 0001-2015 北京正兴德茶叶有限公司 “正兴德”牌茉莉花茶.pdfVIP免费

QXCZXD 0001-2015 北京正兴德茶叶有限公司 “正兴德”牌茉莉花茶.pdf_第1页
QXCZXD 0001-2015 北京正兴德茶叶有限公司 “正兴德”牌茉莉花茶.pdf_第2页
QXCZXD 0001-2015 北京正兴德茶叶有限公司 “正兴德”牌茉莉花茶.pdf_第3页
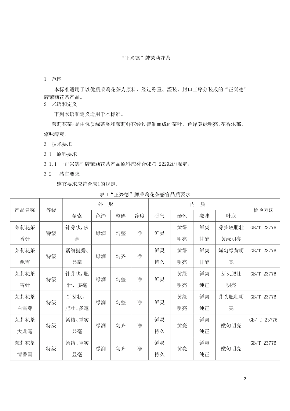
Q/XCZXD北京正兴德茶叶有限公司食品安全企业标准Q/XCZXD0001—2015代替Q/XWZXD001—2012“正兴德”牌茉莉花茶2015年10月10日实施2015年9月10日发布北京正兴德茶叶有限公司发布I前言依据《中华人民共和国食品安全法》,参考GB/T1.1的规定,本企业组织制定了《“正兴德”牌茉莉花茶》标准。本标准代替Q/XWZXD001—2012。——结合GB/T22292修订了范围的表述;——根据GB/T22292修订了术语和定义;本食品安全企业标准由北京正兴德茶叶有限公司提出。本标准主要起草人:张东臣、许新亮。本标准批准人:王会明本标准代号为Q/XCZXD0001—2015Q/XWZXD001—2009的历次版本发布情况为:——Q/XWZXD001—2009.8.30——Q/XWZXD001—2012.7.252“正兴德”牌茉莉花茶1范围本标准适用于以优质茉莉花茶为原料,经过称重、灌装、封口工序分装成的“正兴德”牌茉莉花茶产品。2术语和定义下列术语和定义适用于本标准。茉莉花茶:是由优质绿茶胚和茉莉鲜花经过窨制而成的茶叶,色泽黄绿明亮,花香浓郁,滋味醇爽。3技术要求3.1原料要求3.1.1“正兴德”牌茉莉花茶产品原料应符合GB/T22292的规定。3.2感官要求感官要求应符合表1的规定。表1“正兴德”牌茉莉花茶感官品质要求产品名称等级外形内质检验方法条索色泽整碎净度香气汤色滋味叶底茉莉花茶香针特级针芽状,多毫绿润匀整净鲜灵黄绿明亮鲜爽甘醇芽头较肥壮黄绿明亮GB/T23776茉莉花茶飘雪特级紧细挺秀、显毫绿润匀齐净鲜灵持久黄绿明亮鲜爽甘醇嫩匀绿黄明亮GB/T23776茉莉花茶雪针特级针芽状,肥壮、多毫绿润匀整净鲜灵黄绿明亮鲜爽纯正芽头肥壮明亮GB/T23776茉莉花茶白雪芽特级针芽状,肥壮、多毫绿润匀整净鲜灵黄绿明亮鲜爽纯正芽头肥壮明亮GB/T23776茉莉花茶大龙毫特级紧结、重实显毫绿润匀齐净鲜灵持久黄亮鲜爽纯正嫩匀明亮GB/T23776茉莉花茶清香雪特级紧结、重实显毫绿润匀齐净鲜灵持久黄亮鲜爽纯正嫩匀明亮GB/T237763表1“正兴德”牌茉莉花茶感官品质要求(续)产品名称等级外形内质检验方法条索色泽整碎净度香气汤色滋味叶底茉莉花茶雪芽特级紧结、细嫩、显毫、绿润匀齐净鲜灵持久黄亮鲜爽纯正芽叶肥壮黄绿明亮GB/T23776茉莉花茶金奖龙芽一级紧结匀直、显毫绿润匀整净鲜灵浓纯持久黄亮鲜爽浓醇柔嫩、明亮GB/T23776茉莉花茶金奖银毫一级紧直、有锋苗绿润匀整净浓纯持久黄亮鲜爽浓醇细嫩匀齐、明亮GB/T23776茉莉花茶天山银毫一级紧结匀直、显锋苗绿润匀整净浓纯持久清澈明亮浓醇细嫩匀齐、明亮GB/T237763.3理化指...

1、当您付费下载文档后,您只拥有了使用权限,并不意味着购买了版权,文档只能用于自身使用,不得用于其他商业用途(如 [转卖]进行直接盈利或[编辑后售卖]进行间接盈利)。
2、本站所有内容均由合作方或网友上传,本站不对文档的完整性、权威性及其观点立场正确性做任何保证或承诺!文档内容仅供研究参考,付费前请自行鉴别。
3、如文档内容存在违规,或者侵犯商业秘密、侵犯著作权等,请点击“违规举报”。

碎片内容

蜗牛文库的最新文档

二年级数学下册其中检测卷二年级数学下册其中检测卷附答案#期中测试卷.pdf
10.00金币
0下载
二年级数学下册期末质检卷(苏教版)二年级数学下册期末质检卷(苏教版)#期末复习 #期末测试卷 #二年级数学 #二年级数学下册#关注我持续更新小学知识.pdf
10.00金币
0下载
二年级数学下册期末混合运算专项练习二年级数学下册期末混合运算专项练习#二年级#二年级数学下册#关注我持续更新小学知识 #知识分享 #家长收藏孩子受益.pdf
10.00金币
1下载
二年级数学下册年月日三类周期问题解题方法二年级数学下册年月日三类周期问题解题方法#二年级#二年级数学下册#知识分享 #关注我持续更新小学知识 #家长收藏孩子受益.pdf
10.00金币
0下载
二年级数学下册解决问题专项训练二年级数学下册解决问题专项训练#专项训练#解决问题#二年级#二年级数学下册#知识分享.pdf
10.00金币
1下载
二年级数学下册还原问题二年级数学下册还原问题#二年级#二年级数学#关注我持续更新小学知识 #知识分享 #家长收藏孩子受益.pdf
10.00金币
1下载
二年级数学下册第六单元考试卷家长打印出来给孩子测试测试争取拿到高分!#小学二年级试卷分享 #二年级第六单考试数学 #第六单考试#二年级数学下册.pdf
10.00金币
0下载
二年级数学下册必背顺口溜口诀汇总二年级数学下册必背顺口溜口诀汇总#二年级#二年级数学下册 #知识分享 #家长收藏孩子受益 #关注我持续更新小学知识.pdf
10.00金币
0下载
二年级数学下册《重点难点思维题》两大问题解决技巧和方法巧算星期几解决周期问题还原问题强化思维训练老师精心整理家长可以打印出来给孩子练习#家长收藏孩子受益 #学霸秘籍 #思维训练 #二年级 #知识点总结.pdf
10.00金币
0下载
二年级数学下册 必背公式大全寒假提前背一背开学更轻松#二年级 #二年级数学 #二年级数学下册 #寒假充电计划 #公式.pdf
10.00金币
0下载
蜗牛文库+ 关注
实名认证
内容提供者

提供各种专业文档内容

确认删除?
QQ
  • QQ点击这里给我发消息
微信客服
  • 微信客服
回到顶部