电脑桌面
添加蜗牛文库到电脑桌面
安装后可以在桌面快捷访问

QJHJB 0005 S-2016 吉林黄金宝科技开发有限公司 蔬菜玉米粉制品.pdfVIP免费

QJHJB 0005 S-2016 吉林黄金宝科技开发有限公司 蔬菜玉米粉制品.pdf_第1页
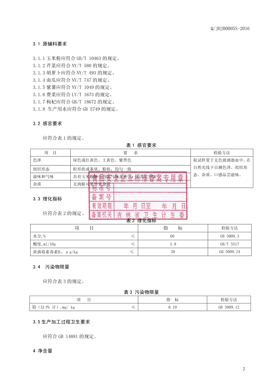
QJHJB 0005 S-2016 吉林黄金宝科技开发有限公司 蔬菜玉米粉制品.pdf_第2页
QJHJB 0005 S-2016 吉林黄金宝科技开发有限公司 蔬菜玉米粉制品.pdf_第3页
Q/JHJB0005S-2016222221S-20162016112920191128Q/JHJB备案号:222221S-2016有效期至:2019年11月28日吉林黄金宝科技开发有限公司企业标准Q/JHJB0005S-2016蔬菜玉米粉制品2016-06-27发布2016-06-27实施吉林黄金宝科技开发有限公司发布Q/JHJB0005S-20161蔬菜玉米粉制品1范围本标准适用于以玉米粉、芹菜、胡萝卜、南瓜、紫薯、费菜、枸杞,为原料,经处理、和面、加温挤出、二次挤出、成型、烘干、粉碎或不粉碎、整理、包装而成的非即食蔬菜玉米粉制品。2规范性引用文件下列文件对于本标准的应用是必不可少的。凡是注日期的引用文件,仅注日期的版本适用于本文件,凡是不注日期的引用文件,其最新版本(包括所有的修改单)适用于本文件。GB/T191包装储运图示标志GB2761食品安全国家标准食品中真菌毒素限量GB2762食品安全国家标准食品中污染物限量GB5009.3食品安全国家标准食品中水分的测定GB5009.12食品安全国家标准食品中铅的测定GB5009.24食品安全国家标准食品中黄曲霉毒素M1和B1的测定GB/T5517粮食、油料检验粮食酸度测定法GB5749生活饮用水卫生标准GB7718食品安全国家标准预包装食品标签通则GB9683复合食品包装袋卫生标准GB/T10463玉米粉GB14881食品安全国家标准食品生产通用卫生规范GB/T18672枸杞GB23350限制商品过度包装要求食品和化妆品GB28050食品安全国家标准预包装食品营养标签通则LS/T3212挂面NY/T493胡萝卜NY/T580芹菜NY/T747绿色食品瓜类蔬菜NY/T1049绿色食品薯芋类蔬菜LY/T1673山野菜JJF1070定量包装商品净含量计量检验规则国家质量监督检验检疫总局令第75号(2005)《定量包装商品计量监督管理办法》国家质量监督检验检疫总局令第123号(2009)《食品标识管理规定》3技术要求Q/JHJB0005S-201623.1原辅料要求3.1.1玉米粉应符合GB/T10463的规定。3.1.2芹菜应符合NY/T580的规定。3.1.3胡萝卜应符合NY/T493的规定。3.1.4南瓜应符合NY/T747的规定。3.1.5紫薯应符合NY/T1049的规定。3.1.6费菜应符合LY/T1673的规定。3.1.7枸杞应符合GB/T18672的规定。3.1.8生产用水应符合GB5749的规定。3.2感官要求应符合表1的规定。表1感官要求项目要求检验方法色泽绿色或红黄色、土黄色、紫黑色组织形态粒形状或条状、粉状,均匀一致滋味和气味具有玉米粉特有的滋气味及香气,无其它异味杂质无肉眼可见外来杂质取试样置于无色玻璃器血中,在自然光线下目测色泽、组织形态、杂质、口感品尝滋味。3.3理化指标应符合表2的规定。表2理化指标项目指标检验方法水分,%≤...

1、当您付费下载文档后,您只拥有了使用权限,并不意味着购买了版权,文档只能用于自身使用,不得用于其他商业用途(如 [转卖]进行直接盈利或[编辑后售卖]进行间接盈利)。
2、本站所有内容均由合作方或网友上传,本站不对文档的完整性、权威性及其观点立场正确性做任何保证或承诺!文档内容仅供研究参考,付费前请自行鉴别。
3、如文档内容存在违规,或者侵犯商业秘密、侵犯著作权等,请点击“违规举报”。

碎片内容

蜗牛文库的最新文档

二年级数学下册其中检测卷二年级数学下册其中检测卷附答案#期中测试卷.pdf
10.00金币
0下载
二年级数学下册期末质检卷(苏教版)二年级数学下册期末质检卷(苏教版)#期末复习 #期末测试卷 #二年级数学 #二年级数学下册#关注我持续更新小学知识.pdf
10.00金币
0下载
二年级数学下册期末混合运算专项练习二年级数学下册期末混合运算专项练习#二年级#二年级数学下册#关注我持续更新小学知识 #知识分享 #家长收藏孩子受益.pdf
10.00金币
1下载
二年级数学下册年月日三类周期问题解题方法二年级数学下册年月日三类周期问题解题方法#二年级#二年级数学下册#知识分享 #关注我持续更新小学知识 #家长收藏孩子受益.pdf
10.00金币
0下载
二年级数学下册解决问题专项训练二年级数学下册解决问题专项训练#专项训练#解决问题#二年级#二年级数学下册#知识分享.pdf
10.00金币
1下载
二年级数学下册还原问题二年级数学下册还原问题#二年级#二年级数学#关注我持续更新小学知识 #知识分享 #家长收藏孩子受益.pdf
10.00金币
1下载
二年级数学下册第六单元考试卷家长打印出来给孩子测试测试争取拿到高分!#小学二年级试卷分享 #二年级第六单考试数学 #第六单考试#二年级数学下册.pdf
10.00金币
0下载
二年级数学下册必背顺口溜口诀汇总二年级数学下册必背顺口溜口诀汇总#二年级#二年级数学下册 #知识分享 #家长收藏孩子受益 #关注我持续更新小学知识.pdf
10.00金币
0下载
二年级数学下册《重点难点思维题》两大问题解决技巧和方法巧算星期几解决周期问题还原问题强化思维训练老师精心整理家长可以打印出来给孩子练习#家长收藏孩子受益 #学霸秘籍 #思维训练 #二年级 #知识点总结.pdf
10.00金币
0下载
二年级数学下册 必背公式大全寒假提前背一背开学更轻松#二年级 #二年级数学 #二年级数学下册 #寒假充电计划 #公式.pdf
10.00金币
0下载
蜗牛文库+ 关注
实名认证
内容提供者

提供各种专业文档内容

确认删除?
QQ
  • QQ点击这里给我发消息
微信客服
  • 微信客服
回到顶部