电脑桌面
添加蜗牛文库到电脑桌面
安装后可以在桌面快捷访问

QBT 2296-1997 培养皿.pdfVIP免费

QBT 2296-1997 培养皿.pdf_第1页
QBT 2296-1997 培养皿.pdf_第2页
QBT 2296-1997 培养皿.pdf_第3页
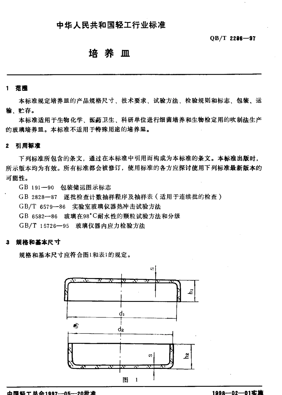
t分类编号1N64备案号:331-1997q日中华人民共和国轻工行业标准QB/T2296-97培养皿1997-05-20发布1998-02-01实施中国轻工总会发布前言本标准参考了英国BS611和德国l工N12339.本标准是对ZBN64003-88的修订。本标准与原标准的差别:在技术要求中将同一皿壁的高低差要求由原标准规定小90以上规格不得大于1,5mm,提高为不得大于1,3mm.本标准的实施过渡期为3个月。本标准由中国轻工总会质量标准部提出。本标准由全国玻璃仪器标准化技术委员会归口。本标准主要起草单位:中国轻工总会玻璃仪器质量监督检测中心,沈阳玻璃仪器厂。本标准主要起草人于占泉。自本标准实施之日起,原轻工业部发布的行业标准ZBN64003-88((培养皿》作房。标准分享网www.bzfxw.com免费下载中华人民共和国轻工行业标准QB/T2296-97培养皿1范围本标准规定培养皿的产品规格尺寸、技术要求、试验方法、检验规则和标志、包装、运翰、贮存。本标准适用于生物化学、医药卫生、科研单位进行细菌培养和生物检定用的吹制法生产的玻璃培养皿。本标准不适用于特殊用途的培养皿。2引用标准下列标准所包含的条文,通过在本标准中引用而构成为本标准的条文。本标准出版时,所示版本均为有效。所有标准都会被修订,使用标准的各方应探讨使用下列标准最新版本的可能性。GB191-90包装储运图示标志GB2828-87逐批检查计数抽样程序及抽样表(适用于连续批的检查)GB/T6579-86实验室玻璃仪器热冲击试验方法GB6582-86玻璃在98*C耐水性的颗粒试验方法和分级GB/T15726-95玻璃仪器内应力检验方法3规格和荟本尺寸规格和基本尺寸应符合图1和表1的规定。图1I中国轻工总会19盯一。5-20批准1998-02-01实旅QB/T129.一解表mm............200103+孟,5124+154+184千204+100一全一15一15180一〕_{22士227士227士227士220士1.525士1.530士230士230士21-21.2-2.21.5-2.51,8.3.01.8-3,0匡巴介·厅一·-。A1技术要求培养皿用无色透明玻璃制造,其理化性能应符合表2规定。表2项目规定1一1一!一一内应力(光程差)《耐水性能(级)耐热冲击(0C)》4.2外观要求4.2.1均匀度同一皿壁的不均匀程度应逐渐变化,其厚薄的差值(以厚边为基准)不得超过I/3,4,2.2同一皿壁的高低差:。)规格。0(包括。0)以下的不得大于Imm,b)规格90以上的不得大于1,3mm,4,2.3皿的平面。)外表面不得外凸。b)内表面的平面度:规格60,75为-

1、当您付费下载文档后,您只拥有了使用权限,并不意味着购买了版权,文档只能用于自身使用,不得用于其他商业用途(如 [转卖]进行直接盈利或[编辑后售卖]进行间接盈利)。
2、本站所有内容均由合作方或网友上传,本站不对文档的完整性、权威性及其观点立场正确性做任何保证或承诺!文档内容仅供研究参考,付费前请自行鉴别。
3、如文档内容存在违规,或者侵犯商业秘密、侵犯著作权等,请点击“违规举报”。

碎片内容

蜗牛文库的最新文档

二年级数学下册其中检测卷二年级数学下册其中检测卷附答案#期中测试卷.pdf
10.00金币
0下载
二年级数学下册期末质检卷(苏教版)二年级数学下册期末质检卷(苏教版)#期末复习 #期末测试卷 #二年级数学 #二年级数学下册#关注我持续更新小学知识.pdf
10.00金币
0下载
二年级数学下册期末混合运算专项练习二年级数学下册期末混合运算专项练习#二年级#二年级数学下册#关注我持续更新小学知识 #知识分享 #家长收藏孩子受益.pdf
10.00金币
1下载
二年级数学下册年月日三类周期问题解题方法二年级数学下册年月日三类周期问题解题方法#二年级#二年级数学下册#知识分享 #关注我持续更新小学知识 #家长收藏孩子受益.pdf
10.00金币
0下载
二年级数学下册解决问题专项训练二年级数学下册解决问题专项训练#专项训练#解决问题#二年级#二年级数学下册#知识分享.pdf
10.00金币
1下载
二年级数学下册还原问题二年级数学下册还原问题#二年级#二年级数学#关注我持续更新小学知识 #知识分享 #家长收藏孩子受益.pdf
10.00金币
1下载
二年级数学下册第六单元考试卷家长打印出来给孩子测试测试争取拿到高分!#小学二年级试卷分享 #二年级第六单考试数学 #第六单考试#二年级数学下册.pdf
10.00金币
0下载
二年级数学下册必背顺口溜口诀汇总二年级数学下册必背顺口溜口诀汇总#二年级#二年级数学下册 #知识分享 #家长收藏孩子受益 #关注我持续更新小学知识.pdf
10.00金币
0下载
二年级数学下册《重点难点思维题》两大问题解决技巧和方法巧算星期几解决周期问题还原问题强化思维训练老师精心整理家长可以打印出来给孩子练习#家长收藏孩子受益 #学霸秘籍 #思维训练 #二年级 #知识点总结.pdf
10.00金币
0下载
二年级数学下册 必背公式大全寒假提前背一背开学更轻松#二年级 #二年级数学 #二年级数学下册 #寒假充电计划 #公式.pdf
10.00金币
0下载
蜗牛文库+ 关注
实名认证
内容提供者

提供各种专业文档内容

确认删除?
QQ
  • QQ点击这里给我发消息
微信客服
  • 微信客服