电脑桌面
添加蜗牛文库到电脑桌面
安装后可以在桌面快捷访问

QBT 1421-2000 电阻焊罐身组合机.pdfVIP免费

QBT 1421-2000 电阻焊罐身组合机.pdf_第1页
QBT 1421-2000 电阻焊罐身组合机.pdf_第2页
QBT 1421-2000 电阻焊罐身组合机.pdf_第3页
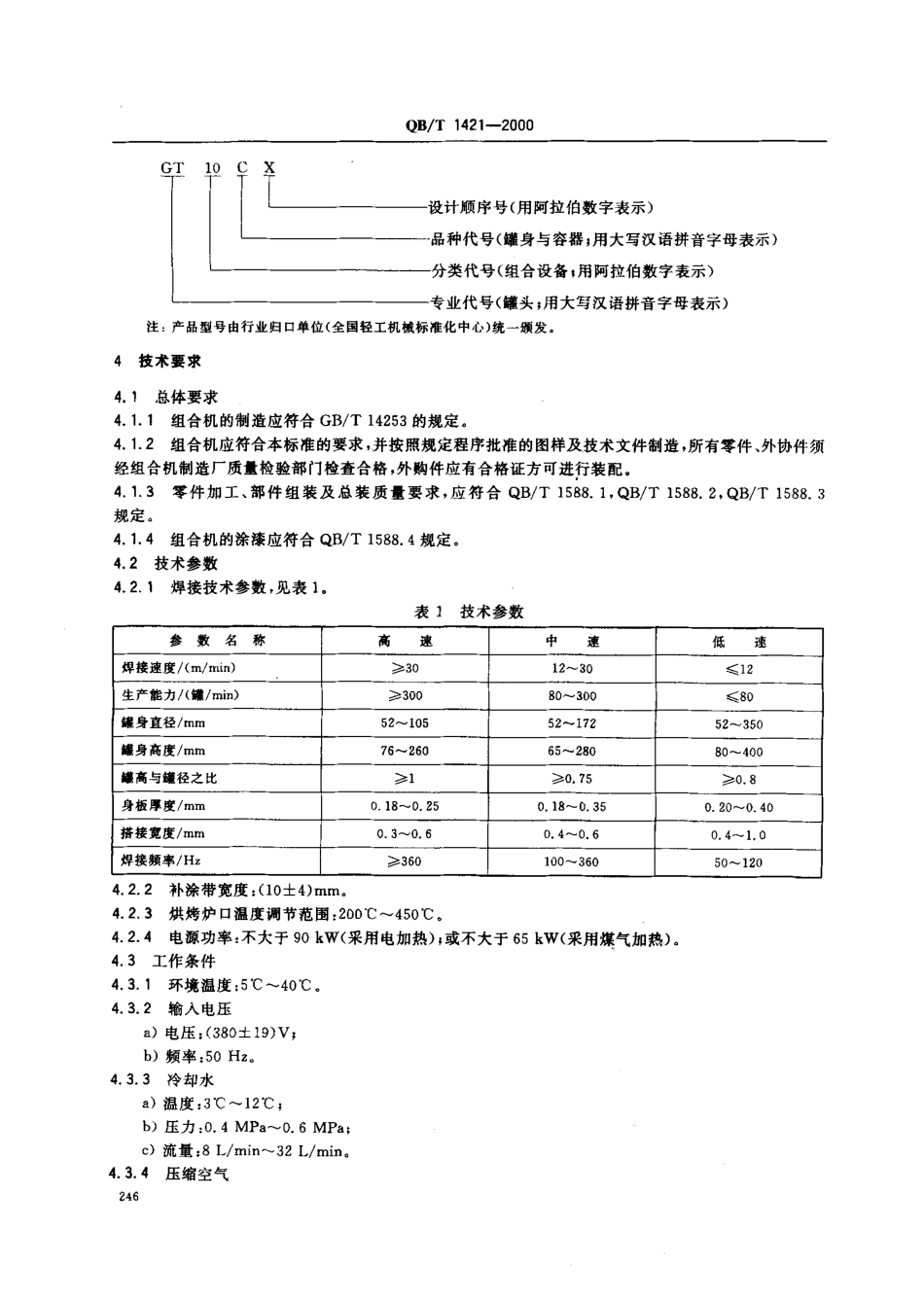
QB/T1421-2000前言本标准是对QB/T1421-1991《电阻焊罐身组合机》的修订。本标准在技术内容上与QB/T1421-1991有较大差异.—对原标准中的技术要求进行了较大修改。—取消了如下条款:1.在第2章“引用标准,中取消了QB/T842.4,QB/T842.5,QB/T842.6,ZBJ64008,ZBJ50004,JB/T2524共六项。2.取消了第8章“质it保证”。自本标准实施之日起,原轻工业部发布的行业标准QB/T1421-1991《电阻焊皓身组合机》废止。本标准由国家轻工业局行业管理司提出.本标准由全国轻工机械标准化技术委员会食品机械分技术委员会归口。本标准起草单位:北京航空工艺研究所(中国航空工业总公司第六二五研究所)、汕头轻工机械(集团)公司、中国航空工业总公司国营安中机械厂、青岛锻压机械集团公司。本标准主要起草人:陈芝光、郑志川、高文利、邢吉柏。中华人民共和国轻工行业标准QB/T1421-2000电阻焊罐身组合机代替QB/T1421-19911范围本标准规定了电阻焊罐身组合机的产品分类、技术要求、试验方法、检验规则和标志、包装、运输、贮存。本标准适用于由成形、焊接、补涂和烘干等工序组成的食品及工业用薄钢板金属容器自动和半自动电阻焊罐身组合机(以下简称“组合机,’)。2引用标准下列标准所包含的条文,通过在本标准中引用而构成为本标准的条文。本标准出版时,所示版本均为有效。所有标准都会被修订,使用本标准的各方应探讨使用下列标准最新版本的可能性。GB/T191-199。包装储运图示标志GB/T5226.1-1996工业机械电气设备第1部分:通用技术条件GB/T13306-1991标牌GB/T14253-1993轻工机械通用技术条件GB/T16768-1997金属切削机床噪声声压级的测定QB/T1588.1-1992轻工机械焊接件通用技术条件QB/T1588.2-1992轻工机械切削加工件通用技术条件QB/T1588.3-1992轻工机械装配通用技术条件QB/T1588.4-1993轻工机械涂漆通用技术条件QB/T1588.5-1996轻工机械包装通用技术条件3产品分类31按罐身规格分类a)大罐组合机:适用罐身直径99mm-350mm;b)小罐组合机:适用嗽身直径52mm-105mm,3.2按自动化程度分类a)半自动组合机:成形、焊接与补涂烘干等工序由单机完成;b)自动组合机:成形、焊接与补涂烘干等工序连续自动完成。3.3按焊接速度分类a)高速组合机:焊接速度)30m/min=b)中速组合机:焊接速度12m/min-30m/minic)低速组合机:焊接速度簇12m/min,3.4产品型号国家轻工业局2000-03-30批准2000-08-01实施245QB/T1421-2000GT10CX设计顺序号(用阿拉伯数字表示)品种代号(罐身与容器;用大写汉语拼音字母表示)分...

1、当您付费下载文档后,您只拥有了使用权限,并不意味着购买了版权,文档只能用于自身使用,不得用于其他商业用途(如 [转卖]进行直接盈利或[编辑后售卖]进行间接盈利)。
2、本站所有内容均由合作方或网友上传,本站不对文档的完整性、权威性及其观点立场正确性做任何保证或承诺!文档内容仅供研究参考,付费前请自行鉴别。
3、如文档内容存在违规,或者侵犯商业秘密、侵犯著作权等,请点击“违规举报”。

碎片内容

蜗牛文库的最新文档

二年级数学下册其中检测卷二年级数学下册其中检测卷附答案#期中测试卷.pdf
10.00金币
0下载
二年级数学下册期末质检卷(苏教版)二年级数学下册期末质检卷(苏教版)#期末复习 #期末测试卷 #二年级数学 #二年级数学下册#关注我持续更新小学知识.pdf
10.00金币
0下载
二年级数学下册期末混合运算专项练习二年级数学下册期末混合运算专项练习#二年级#二年级数学下册#关注我持续更新小学知识 #知识分享 #家长收藏孩子受益.pdf
10.00金币
1下载
二年级数学下册年月日三类周期问题解题方法二年级数学下册年月日三类周期问题解题方法#二年级#二年级数学下册#知识分享 #关注我持续更新小学知识 #家长收藏孩子受益.pdf
10.00金币
0下载
二年级数学下册解决问题专项训练二年级数学下册解决问题专项训练#专项训练#解决问题#二年级#二年级数学下册#知识分享.pdf
10.00金币
1下载
二年级数学下册还原问题二年级数学下册还原问题#二年级#二年级数学#关注我持续更新小学知识 #知识分享 #家长收藏孩子受益.pdf
10.00金币
1下载
二年级数学下册第六单元考试卷家长打印出来给孩子测试测试争取拿到高分!#小学二年级试卷分享 #二年级第六单考试数学 #第六单考试#二年级数学下册.pdf
10.00金币
0下载
二年级数学下册必背顺口溜口诀汇总二年级数学下册必背顺口溜口诀汇总#二年级#二年级数学下册 #知识分享 #家长收藏孩子受益 #关注我持续更新小学知识.pdf
10.00金币
0下载
二年级数学下册《重点难点思维题》两大问题解决技巧和方法巧算星期几解决周期问题还原问题强化思维训练老师精心整理家长可以打印出来给孩子练习#家长收藏孩子受益 #学霸秘籍 #思维训练 #二年级 #知识点总结.pdf
10.00金币
0下载
二年级数学下册 必背公式大全寒假提前背一背开学更轻松#二年级 #二年级数学 #二年级数学下册 #寒假充电计划 #公式.pdf
10.00金币
0下载
蜗牛文库+ 关注
实名认证
内容提供者

提供各种专业文档内容

确认删除?
QQ
  • QQ点击这里给我发消息
微信客服
  • 微信客服
回到顶部