电脑桌面
添加蜗牛文库到电脑桌面
安装后可以在桌面快捷访问

QBT 1826-1993 离心式卫生泵(已作废).pdfVIP免费

QBT 1826-1993 离心式卫生泵(已作废).pdf_第1页
QBT 1826-1993 离心式卫生泵(已作废).pdf_第2页
QBT 1826-1993 离心式卫生泵(已作废).pdf_第3页
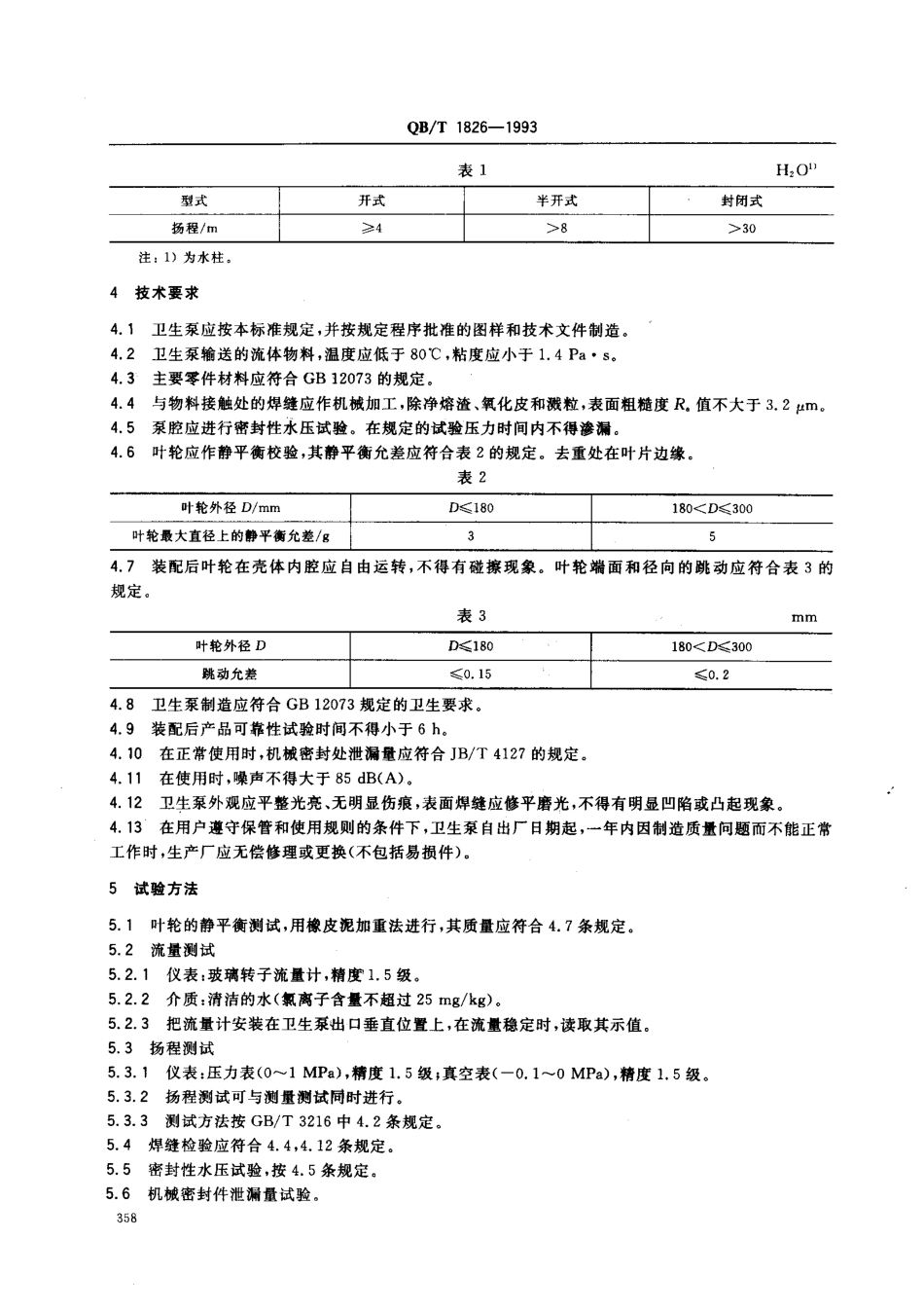
中华人民共和国轻工行业标准离心式卫生泵QB/T1826-19931主题内容与适用范围本标准规定了离心式卫生泵的产品分类、技术要求、试验方法、检验规则、标志、包装、运输、贮存等内容。本标准适用于乳与乳制品等食品流体物料箱送的离心式卫生泵(以下简称“卫生泵,’)。2引用标准GB/T191包装储运图示标志GB/T3216离心泵、混流泵、轴流泵和旋涡泵试验方法GB/T6388运输包装收发货标志GB12073乳品设备安全卫生JB/T8产品标牌JB/T4127机械密封技术条件QB/T842.8轻工机械衡器通用技术条件包装QB/T1823乳品机械型号编制方法ZBJ50004金属切削机床噪声声压级的测定3产品分类3.1卫生泵为:单级、单吸。3.1.1按叶轮结构可分:开式、半开式、封闭式。3.1.2按密封形式可分:单端面和双端面密封。3.2型号表示法型号按QB/T1823的规定,并结合产品特点编制。RYRB01一曰KBF封闭式半开式开式公称流t卫生泵乳泵运输(送)乳品机械3.33.4流量范围:1^-120kl丫h,扬程范围,见表1,中华人民共和国轻工业部1993-07-29批准1994-03-01实施3弓7QB/T1826-1993表1H,O0型式扬程/m塑>4半开式封闭式>30注:1)为水柱。4技术要求4.44.5卫生泵应按本标准规定,并按规定程序批准的图样和技术文件制造。卫生泵输送的流体物料,温度应低于800C,粘度应小于1.4Pa"s,主要零件材料应符合GB12073的规定。与物料接触处的焊缝应作机械加工,除净熔渣、氧化皮和溅粒,表面粗糙度R.值不大于3.2lem,泵腔应进行密封性水压试验。在规定的试验压力时间内不得渗漏。叶轮应作静平衡校验,其静平衡允差应符合表2的规定。去重处在叶片边缘。宪24.14.2434.6叶轮外径D/mmD<180180

1、当您付费下载文档后,您只拥有了使用权限,并不意味着购买了版权,文档只能用于自身使用,不得用于其他商业用途(如 [转卖]进行直接盈利或[编辑后售卖]进行间接盈利)。
2、本站所有内容均由合作方或网友上传,本站不对文档的完整性、权威性及其观点立场正确性做任何保证或承诺!文档内容仅供研究参考,付费前请自行鉴别。
3、如文档内容存在违规,或者侵犯商业秘密、侵犯著作权等,请点击“违规举报”。

碎片内容

蜗牛文库的最新文档

二年级数学下册其中检测卷二年级数学下册其中检测卷附答案#期中测试卷.pdf
10.00金币
0下载
二年级数学下册期末质检卷(苏教版)二年级数学下册期末质检卷(苏教版)#期末复习 #期末测试卷 #二年级数学 #二年级数学下册#关注我持续更新小学知识.pdf
10.00金币
0下载
二年级数学下册期末混合运算专项练习二年级数学下册期末混合运算专项练习#二年级#二年级数学下册#关注我持续更新小学知识 #知识分享 #家长收藏孩子受益.pdf
10.00金币
1下载
二年级数学下册年月日三类周期问题解题方法二年级数学下册年月日三类周期问题解题方法#二年级#二年级数学下册#知识分享 #关注我持续更新小学知识 #家长收藏孩子受益.pdf
10.00金币
0下载
二年级数学下册解决问题专项训练二年级数学下册解决问题专项训练#专项训练#解决问题#二年级#二年级数学下册#知识分享.pdf
10.00金币
1下载
二年级数学下册还原问题二年级数学下册还原问题#二年级#二年级数学#关注我持续更新小学知识 #知识分享 #家长收藏孩子受益.pdf
10.00金币
1下载
二年级数学下册第六单元考试卷家长打印出来给孩子测试测试争取拿到高分!#小学二年级试卷分享 #二年级第六单考试数学 #第六单考试#二年级数学下册.pdf
10.00金币
0下载
二年级数学下册必背顺口溜口诀汇总二年级数学下册必背顺口溜口诀汇总#二年级#二年级数学下册 #知识分享 #家长收藏孩子受益 #关注我持续更新小学知识.pdf
10.00金币
0下载
二年级数学下册《重点难点思维题》两大问题解决技巧和方法巧算星期几解决周期问题还原问题强化思维训练老师精心整理家长可以打印出来给孩子练习#家长收藏孩子受益 #学霸秘籍 #思维训练 #二年级 #知识点总结.pdf
10.00金币
0下载
二年级数学下册 必背公式大全寒假提前背一背开学更轻松#二年级 #二年级数学 #二年级数学下册 #寒假充电计划 #公式.pdf
10.00金币
0下载
蜗牛文库+ 关注
实名认证
内容提供者

提供各种专业文档内容

确认删除?
QQ
  • QQ点击这里给我发消息
微信客服
  • 微信客服