电脑桌面
添加蜗牛文库到电脑桌面
安装后可以在桌面快捷访问

QB 1257-1991 软聚氮乙烯吹塑薄膜.pdfVIP免费

QB 1257-1991 软聚氮乙烯吹塑薄膜.pdf_第1页
QB 1257-1991 软聚氮乙烯吹塑薄膜.pdf_第2页
QB 1257-1991 软聚氮乙烯吹塑薄膜.pdf_第3页
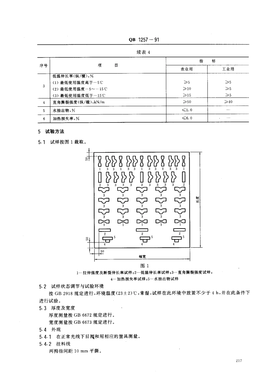
中华人民共和国轻工行业标准QB1257一91软聚氮乙烯吹塑薄膜1主题内容与适用范围本标准规定了软聚氯乙烯吹塑薄膜的产品分类、技术要求、试验方法、检验规则、标志、包装、运输和贮存。本标准适用于以聚氯乙烯树脂为主要原料,加人增塑剂、稳定剂及其他助剂,以吹塑方法制得的软聚氯乙烯吹塑薄膜(以下简称薄膜)。2}I用标准GB2918塑料试样状态调节和试验的标准环境GB6672塑料薄膜和薄片厚度的测定机械测量法GB6673塑料薄膜与片材长度和宽度的测定GB13022塑料薄膜拉伸性能试验方法HG2-163塑料低温伸长试验方法QB/T1130塑料直角撕裂性能试验方法3产品分类薄膜分为农业和工业用两种。4技术要求4.1规格及偏差应符合表1及表2要求。表1农业用薄膜工业用薄膜规格极限偏差规格极限偏差一等品合格品一等品合格品宽度(折径)厚度700^-1000>10000.060.080.100.12士15士20+0.020一0.010士0.020士0.020士0.025士20士25+0.025+0.015+0.025一0.020士0.025士0.030(200201^-300301-400401^-800801-1000>10000.040.060.080.10土3士5士5士10士15士20+0.020一0.010+0.020一0.010士0.020士0.020士8士15士20士25+0.025一0.010+0.025一0.015士0.025士0.025中华人民共和国轻工业部1991一10一17批准1992一03一01实施QB1257一91续表1mm农业用薄膜工业用薄膜规格极限偏差规格极限偏差一等品合格品一等品合格品0.120.140.160.180.22士0.025士0.030士0.030士0.035士0.040士0.030士0.035士0.035十0.040士0.045注:表中未列的厚度中间档次,厚度偏差按增厚的规格偏差执行表23a汉农业用薄膜工业用薄膜一等品合格品一等品合格品每段长度,m)20妻15妻5妻3每卷段数,段镇3簇4夏3镇44.2外观应符合表3要求。表3序号指标名称要求1“水纹”和“云雾”不允许有严重的“水纹”和‘云雾”2气泡、穿孔及破裂不允许3黑点和杂质不允许有。.6mm以上的黑点和杂质存在。0.3^-0.6--的黑点和杂质的允许量不得超过20个/mZ,分散度不得超过8个/(10X10)cm'4鱼眼和僵块0.6mm以上的鱼眼和僵块其分散度不得超过25个/(10X10)cm,5分解线不允许6挂料线不允许有在室温下平撕成直线的挂料线存在7平整性允许有少量活折8厚道不得多于二条,其超差数:厚度小于。.06mm薄膜,不得超过。.015mm,厚度大于0.06mm薄膜,不得超过。.025mm,每条厚道的宽度不得大于20mm9端面错位农业用薄膜端面错位不得超过60m-,工业用薄膜端面基本齐整10“起霜”现象不允许11粘闭性能揭开4.3物理机械性能应符合表4规定。表4序号项目指标农业用工...

1、当您付费下载文档后,您只拥有了使用权限,并不意味着购买了版权,文档只能用于自身使用,不得用于其他商业用途(如 [转卖]进行直接盈利或[编辑后售卖]进行间接盈利)。
2、本站所有内容均由合作方或网友上传,本站不对文档的完整性、权威性及其观点立场正确性做任何保证或承诺!文档内容仅供研究参考,付费前请自行鉴别。
3、如文档内容存在违规,或者侵犯商业秘密、侵犯著作权等,请点击“违规举报”。

碎片内容

蜗牛文库的最新文档

二年级数学下册其中检测卷二年级数学下册其中检测卷附答案#期中测试卷.pdf
10.00金币
0下载
二年级数学下册期末质检卷(苏教版)二年级数学下册期末质检卷(苏教版)#期末复习 #期末测试卷 #二年级数学 #二年级数学下册#关注我持续更新小学知识.pdf
10.00金币
0下载
二年级数学下册期末混合运算专项练习二年级数学下册期末混合运算专项练习#二年级#二年级数学下册#关注我持续更新小学知识 #知识分享 #家长收藏孩子受益.pdf
10.00金币
1下载
二年级数学下册年月日三类周期问题解题方法二年级数学下册年月日三类周期问题解题方法#二年级#二年级数学下册#知识分享 #关注我持续更新小学知识 #家长收藏孩子受益.pdf
10.00金币
0下载
二年级数学下册解决问题专项训练二年级数学下册解决问题专项训练#专项训练#解决问题#二年级#二年级数学下册#知识分享.pdf
10.00金币
1下载
二年级数学下册还原问题二年级数学下册还原问题#二年级#二年级数学#关注我持续更新小学知识 #知识分享 #家长收藏孩子受益.pdf
10.00金币
1下载
二年级数学下册第六单元考试卷家长打印出来给孩子测试测试争取拿到高分!#小学二年级试卷分享 #二年级第六单考试数学 #第六单考试#二年级数学下册.pdf
10.00金币
0下载
二年级数学下册必背顺口溜口诀汇总二年级数学下册必背顺口溜口诀汇总#二年级#二年级数学下册 #知识分享 #家长收藏孩子受益 #关注我持续更新小学知识.pdf
10.00金币
0下载
二年级数学下册《重点难点思维题》两大问题解决技巧和方法巧算星期几解决周期问题还原问题强化思维训练老师精心整理家长可以打印出来给孩子练习#家长收藏孩子受益 #学霸秘籍 #思维训练 #二年级 #知识点总结.pdf
10.00金币
0下载
二年级数学下册 必背公式大全寒假提前背一背开学更轻松#二年级 #二年级数学 #二年级数学下册 #寒假充电计划 #公式.pdf
10.00金币
0下载
蜗牛文库+ 关注
实名认证
内容提供者

提供各种专业文档内容

确认删除?
QQ
  • QQ点击这里给我发消息
微信客服
  • 微信客服
回到顶部