电脑桌面
添加蜗牛文库到电脑桌面
安装后可以在桌面快捷访问

NY-T 340-1998 天然橡胶初加工机械 洗涤机.pdfVIP免费

NY-T 340-1998 天然橡胶初加工机械 洗涤机.pdf_第1页
NY-T 340-1998 天然橡胶初加工机械 洗涤机.pdf_第2页
NY-T 340-1998 天然橡胶初加工机械 洗涤机.pdf_第3页
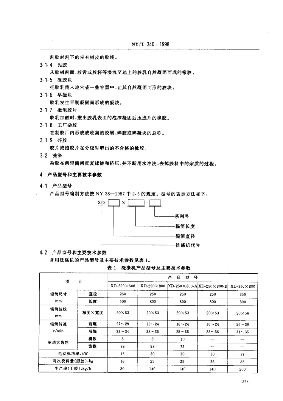
NY/T340-1998前言天然橡胶初加工机械洗涤机用于清洗天然橡胶杂胶中的杂质,是天然橡胶杂胶加工中的主要机械设备之一。本标准为首次制定,目前尚未搜集到有关的国际标准和国外先进标准。本标准为NY38-1987(原GB8091-1987)《天然橡胶初加工机械通用技术条件》的单机标准,与其配套使用。本标准由中华人民共和国农业部提出。本标准由农业部农垦局归口。本标准由海南省农垦营根机械厂负责起草,云南省热带作物机械厂、广东省湛江农垦第一机械厂参加起草.本标准主要起草人:陈旭东、杨永英、周志生。本标准委托海南省农垦营根机械厂负责解释。中华人民共和国农业行业标准天然橡胶初加工机械洗涤机NY/T340-1998Machineryforprimaryprocessingofnaturalrubber-Scrapwasher1范围本标准规定了天然橡胶初加工机械规则、标志、包装和运输。本标准适用于天然橡胶初加工机械洗涤机的产品型号、主要技术参数、技术要求、试骏方法、检验洗涤机(以下简称洗涤机)2引用标准下列标准所包含的条文,通过在本标准中引用而构成为本标准的条文。本标准出版时,所示版本均为有效。所有标准都会被修订,使用本标准的各方应探讨使用下列标准最新版本的可能性。GB/T699-1988优质碳素结构钢技术条件GB/T1184-1996形状和位置公差未注公差值GB/T1348-1988球墨铸铁件GB/T1801-1979公差与配合尺寸至500mm孔、轴公差带与配合GB/T2828-1987逐批检查计数抽样程序及抽样表(适用于连续批的检查)GB/丁3768-1996声学声压法测定噪声源声功率级反射面上方采用包络测量表面的简易法GB/T9439-1988灰铸铁件GB/T10095-1988渐开线圆柱齿轮精度GB/T11352-1989一般工程用铸造碳钢件GB/T13306-1991标牌N]/Z3-1983农机具涂漆NY38-1987天然橡胶初加工机械通用技术条件3定义本标准采用下列定义。3.1杂胶包括杯凝胶、胶线、树皮胶线、泥胶、湿胶块、早凝块、撇泡胶片、工厂杂胶和碎胶。3.1.1杯凝胶胶杯中胶乳自然凝固形成的凝块。3.1.2胶线橡胶树割口上残留的胶乳,自然凝固形成一条带状的橡胶。3.1.3树皮胶线中华人民共和国农业部1998-06-1,批准1999一01一01实施NY/'r340-1998割胶时割下的带有树皮的胶线。3门.4泥胶从胶树割面、胶舌或胶杯等溢流至地上的胶乳自然凝固而成的橡胶。3.1.5湿胶块把胶乳倒人地穴或一些容器中,让其自然凝固而形的胶块。3.1.6早凝块胶乳发生早期凝固而形成的凝块。3.1.7撇泡胶片胶乳加酸时,撇出胶乳表面的泡沫凝固后压成片的橡胶。3.1.8工厂杂胶在制胶厂内形成或收集的胶屑、...

1、当您付费下载文档后,您只拥有了使用权限,并不意味着购买了版权,文档只能用于自身使用,不得用于其他商业用途(如 [转卖]进行直接盈利或[编辑后售卖]进行间接盈利)。
2、本站所有内容均由合作方或网友上传,本站不对文档的完整性、权威性及其观点立场正确性做任何保证或承诺!文档内容仅供研究参考,付费前请自行鉴别。
3、如文档内容存在违规,或者侵犯商业秘密、侵犯著作权等,请点击“违规举报”。

碎片内容

蜗牛文库的最新文档

二年级数学下册其中检测卷二年级数学下册其中检测卷附答案#期中测试卷.pdf
10.00金币
0下载
二年级数学下册期末质检卷(苏教版)二年级数学下册期末质检卷(苏教版)#期末复习 #期末测试卷 #二年级数学 #二年级数学下册#关注我持续更新小学知识.pdf
10.00金币
0下载
二年级数学下册期末混合运算专项练习二年级数学下册期末混合运算专项练习#二年级#二年级数学下册#关注我持续更新小学知识 #知识分享 #家长收藏孩子受益.pdf
10.00金币
1下载
二年级数学下册年月日三类周期问题解题方法二年级数学下册年月日三类周期问题解题方法#二年级#二年级数学下册#知识分享 #关注我持续更新小学知识 #家长收藏孩子受益.pdf
10.00金币
0下载
二年级数学下册解决问题专项训练二年级数学下册解决问题专项训练#专项训练#解决问题#二年级#二年级数学下册#知识分享.pdf
10.00金币
1下载
二年级数学下册还原问题二年级数学下册还原问题#二年级#二年级数学#关注我持续更新小学知识 #知识分享 #家长收藏孩子受益.pdf
10.00金币
1下载
二年级数学下册第六单元考试卷家长打印出来给孩子测试测试争取拿到高分!#小学二年级试卷分享 #二年级第六单考试数学 #第六单考试#二年级数学下册.pdf
10.00金币
0下载
二年级数学下册必背顺口溜口诀汇总二年级数学下册必背顺口溜口诀汇总#二年级#二年级数学下册 #知识分享 #家长收藏孩子受益 #关注我持续更新小学知识.pdf
10.00金币
0下载
二年级数学下册《重点难点思维题》两大问题解决技巧和方法巧算星期几解决周期问题还原问题强化思维训练老师精心整理家长可以打印出来给孩子练习#家长收藏孩子受益 #学霸秘籍 #思维训练 #二年级 #知识点总结.pdf
10.00金币
0下载
二年级数学下册 必背公式大全寒假提前背一背开学更轻松#二年级 #二年级数学 #二年级数学下册 #寒假充电计划 #公式.pdf
10.00金币
0下载
蜗牛文库+ 关注
实名认证
内容提供者

提供各种专业文档内容

确认删除?
QQ
  • QQ点击这里给我发消息
微信客服
  • 微信客服
回到顶部