电脑桌面
添加蜗牛文库到电脑桌面
安装后可以在桌面快捷访问

NY 526-2002 水稻苗床调理剂.pdfVIP免费

NY 526-2002 水稻苗床调理剂.pdf_第1页
NY 526-2002 水稻苗床调理剂.pdf_第2页
NY 526-2002 水稻苗床调理剂.pdf_第3页
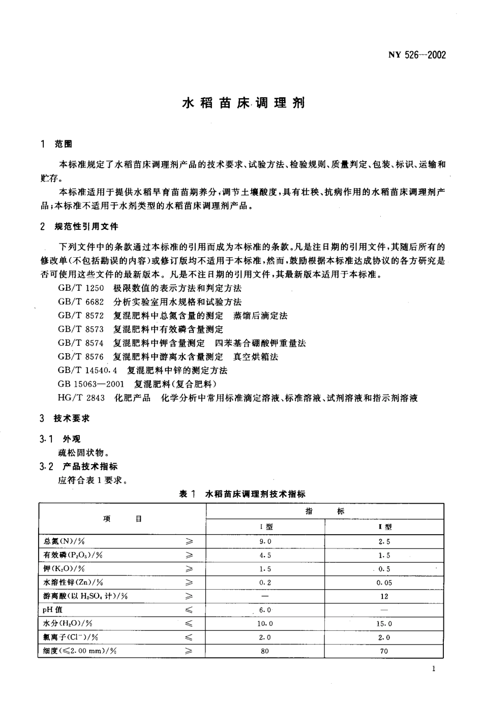
B131/中华人民共和国农业行业标准NY526一2002水稻苗床调理剂Ricenurserysoilconditioner2002一08一27发布2002一12一01实施中华人民共和国农业部发布NY526-20029l1吕本标准第3章、第5章、第6章,7.1,7.2,7.3为强制性条款,其余为推荐性条款。本标准由农业部种植业管理司提出。本标准起草单位:农业部肥料质量监督检验测试中心(沈阳)、沈阳农业大学、国家化肥质量监督检验中心(北京)、农业部肥料质量监督检验测试中心(武汉)。本标准主要起草人:陈洪斌、刘显东、梁成华、王敏、王忠良、于立宏、刘海涛。NY526-2002水稻苗床.调理剂范围本标准规定了水稻苗床调理剂产品的技术要求、试验方法、检验规则、质量判定、包装、标识、运输和贮存。本标准适用于提供水稻旱育苗苗期养分,调节土坡酸度,具有壮秧、抗病作用的水稻苗床调理剂产品;本标准不适用于水剂类型的水稻苗床调理剂产品。规范性引用文件下列文件中的条款通过本标准的引用而成为本标准的条款。凡是注日期的引用文件,其随后所有的修改单(不包括勘误的内容)或修订版均不适用于本标准,然而,鼓励根据本标准达成协议的各方研究是否可使用这些文件的最新版本。凡是不注日期的引用文件,其最新版本适用于本标准。GB/T125。极限数值的表示方法和判定方法GB/T6682分析实验室用水规格和试验方法GB/T8572复混肥料中总氮含量的测定蒸馏后滴定法GB/T8573复混肥料中有效磷含量测定GB/T8574复混肥料中钾含量测定四苯基合硼酸钾重量法GB/T8576复混肥料中游离水含量测定真空烘箱法GB/T14540.4复混肥料中锌的测定方法GB15063-2001复混肥料(复合肥料)HG/T2843化肥产品化学分析中常用标准滴定溶液、标准溶液、试剂溶液和指示剂溶液技术要求3.1外观疏松固状物。3.2产品技术指标应符合表1要求。表1水稻苗床调理荆技术指标项目指标I型I型总氮(N)/0/a)9.02.5有效磷(P205)/%)4.51.5钾(K,O)/%)1.50.5水溶性锌(Z.)/%)0.20.05游离酸(以H,SO。计)/%芬12pH值落6.0水分(H,O)/%簇10.015.0抓离子(Cl-)/%镇2.02.0细度(成2.00mm)/%)8070NY526-20024试验方法4.1基本要求本标准所用试剂在未加说明时均采用分析纯试剂。实验室用水应符合GB/T6682中规定的三级水要求。试验中所需标准滴定溶液应符合HG/T2843之规定。4.2外观目视法测定。4-3总氮含f的测定(蒸馏后滴定法)按GB/T8572规定进行。4.4有效磷含.的测定(磷钥酸哇晰皿f法)按GB/T8573规定进行。4.5钾含f的测定4.5.1四苯基合硼酸钾重t法当试样中氧化钾含量大于或等于2%时,按GB/T85...

1、当您付费下载文档后,您只拥有了使用权限,并不意味着购买了版权,文档只能用于自身使用,不得用于其他商业用途(如 [转卖]进行直接盈利或[编辑后售卖]进行间接盈利)。
2、本站所有内容均由合作方或网友上传,本站不对文档的完整性、权威性及其观点立场正确性做任何保证或承诺!文档内容仅供研究参考,付费前请自行鉴别。
3、如文档内容存在违规,或者侵犯商业秘密、侵犯著作权等,请点击“违规举报”。

碎片内容

蜗牛文库的最新文档

二年级数学下册其中检测卷二年级数学下册其中检测卷附答案#期中测试卷.pdf
10.00金币
0下载
二年级数学下册期末质检卷(苏教版)二年级数学下册期末质检卷(苏教版)#期末复习 #期末测试卷 #二年级数学 #二年级数学下册#关注我持续更新小学知识.pdf
10.00金币
0下载
二年级数学下册期末混合运算专项练习二年级数学下册期末混合运算专项练习#二年级#二年级数学下册#关注我持续更新小学知识 #知识分享 #家长收藏孩子受益.pdf
10.00金币
1下载
二年级数学下册年月日三类周期问题解题方法二年级数学下册年月日三类周期问题解题方法#二年级#二年级数学下册#知识分享 #关注我持续更新小学知识 #家长收藏孩子受益.pdf
10.00金币
0下载
二年级数学下册解决问题专项训练二年级数学下册解决问题专项训练#专项训练#解决问题#二年级#二年级数学下册#知识分享.pdf
10.00金币
1下载
二年级数学下册还原问题二年级数学下册还原问题#二年级#二年级数学#关注我持续更新小学知识 #知识分享 #家长收藏孩子受益.pdf
10.00金币
1下载
二年级数学下册第六单元考试卷家长打印出来给孩子测试测试争取拿到高分!#小学二年级试卷分享 #二年级第六单考试数学 #第六单考试#二年级数学下册.pdf
10.00金币
0下载
二年级数学下册必背顺口溜口诀汇总二年级数学下册必背顺口溜口诀汇总#二年级#二年级数学下册 #知识分享 #家长收藏孩子受益 #关注我持续更新小学知识.pdf
10.00金币
0下载
二年级数学下册《重点难点思维题》两大问题解决技巧和方法巧算星期几解决周期问题还原问题强化思维训练老师精心整理家长可以打印出来给孩子练习#家长收藏孩子受益 #学霸秘籍 #思维训练 #二年级 #知识点总结.pdf
10.00金币
0下载
二年级数学下册 必背公式大全寒假提前背一背开学更轻松#二年级 #二年级数学 #二年级数学下册 #寒假充电计划 #公式.pdf
10.00金币
0下载
蜗牛文库+ 关注
实名认证
内容提供者

提供各种专业文档内容

确认删除?
QQ
  • QQ点击这里给我发消息
微信客服
  • 微信客服
回到顶部