电脑桌面
添加蜗牛文库到电脑桌面
安装后可以在桌面快捷访问

SCT 8054.2-1998 渔船制冷系统修理技术要求 10系列船用活塞式压缩机修理.pdfVIP免费

SCT 8054.2-1998 渔船制冷系统修理技术要求 10系列船用活塞式压缩机修理.pdf_第1页
SCT 8054.2-1998 渔船制冷系统修理技术要求 10系列船用活塞式压缩机修理.pdf_第2页
SCT 8054.2-1998 渔船制冷系统修理技术要求 10系列船用活塞式压缩机修理.pdf_第3页
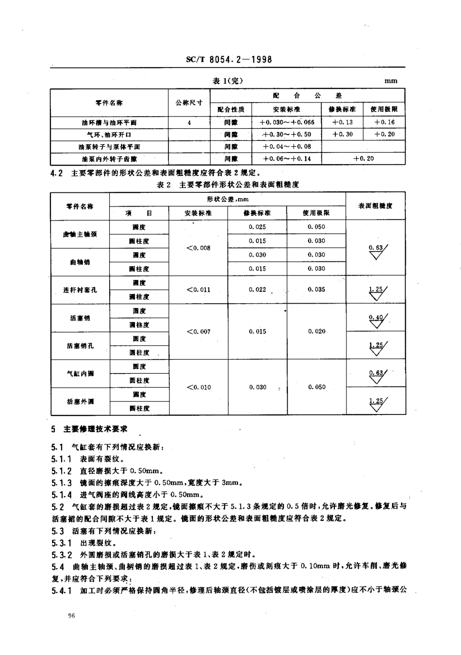
SC/T8054.2-1998前言e渔船冷截系统修理质量标准》于1980年由国家水产总局首次发布。1987年进行第一次修订,名称修订为《渔船氟利昂制冷系统修理技术要求》,内容变为三个分项标准,即:①试验要求;②10系列船用活塞式压缩机修理;③管路、辅助设备、绝热设施修理。本次修订对冷剂作特殊要求,部分内容做技术性修改,名称修订为:《渔船制冷系统修理技术要求》,仍保持三个分项标准的框架。本分项标准为《渔船制冷系统修理技术要求10系列船用活塞式压缩机修理》。本标准由全国渔船标准化技术委员会提出并归口。本标准起草单位:广州市海洋渔业公司、中国水产科学研究院质量标准化办公室本标准主要起草人:卢谋权、冯兆廷、魏广东。称科中华人民共和国水产行业标准渔船制冷系统修理技术要求14系列船用活塞式压缩机修理SC/T8054.2一1998代替SC54.2-87Technicalrequirementsforrepairingoffishingvesselrefrigerationsystem-Repairingof10seriesmarinepistonrefrigeratingcompressor1范围本标准规定了10系列船用活塞式制冷压缩机修理及安装技术要求。本标准适用于渔船10系列活塞式制冷压缩机修理、枪验。2引用标准下列标准所包含的条文,通过在本标准中引用而构成为本标准的条文。本标准出版时,所示版本均为有效。所有标准都会被修订,使用本标准的各方应探讨使用下列标准最新版本的可能性。SC/T8054.1-1998渔船制冷系统修理技术要求试验要求3一艘规定3.1梭修中新配的零部件应符合原设计要求,允许采用代用件和代用材料。3.2制冷压缩机或其他部件修理后,应按SC/T8054.1试验要求进行试验。4主要技术依据4.,主要零部件配合公差应按表1规定。表1主要零部件配合公差mm零件名称公称尺寸皮合公差配合性质安装标准修换标准搜用极限机体轴承座孔与轴承座外圈0245何除010-+0.075轴承座孔与主轴承外圆090过晾-0.011^+0.046主轴承与主轴颐078间破十0.03^+0.106+0.16+0.20连杆轴瓦与曲轴铂乒78间眯十0.03^-+0.106+0.16十0.20曲轴与主轴承平面何眯十0.75~十1.50连杆小端孔与衬套外圆,好5过嗦-0.009~一0.050连杆衬套与活塞梢035间隙十0.018^-+0.054十0.乃7+0.10活塞销孔与活塞销435过晾一0.018^-+0.023+0.03+0.04气缸套与活塞裙部"100间砍十0.154-+0.263+0.40一卜060气环槽与气环平面3间晾+0.020-+0.060+0.10+0.13中华人民共和国农业部1998-06-11批准1999一41一01实施SC/T8054.2一1998表1(完)零件名称公称尺寸配合公差配合性质安装标准修换标准使用极限油环摘与油环平...

1、当您付费下载文档后,您只拥有了使用权限,并不意味着购买了版权,文档只能用于自身使用,不得用于其他商业用途(如 [转卖]进行直接盈利或[编辑后售卖]进行间接盈利)。
2、本站所有内容均由合作方或网友上传,本站不对文档的完整性、权威性及其观点立场正确性做任何保证或承诺!文档内容仅供研究参考,付费前请自行鉴别。
3、如文档内容存在违规,或者侵犯商业秘密、侵犯著作权等,请点击“违规举报”。

碎片内容

蜗牛文库的最新文档

二年级数学下册其中检测卷二年级数学下册其中检测卷附答案#期中测试卷.pdf
10.00金币
0下载
二年级数学下册期末质检卷(苏教版)二年级数学下册期末质检卷(苏教版)#期末复习 #期末测试卷 #二年级数学 #二年级数学下册#关注我持续更新小学知识.pdf
10.00金币
0下载
二年级数学下册期末混合运算专项练习二年级数学下册期末混合运算专项练习#二年级#二年级数学下册#关注我持续更新小学知识 #知识分享 #家长收藏孩子受益.pdf
10.00金币
1下载
二年级数学下册年月日三类周期问题解题方法二年级数学下册年月日三类周期问题解题方法#二年级#二年级数学下册#知识分享 #关注我持续更新小学知识 #家长收藏孩子受益.pdf
10.00金币
0下载
二年级数学下册解决问题专项训练二年级数学下册解决问题专项训练#专项训练#解决问题#二年级#二年级数学下册#知识分享.pdf
10.00金币
1下载
二年级数学下册还原问题二年级数学下册还原问题#二年级#二年级数学#关注我持续更新小学知识 #知识分享 #家长收藏孩子受益.pdf
10.00金币
1下载
二年级数学下册第六单元考试卷家长打印出来给孩子测试测试争取拿到高分!#小学二年级试卷分享 #二年级第六单考试数学 #第六单考试#二年级数学下册.pdf
10.00金币
0下载
二年级数学下册必背顺口溜口诀汇总二年级数学下册必背顺口溜口诀汇总#二年级#二年级数学下册 #知识分享 #家长收藏孩子受益 #关注我持续更新小学知识.pdf
10.00金币
0下载
二年级数学下册《重点难点思维题》两大问题解决技巧和方法巧算星期几解决周期问题还原问题强化思维训练老师精心整理家长可以打印出来给孩子练习#家长收藏孩子受益 #学霸秘籍 #思维训练 #二年级 #知识点总结.pdf
10.00金币
0下载
二年级数学下册 必背公式大全寒假提前背一背开学更轻松#二年级 #二年级数学 #二年级数学下册 #寒假充电计划 #公式.pdf
10.00金币
0下载
蜗牛文库+ 关注
实名认证
内容提供者

提供各种专业文档内容

确认删除?
QQ
  • QQ点击这里给我发消息
微信客服
  • 微信客服
回到顶部