电脑桌面
添加蜗牛文库到电脑桌面
安装后可以在桌面快捷访问

SCT 8061-2001 玻璃钢渔船船体制图.pdfVIP免费

SCT 8061-2001 玻璃钢渔船船体制图.pdf_第1页
SCT 8061-2001 玻璃钢渔船船体制图.pdf_第2页
SCT 8061-2001 玻璃钢渔船船体制图.pdf_第3页
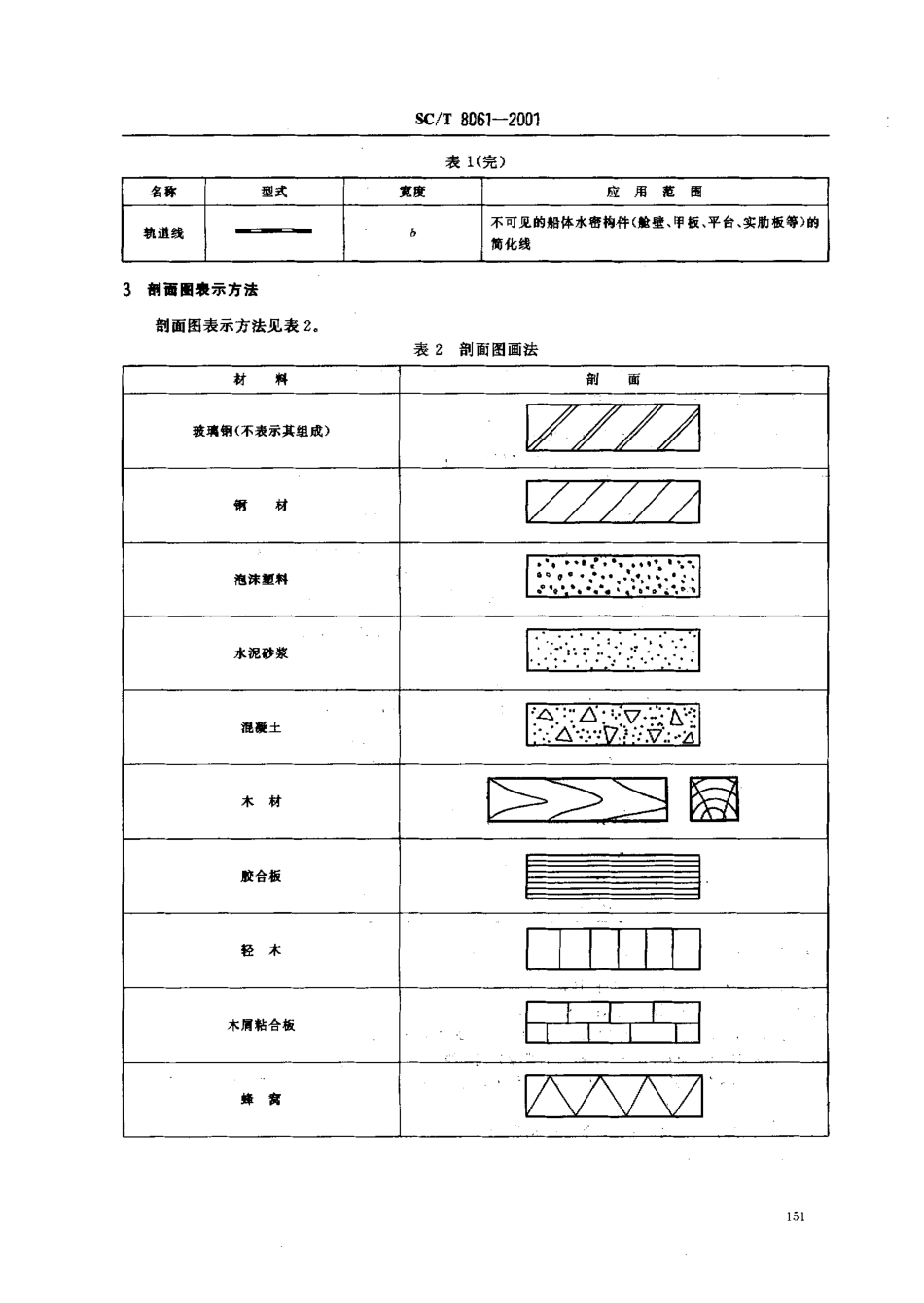
SC/T8061-2001前言本标准由农业部渔业局提出。本标准由中国水产科学院归口。本标准起草单位:中国水产科学研究院渔业工程研究所。本标准主要起草人:史春光、李滨生。卿中华人民共和国水产行业标准玻璃钢渔船船体制图SC/T8061-2001Helldiego川anoffiberglassreinforcedplasticsfishingvessel,范围本标准规定了玻璃钢渔船船体图线及其应用、剖面图表示方法、船体的主要材料名称及符号、船体构件理论线确定、积层板敷层组成表示方法、骨材剖面尺寸标注方法、图样画法(总布置图、型线图、主要横剖面图、基本结构图).本标准适用于玻璃钢渔船船体制图。2圈线及其应用图线及其应用见表1,表1图线画法名称型式宽度应用范围粗实线B(0.4mm^1.2mm)a)积层板材,骨材剖面简化线b)名称线c)傲层线(在玻确钥铺层组成详图中表示毡)细实线簇b/3a)本图构件可见轮麻线b)敷层线(在玻璃钥铺层组成详图中表示布)c)指引线、规格线d)理论线、基线、型线e)尺寸线和尺寸界限线粗虚线B不可见积层板材及夹层板材简化线细虚线簇b/3a)不可见构件轮脚线b)不可见骨材简化线c)敷层线(在玻确钢铺层组成详图中表示无捻粗纱布)粗点划线B可见强骨材的简化线粗双点划线B不可见强骨材的简划线细点划线)胶合板匡墓墓鑫羹到卜一-一--—.一卜一---一一一一--一一一--卜一一—叫一一轻木}.}}川{口口口口口口木屑枯合板份书一司.}一}}口{1一I}蜂窝’.{八八八川‘口\八/\/151SCIT8061=2001表2(完)材料剖面玻瑞俐骨材半圈形-厂、一梯形Jt矩形丁七角形L4玻瑞钥般体的主要材料名称及符号玻瑞钢船体的主要材料名称及符号见表3,表3材料名称及符号序号名称符号备注1玻瑞翩FRP增强材料为玻确纤维或其制品2短切玻璃纤维毡M将随机均匀散布的短切玻确纤维用枯结剂固定的,外观象毡的无纺玻瑞纤维制品3无捻粗纱布R用玻确纤维...

1、当您付费下载文档后,您只拥有了使用权限,并不意味着购买了版权,文档只能用于自身使用,不得用于其他商业用途(如 [转卖]进行直接盈利或[编辑后售卖]进行间接盈利)。
2、本站所有内容均由合作方或网友上传,本站不对文档的完整性、权威性及其观点立场正确性做任何保证或承诺!文档内容仅供研究参考,付费前请自行鉴别。
3、如文档内容存在违规,或者侵犯商业秘密、侵犯著作权等,请点击“违规举报”。

碎片内容

蜗牛文库的最新文档

二年级数学下册其中检测卷二年级数学下册其中检测卷附答案#期中测试卷.pdf
10.00金币
0下载
二年级数学下册期末质检卷(苏教版)二年级数学下册期末质检卷(苏教版)#期末复习 #期末测试卷 #二年级数学 #二年级数学下册#关注我持续更新小学知识.pdf
10.00金币
0下载
二年级数学下册期末混合运算专项练习二年级数学下册期末混合运算专项练习#二年级#二年级数学下册#关注我持续更新小学知识 #知识分享 #家长收藏孩子受益.pdf
10.00金币
1下载
二年级数学下册年月日三类周期问题解题方法二年级数学下册年月日三类周期问题解题方法#二年级#二年级数学下册#知识分享 #关注我持续更新小学知识 #家长收藏孩子受益.pdf
10.00金币
0下载
二年级数学下册解决问题专项训练二年级数学下册解决问题专项训练#专项训练#解决问题#二年级#二年级数学下册#知识分享.pdf
10.00金币
1下载
二年级数学下册还原问题二年级数学下册还原问题#二年级#二年级数学#关注我持续更新小学知识 #知识分享 #家长收藏孩子受益.pdf
10.00金币
1下载
二年级数学下册第六单元考试卷家长打印出来给孩子测试测试争取拿到高分!#小学二年级试卷分享 #二年级第六单考试数学 #第六单考试#二年级数学下册.pdf
10.00金币
0下载
二年级数学下册必背顺口溜口诀汇总二年级数学下册必背顺口溜口诀汇总#二年级#二年级数学下册 #知识分享 #家长收藏孩子受益 #关注我持续更新小学知识.pdf
10.00金币
0下载
二年级数学下册《重点难点思维题》两大问题解决技巧和方法巧算星期几解决周期问题还原问题强化思维训练老师精心整理家长可以打印出来给孩子练习#家长收藏孩子受益 #学霸秘籍 #思维训练 #二年级 #知识点总结.pdf
10.00金币
0下载
二年级数学下册 必背公式大全寒假提前背一背开学更轻松#二年级 #二年级数学 #二年级数学下册 #寒假充电计划 #公式.pdf
10.00金币
0下载
蜗牛文库+ 关注
实名认证
内容提供者

提供各种专业文档内容

确认删除?
QQ
  • QQ点击这里给我发消息
微信客服
  • 微信客服
回到顶部