电脑桌面
添加蜗牛文库到电脑桌面
安装后可以在桌面快捷访问

SCT 8055-1994 渔船手动拖网弹钩.pdfVIP免费

SCT 8055-1994 渔船手动拖网弹钩.pdf_第1页
SCT 8055-1994 渔船手动拖网弹钩.pdf_第2页
SCT 8055-1994 渔船手动拖网弹钩.pdf_第3页
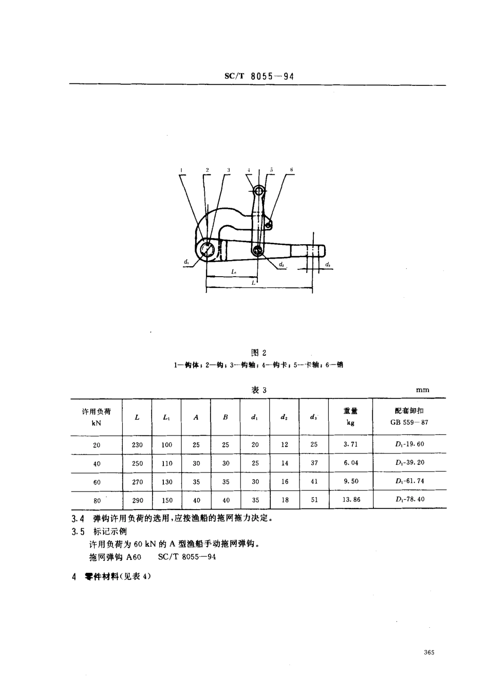
中华人民共和国水产行业标准Sc/18055一94渔船手动拖网弹钩代替sc5s-s01主肺内容与适用范围本标准规定了渔船手动拖网弹钩的型式、许用负荷、主要尺寸、零件的材料及伎术要求,试验方法与规则等本标准适用于拖网渔船.2引用标准GB559船用卸扣31产品型式渔船手动拖网弹钩的型式见表1表1型式许用负荷(kN)A20^100V__二已黔口」园B20-80,司州色1}一!」层沙j丁!,l尸益一一一甲3.2A型渔船手动拖网弹钩尺寸见图1及表2,中华人民共和国农业部1994-11-01批准1995一01一01实施SCZT8055一gd图1三一钩体奄2一钩。3一钩物舍儿一钩卡;5一卡轴,云一梢表2许用负荷、NL‘A月建、d乞姚黑爵配套卸扣GB55,一色72们1909050252012253李2Dll9·604C210100603025l儿375们2刀‘39206O2301104030一!l61咬1吕32几一6174瓜2石012080453518511204Dl一784028013妙90504们1习561574D胜gBOO全IB型渔船手动拖网弹钩尺寸见图2及表3卜3日司SC/T8055一94图21-钩休.2-钩;3-钩轴;4-钩卡,5一卡轴;6一销表3mm许用负荷kNLL,ABd,d,d,litkg配套卸扣CB559-872023010025252012253.71n,-19.604025011030302514376.04D,-39.206027013035353016419.50D,-61.7480290150404035185113.86Dr78.403.4弹钩许用负荷的选用,应按渔船的拖网拖力决定。3.5标记示例许用负荷为60kN的A型渔船手动拖网弹钩。拖网弹钩A60SCJT9055-944.件材料(见表4)365sc/T8055一94表4序号零件名称材料名称牌号(等级)标准号I钩体优质碳素钢35GB699-882钩3钩轴4钩卡碳素钢Q235AGB700-885卡轴6销技术要求锻件表面应平整,不允许有夹层、过烧、裂纹及其他外观缺陷。钩体、钩,锻造后应做正火处理。零件材料应满足本标准规定,并应有材质检验证书。转动部位应涂润滑脂。试验方法及检验规则55.15.25.35.466.15%),6.2现象。6.3产品出厂前应按本标准进行外观检查并抽验进行拉力试验(抽验率为20件以下10%,20件以上弹钩装配后,以2倍许用负荷做拉力试验。持续时间不少于5min,不得有永久变形、卡阻和损坏如拉力试验不合格,允许更换新零件重新试验。了油漆、标记了.1除活动部位外,所有表面应除锈、涂防锈漆和面漆,对装配后不能涂刷的部位,应在装配前涂刷。7.2产品标记a.产品名称和型号;b.许用负荷,c.制造厂名;d.制造日期。附加说明:本标准由全国渔船标准化技术委员会提出。本标准由大连渔轮公司负责起草。本标准主要起草人架凤顺、杨立平。

1、当您付费下载文档后,您只拥有了使用权限,并不意味着购买了版权,文档只能用于自身使用,不得用于其他商业用途(如 [转卖]进行直接盈利或[编辑后售卖]进行间接盈利)。
2、本站所有内容均由合作方或网友上传,本站不对文档的完整性、权威性及其观点立场正确性做任何保证或承诺!文档内容仅供研究参考,付费前请自行鉴别。
3、如文档内容存在违规,或者侵犯商业秘密、侵犯著作权等,请点击“违规举报”。

碎片内容

蜗牛文库的最新文档

二年级数学下册其中检测卷二年级数学下册其中检测卷附答案#期中测试卷.pdf
10.00金币
0下载
二年级数学下册期末质检卷(苏教版)二年级数学下册期末质检卷(苏教版)#期末复习 #期末测试卷 #二年级数学 #二年级数学下册#关注我持续更新小学知识.pdf
10.00金币
0下载
二年级数学下册期末混合运算专项练习二年级数学下册期末混合运算专项练习#二年级#二年级数学下册#关注我持续更新小学知识 #知识分享 #家长收藏孩子受益.pdf
10.00金币
1下载
二年级数学下册年月日三类周期问题解题方法二年级数学下册年月日三类周期问题解题方法#二年级#二年级数学下册#知识分享 #关注我持续更新小学知识 #家长收藏孩子受益.pdf
10.00金币
0下载
二年级数学下册解决问题专项训练二年级数学下册解决问题专项训练#专项训练#解决问题#二年级#二年级数学下册#知识分享.pdf
10.00金币
1下载
二年级数学下册还原问题二年级数学下册还原问题#二年级#二年级数学#关注我持续更新小学知识 #知识分享 #家长收藏孩子受益.pdf
10.00金币
1下载
二年级数学下册第六单元考试卷家长打印出来给孩子测试测试争取拿到高分!#小学二年级试卷分享 #二年级第六单考试数学 #第六单考试#二年级数学下册.pdf
10.00金币
0下载
二年级数学下册必背顺口溜口诀汇总二年级数学下册必背顺口溜口诀汇总#二年级#二年级数学下册 #知识分享 #家长收藏孩子受益 #关注我持续更新小学知识.pdf
10.00金币
0下载
二年级数学下册《重点难点思维题》两大问题解决技巧和方法巧算星期几解决周期问题还原问题强化思维训练老师精心整理家长可以打印出来给孩子练习#家长收藏孩子受益 #学霸秘籍 #思维训练 #二年级 #知识点总结.pdf
10.00金币
0下载
二年级数学下册 必背公式大全寒假提前背一背开学更轻松#二年级 #二年级数学 #二年级数学下册 #寒假充电计划 #公式.pdf
10.00金币
0下载
蜗牛文库+ 关注
实名认证
内容提供者

提供各种专业文档内容

确认删除?
QQ
  • QQ点击这里给我发消息
微信客服
  • 微信客服
回到顶部