电脑桌面
添加蜗牛文库到电脑桌面
安装后可以在桌面快捷访问

SCT 8049-1994 渔船舵系修理技术要求.pdfVIP免费

SCT 8049-1994 渔船舵系修理技术要求.pdf_第1页
SCT 8049-1994 渔船舵系修理技术要求.pdf_第2页
SCT 8049-1994 渔船舵系修理技术要求.pdf_第3页
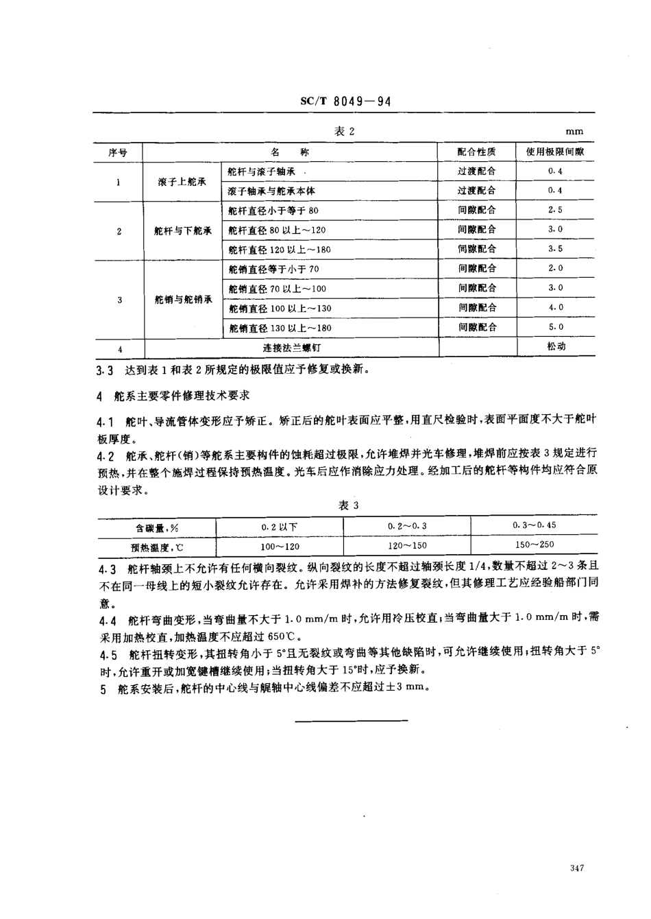
中华人民共和国水产行业标准SC/'r8049一94渔船舵系修理技术要求代替SC49-791主题内容与适用范围本标准规定了舵系零部件的蚀耗极限,使用极限间隙及对修理质量的基本要求。本标准适用于钢质渔船舵系修理。2一般规定2-1舵系修理原则上按原设计图样与要求修复,其材料的牌号与规格均需符合钢质海洋渔船建造规范或原设计要求。2.2舵系零件的补焊应清除锈污后填补,焊后应清除焊渣并磨光,大面积的堆焊必须有合理的工艺规程,焊缝表面应均匀、致密,不应有裂纹、焊瘤、咬边、气孔、夹渣等缺陷。2.3经修理后的空心舵叶、导流管应按钢质海洋渔船规范所规定试验压力进行密性试验,合格后应作防腐蚀处理。2.4舵系在船上安装后,在整个舵角范围内,转动应灵活、平稳,无卡滞及振动现象,舵叶实际位置应与舵机上舵角指示器的读数相符,其偏差不得超过0.5。航行试验时应作效用试验。3蚀耗极限和使用极限间隙3.1舵系主要零部件蚀耗极限见表1,表1序号名称蚀耗极限1舵叶、导流管原设计板厚的302舵杆非工作轴颈处原设计直径的7%3滑动轴承无衬套原设计壁厚的10%有衬套原设计壁厚的巧%4舵销原设计直径的7%5舵杆连接法兰原设计法兰厚度的10%6舵链及牵杆原设计直径的10%7操舵用钢索8倍直径长度内有10%的钢丝断裂3.2舵系配合和使用间隙极限见表2e中华人民共和国农业部1994-11一01批准1995一01一01实施SC/T8049一94表2序号名称配合性质使用极限间隙1滚子上舵承舵杆与滚子轴承.过渡配合0.4滚子轴承与舵承本体过渡配合0.42舵杆与下舵承舵杆直径小于等于80间隙配合2.5舵杆直径80以上一120间隙配合3.0舵杆直径120以上一190间隙配合3.53舵销与舵销承舵销直径等于小于70间隙配合2.0舵销直径70以上一100间隙配合3.0舵销直径100以上一130间隙配合4.0舵销直径13。以上一180间隙配合5.04连接法兰螺钉松动3.3达到表1和表2所规定的极限值应予修复或换新。舵系主要零件修理技术要求4.1舵叶、导流管体变形应予矫正。矫正后的舵叶表面应平整,用直尺检验时,表面平面度不大于舵叶板厚度。4.2舵承、舵杆(销)等舵系主要构件的蚀耗超过极限,允许堆焊并光车修理,堆焊前应按表3规定进行预热,并在整个施焊过程保持预热温度。光车后应作消除应力处理。经加工后的舵杆等构件均应符合原设计要求。表3含碳量,%0.2以下100-1200.2-0.30.3-0-45预热温度,℃120-150150-2504.3舵杆轴颈上不允许有任何横向裂纹。纵向裂纹的长度不超过轴颈长度1/4,数量不超过2-3条且不在同一母线上的短小裂纹允许存在...

1、当您付费下载文档后,您只拥有了使用权限,并不意味着购买了版权,文档只能用于自身使用,不得用于其他商业用途(如 [转卖]进行直接盈利或[编辑后售卖]进行间接盈利)。
2、本站所有内容均由合作方或网友上传,本站不对文档的完整性、权威性及其观点立场正确性做任何保证或承诺!文档内容仅供研究参考,付费前请自行鉴别。
3、如文档内容存在违规,或者侵犯商业秘密、侵犯著作权等,请点击“违规举报”。

碎片内容

蜗牛文库的最新文档

二年级数学下册其中检测卷二年级数学下册其中检测卷附答案#期中测试卷.pdf
10.00金币
0下载
二年级数学下册期末质检卷(苏教版)二年级数学下册期末质检卷(苏教版)#期末复习 #期末测试卷 #二年级数学 #二年级数学下册#关注我持续更新小学知识.pdf
10.00金币
0下载
二年级数学下册期末混合运算专项练习二年级数学下册期末混合运算专项练习#二年级#二年级数学下册#关注我持续更新小学知识 #知识分享 #家长收藏孩子受益.pdf
10.00金币
1下载
二年级数学下册年月日三类周期问题解题方法二年级数学下册年月日三类周期问题解题方法#二年级#二年级数学下册#知识分享 #关注我持续更新小学知识 #家长收藏孩子受益.pdf
10.00金币
0下载
二年级数学下册解决问题专项训练二年级数学下册解决问题专项训练#专项训练#解决问题#二年级#二年级数学下册#知识分享.pdf
10.00金币
1下载
二年级数学下册还原问题二年级数学下册还原问题#二年级#二年级数学#关注我持续更新小学知识 #知识分享 #家长收藏孩子受益.pdf
10.00金币
1下载
二年级数学下册第六单元考试卷家长打印出来给孩子测试测试争取拿到高分!#小学二年级试卷分享 #二年级第六单考试数学 #第六单考试#二年级数学下册.pdf
10.00金币
0下载
二年级数学下册必背顺口溜口诀汇总二年级数学下册必背顺口溜口诀汇总#二年级#二年级数学下册 #知识分享 #家长收藏孩子受益 #关注我持续更新小学知识.pdf
10.00金币
0下载
二年级数学下册《重点难点思维题》两大问题解决技巧和方法巧算星期几解决周期问题还原问题强化思维训练老师精心整理家长可以打印出来给孩子练习#家长收藏孩子受益 #学霸秘籍 #思维训练 #二年级 #知识点总结.pdf
10.00金币
0下载
二年级数学下册 必背公式大全寒假提前背一背开学更轻松#二年级 #二年级数学 #二年级数学下册 #寒假充电计划 #公式.pdf
10.00金币
0下载
蜗牛文库+ 关注
实名认证
内容提供者

提供各种专业文档内容

确认删除?
QQ
  • QQ点击这里给我发消息
微信客服
  • 微信客服
回到顶部