电脑桌面
添加蜗牛文库到电脑桌面
安装后可以在桌面快捷访问

SCT 8011-1994 渔船起重钢索滑车.pdfVIP免费

SCT 8011-1994 渔船起重钢索滑车.pdf_第1页
SCT 8011-1994 渔船起重钢索滑车.pdf_第2页
SCT 8011-1994 渔船起重钢索滑车.pdf_第3页
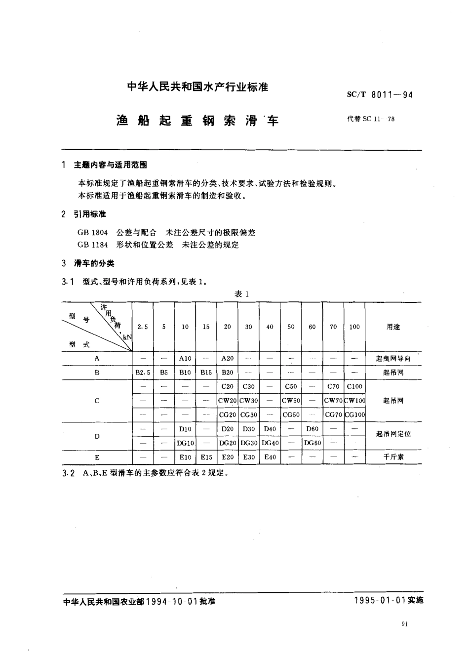
中华人民共和国水产行业标准sC/T8011一94渔船起重钢索滑‘车代替SC11781主肠内容与适用范围本标准规定了渔船起重钢索滑车的分类、技术要求、试验方法和检验规则。本标准适用于渔船起重钢索滑车的制造和验收。2弓I用标准GB1804公差与配合未注公差尺寸的极限偏差GB1184形状和位置公差未注公差的规定3滑车的分类3.1型式、型号和许用负荷系列,见表1,表1爪2.551015203040506070100用途AA10A20起曳网导向BB2.5BSB10B15B20起吊网CC20C30C50C70C100起吊网CW30CW50CW10(CW70七W20CG20CG30CG50CG70CG100DD10D20D30D40D60起吊网定位DG10DG20DG30DG40DG60EE10E15E20E30E40千斤索3.2A,BX型滑车的主参数应符合表2规定。中华人民共和国农业部1994一,0-0,批准1995-01-0,实施SC/T8011一94表2气2.55101520304050钢索直径mm适用最大A65112.590118.5B7517.71110011114125112.515.5150115.51815175118.52CE65112.580115.595118.5110122125125140I283.3C,D型滑车在渔船上成对使用,其主参数应符合表3的规定。窘3碟饭10203040506070100钢索直径mm适用最大75127.7111001211141251212.515.51501215.518.51751218.5203.4标记示例:e.A型转环式,许用负荷为20kN的滑车:滑车A20SC/T8011-94b.C型带尾环,许用负荷为50kN的滑车:滑车CW50SC/T8011-94。.D型吊钩式,许用负荷为30kN的滑车:滑车DG30SC/T8011-943.5结构尺寸351A型滑车的结构尺寸应符合图1和表4的规定。sC/T8011一94//\/图11一转环2-垫圈3-滑轮4-挡块,5-滑轮轴;6一吊架t7-螺母s8一开口销19-封板表4n】】n型号许用负荷,kN俐索直径舀HDd,dSbBhRAmkgA101012.598344652335141301021351911.55A202D18.5124435903048161601zo1802325.943.5.2S型滑车的结构尺寸应符合图2和表5的规定。93SC/'r8011一94图21一转环;2-垫圈;3-滑轮;4-挡块;5-滑轮轴和油杯;6一吊架;7一轴套;8一螺栓;9-螺母.10一定距管;11一护板,12一开口销;13-螺母;14-螺钉表5】飞1们门型号许用负荷.kN钢索直径H刀Bbd,dRAtkgB2.52.57.7-1123775118301317112.57B5511^-14298100150361722144.99B101012.5-15.5377125177422328198.79B1515巧.5-18.51511502115028342115-39B202018.5-205051752405331402320.883.5.3C型滑车的结构尺寸应符合图3和表6的规定。9飞sC/T8011一94图31一转环;2--垫圈;3---滑轮;4-一挡块;5一滑轮轴及油杯;6-加强椒,7一护板,8-螺栓;9一定距管;10-螺母;11一轴鑫,12-螺母;13一开口销;14-螺钉;15-横梁,16-螺母,17-吊钩;18-隔板;19-尾环表6mm...

1、当您付费下载文档后,您只拥有了使用权限,并不意味着购买了版权,文档只能用于自身使用,不得用于其他商业用途(如 [转卖]进行直接盈利或[编辑后售卖]进行间接盈利)。
2、本站所有内容均由合作方或网友上传,本站不对文档的完整性、权威性及其观点立场正确性做任何保证或承诺!文档内容仅供研究参考,付费前请自行鉴别。
3、如文档内容存在违规,或者侵犯商业秘密、侵犯著作权等,请点击“违规举报”。

碎片内容

蜗牛文库的最新文档

二年级数学下册其中检测卷二年级数学下册其中检测卷附答案#期中测试卷.pdf
10.00金币
0下载
二年级数学下册期末质检卷(苏教版)二年级数学下册期末质检卷(苏教版)#期末复习 #期末测试卷 #二年级数学 #二年级数学下册#关注我持续更新小学知识.pdf
10.00金币
0下载
二年级数学下册期末混合运算专项练习二年级数学下册期末混合运算专项练习#二年级#二年级数学下册#关注我持续更新小学知识 #知识分享 #家长收藏孩子受益.pdf
10.00金币
1下载
二年级数学下册年月日三类周期问题解题方法二年级数学下册年月日三类周期问题解题方法#二年级#二年级数学下册#知识分享 #关注我持续更新小学知识 #家长收藏孩子受益.pdf
10.00金币
0下载
二年级数学下册解决问题专项训练二年级数学下册解决问题专项训练#专项训练#解决问题#二年级#二年级数学下册#知识分享.pdf
10.00金币
1下载
二年级数学下册还原问题二年级数学下册还原问题#二年级#二年级数学#关注我持续更新小学知识 #知识分享 #家长收藏孩子受益.pdf
10.00金币
1下载
二年级数学下册第六单元考试卷家长打印出来给孩子测试测试争取拿到高分!#小学二年级试卷分享 #二年级第六单考试数学 #第六单考试#二年级数学下册.pdf
10.00金币
0下载
二年级数学下册必背顺口溜口诀汇总二年级数学下册必背顺口溜口诀汇总#二年级#二年级数学下册 #知识分享 #家长收藏孩子受益 #关注我持续更新小学知识.pdf
10.00金币
0下载
二年级数学下册《重点难点思维题》两大问题解决技巧和方法巧算星期几解决周期问题还原问题强化思维训练老师精心整理家长可以打印出来给孩子练习#家长收藏孩子受益 #学霸秘籍 #思维训练 #二年级 #知识点总结.pdf
10.00金币
0下载
二年级数学下册 必背公式大全寒假提前背一背开学更轻松#二年级 #二年级数学 #二年级数学下册 #寒假充电计划 #公式.pdf
10.00金币
0下载
蜗牛文库+ 关注
实名认证
内容提供者

提供各种专业文档内容

确认删除?
QQ
  • QQ点击这里给我发消息
微信客服
  • 微信客服
回到顶部