电脑桌面
添加蜗牛文库到电脑桌面
安装后可以在桌面快捷访问

SBT 10125-92 立式级联颗粒冷却器.pdfVIP免费

SBT 10125-92 立式级联颗粒冷却器.pdf_第1页
SBT 10125-92 立式级联颗粒冷却器.pdf_第2页
SBT 10125-92 立式级联颗粒冷却器.pdf_第3页
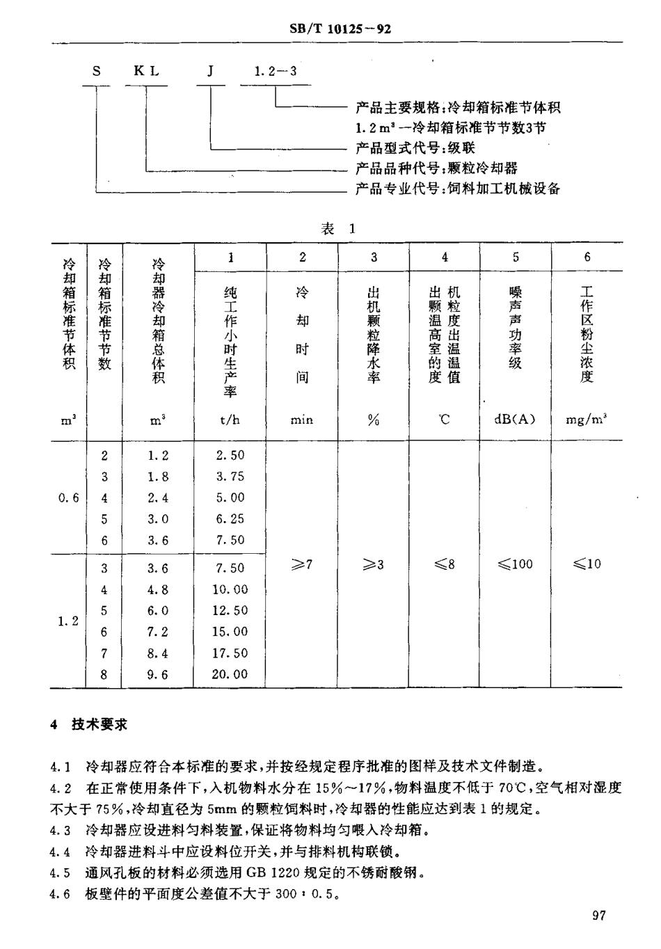
SB中华人民共和国行业标准SB/T10113^10126一92饲料机械1992-12.-30发布1993-06-01实施中华人民共和国商业部发布中华人民共和国行业标准立式级联颗粒冷却器SB/T10125-92主题内容与适用范围本标准规定了立式级联颗粒冷却器(以下简称“冷却器,’)的产品分类、技术要求、试验方法、检验规则及标志、包装、运输、贮存。本标准适用于冷却颗粒饲料的冷却器。2弓I用标准GB122。不锈耐酸钢技术条件GB5083生产设备安全卫生设计总则GB3768噪声源声功率级的测定简易法GB5667农业机械生产试验方法GB6435饲料水分的测定GB6921大气飘尘浓度测定方法3产品分类3.1规格及系列3.1.1冷却器的主要规格用冷却箱标准节的体积和标准节数表示。冷却箱标准节的体积。.6m,和1.2m,两种规格。标准节节数的规定见表1,3.1.2为了方便制造安装和使用,允许将部分冷却箱的体积做成标准节体积的整数倍,但其节数仍以相当的标准节节数表示。3.1.3采用同一种规格的标准节的冷却器,其进料箱和排料机构为通用件。3.2型号冷却器的型号表示方法如下:中华人民共和国商业部1992-12-30批准1993-06一01实施SBJT10125一:'S?KL1.2一3产品主要规格:冷却箱标准节体积1.2m,一冷却箱标准节节数3节产品型式代号:级联产品品种代号:颗粒冷却器产品专业代号:饲料加工机械设备4技术要求4.1冷却器应符合本标准的要求,并按经规定程序批准的图样及技术文件制造。4.2在正常使用条件下,入机物料水分在150o-17%,物料温度不低于70`C,空气相对湿度不大于75,冷却直径为5mm的颗粒饲料时,冷却器的性能应达到表1的规定。4.3冷却器应设进料匀料装置,保证将物料均匀喂入冷却箱。4.4冷却器进料斗中应设料位开关,并与排料机构联锁.4.5通风孔板的材料必须选用GB1220规定的不锈耐酸钢。4.6板壁件的平面度公差值不大于300:。.5097SB/T10125一924.7焊接件的焊接应牢固可靠,焊缝均匀平滑、无漏焊、脱焊、夹渣、裂纹等缺陷。4.8电器控制装置应满足各种动作控制的要求,不得产生误动作。4.9冷却器上的操作、安全标志应齐全醒目。4.10转动部件应转动灵活,不得有异常响声,紧固件必须紧固。4.n零部件均需检验合格,标准件、外购件应有合格证书。4.12漆层应牢固、平整,不得起皮脱落.施漆后的表面应完整无漏漆。用粘贴法检查时,漆膜脱落的百分比应小于5%a4.13漆面应光洁,色泽一致,不得有刷纹、流挂、针孔、麻点飞桔纹、起皱、气泡、进裂、料粒、泛黄、发白及粘附污点。4.14冷却器正常运行4000h后,其性能指标仍应符合...

1、当您付费下载文档后,您只拥有了使用权限,并不意味着购买了版权,文档只能用于自身使用,不得用于其他商业用途(如 [转卖]进行直接盈利或[编辑后售卖]进行间接盈利)。
2、本站所有内容均由合作方或网友上传,本站不对文档的完整性、权威性及其观点立场正确性做任何保证或承诺!文档内容仅供研究参考,付费前请自行鉴别。
3、如文档内容存在违规,或者侵犯商业秘密、侵犯著作权等,请点击“违规举报”。

碎片内容

蜗牛文库的最新文档

二年级数学下册其中检测卷二年级数学下册其中检测卷附答案#期中测试卷.pdf
10.00金币
0下载
二年级数学下册期末质检卷(苏教版)二年级数学下册期末质检卷(苏教版)#期末复习 #期末测试卷 #二年级数学 #二年级数学下册#关注我持续更新小学知识.pdf
10.00金币
0下载
二年级数学下册期末混合运算专项练习二年级数学下册期末混合运算专项练习#二年级#二年级数学下册#关注我持续更新小学知识 #知识分享 #家长收藏孩子受益.pdf
10.00金币
1下载
二年级数学下册年月日三类周期问题解题方法二年级数学下册年月日三类周期问题解题方法#二年级#二年级数学下册#知识分享 #关注我持续更新小学知识 #家长收藏孩子受益.pdf
10.00金币
0下载
二年级数学下册解决问题专项训练二年级数学下册解决问题专项训练#专项训练#解决问题#二年级#二年级数学下册#知识分享.pdf
10.00金币
1下载
二年级数学下册还原问题二年级数学下册还原问题#二年级#二年级数学#关注我持续更新小学知识 #知识分享 #家长收藏孩子受益.pdf
10.00金币
1下载
二年级数学下册第六单元考试卷家长打印出来给孩子测试测试争取拿到高分!#小学二年级试卷分享 #二年级第六单考试数学 #第六单考试#二年级数学下册.pdf
10.00金币
0下载
二年级数学下册必背顺口溜口诀汇总二年级数学下册必背顺口溜口诀汇总#二年级#二年级数学下册 #知识分享 #家长收藏孩子受益 #关注我持续更新小学知识.pdf
10.00金币
0下载
二年级数学下册《重点难点思维题》两大问题解决技巧和方法巧算星期几解决周期问题还原问题强化思维训练老师精心整理家长可以打印出来给孩子练习#家长收藏孩子受益 #学霸秘籍 #思维训练 #二年级 #知识点总结.pdf
10.00金币
0下载
二年级数学下册 必背公式大全寒假提前背一背开学更轻松#二年级 #二年级数学 #二年级数学下册 #寒假充电计划 #公式.pdf
10.00金币
0下载
蜗牛文库+ 关注
实名认证
内容提供者

提供各种专业文档内容

确认删除?
QQ
  • QQ点击这里给我发消息
微信客服
  • 微信客服
回到顶部