电脑桌面
添加蜗牛文库到电脑桌面
安装后可以在桌面快捷访问

SCT 8041-1994 渔船管系修理技术要求.pdfVIP免费

SCT 8041-1994 渔船管系修理技术要求.pdf_第1页
SCT 8041-1994 渔船管系修理技术要求.pdf_第2页
SCT 8041-1994 渔船管系修理技术要求.pdf_第3页
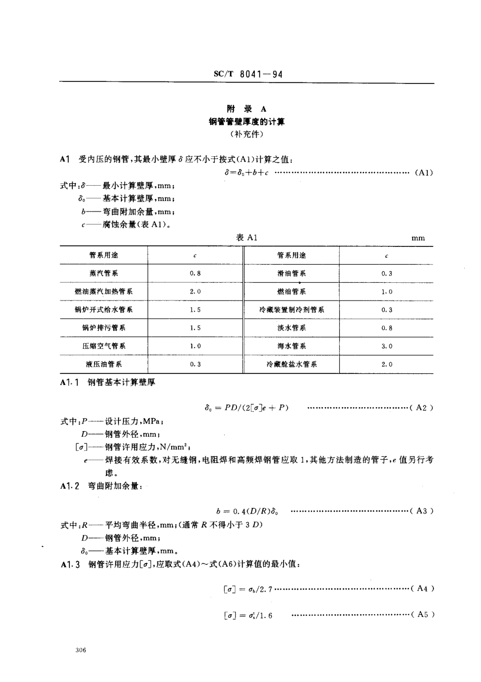
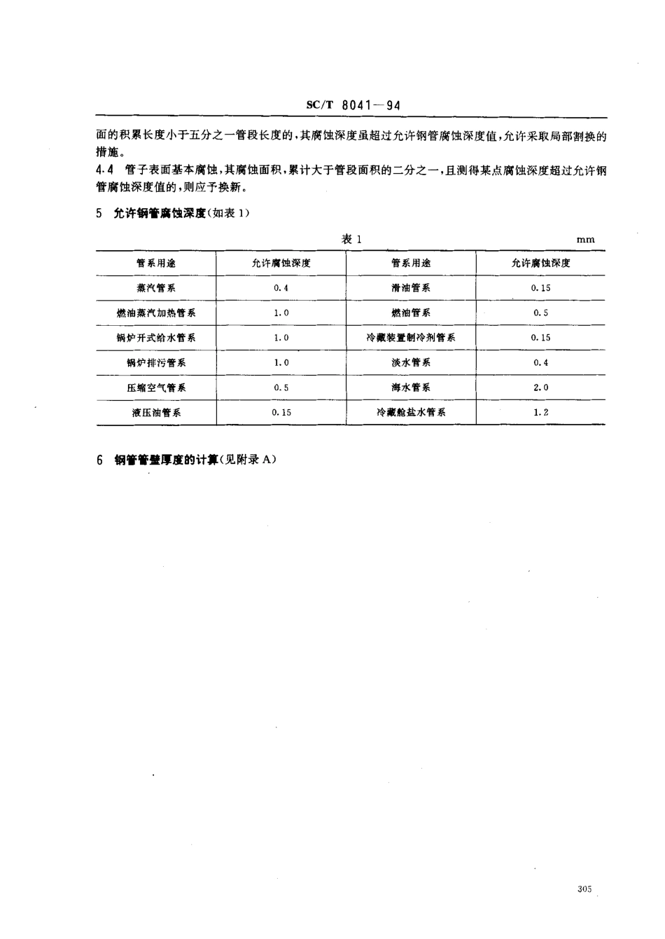
中华人民共和国水产行业标准SC/T8041一94渔船管系修理技术要求代替SC41-793.1主翻内容与适用范围本标准规定了钢质渔船管系修理、安装、试验的技术条件。本标准适用于钢质渔船,也适用于为渔业服务的辅助船。引用标准GB3032船用管路附件的标志GB3033船舶管路和识别符号的油漆颜色CB/Z98钢管、铜管、铝管的化学清洗CB'/Z324船舶管路附件修理技术条件CB1102.4船用液压系统通用技术条件清洗SC/T8077渔船管系试验方法SC/T8089渔船管系制作和安装技术要求一般要求管系修理应根据委方提交的修理工程项目,进行勘验,(必要时可先进行清洁工作)然后确定修换内容。3.2管系附件修理应符合CB'/Z324的有关规定。3.3管路的油漆颜色和识别符号,应符合GB3033的规定。3.4管路附件的标志和识别涂漆,应符合GB3032的规定。3.5管路的清洗应分别按CB/Z98和CB1102.4的有关要求进行。3.6管子与法兰的焊接,对通径大于或等于$32mm的中、高压管和通径大于或等于050mm的低压管子与法兰的焊接,应采用双面焊。通径小于"32mm的中、高压管和通径小于X50mm的低压管子与法兰的焊接,可采用单面焊,其焊缝高度应等于或大于管壁厚度。3.7新增或换装的设备,需新换或增加的管路,其管子的制作和安装,应符合SC/T8089的有关规定。3.8修换的管路一般应按原位安装,对原布置不合理或安装检修有困难的管子,可作适当调整。3.9管系经修理后,应按SC/T8077作液压试验和密性试验。3.10液压管系经修理后,清洗应按CB1102.4进行。:.;管子修换原则蒸汽管、压缩空气管、热燃油管、加热盘管、液压油管、制冷剂管不允许补焊或局部割换。管子腐蚀穿孔,其穿孔直径小于5mm,且管长每米穿孔不超过二处时,允许补焊修理,否则应予AM.4.3管子表面局部腐蚀,其腐蚀面积沿管子横向截面的积累长度小于三分之一周长,或沿管子纵向截中华人民共和国农业部1994一11一01批准1995一01一01实施sc/T8041一94面的积累长度小于五分之一管段长度的,其腐蚀深度虽超过允许钢管腐蚀深度值,允许采取局部割换的措施。4.4管子表面基本腐蚀,其腐蚀面积,累计大于管段面积的二分之一,且测得某点腐蚀深度超过允许钢管腐蚀深度值的,则应予换新。5允许钥管腐蚀深度(如表1)表1管系用途允许腐蚀深度管系用途允许腐蚀深度蒸汽管系0.4滑油管系0.15燃油燕汽加热管系1.0嫩油管系0.5锅炉开式给水管系1.0冷藏装置制冷剂管系0.15锅炉排污管系1.0淡水管系0.4压缩空气管系0.5海水管系2.0液压油管系0.15冷藏舱盐水管系126钢管管里厚度的...

1、当您付费下载文档后,您只拥有了使用权限,并不意味着购买了版权,文档只能用于自身使用,不得用于其他商业用途(如 [转卖]进行直接盈利或[编辑后售卖]进行间接盈利)。
2、本站所有内容均由合作方或网友上传,本站不对文档的完整性、权威性及其观点立场正确性做任何保证或承诺!文档内容仅供研究参考,付费前请自行鉴别。
3、如文档内容存在违规,或者侵犯商业秘密、侵犯著作权等,请点击“违规举报”。

碎片内容

蜗牛文库的最新文档

二年级数学下册其中检测卷二年级数学下册其中检测卷附答案#期中测试卷.pdf
10.00金币
0下载
二年级数学下册期末质检卷(苏教版)二年级数学下册期末质检卷(苏教版)#期末复习 #期末测试卷 #二年级数学 #二年级数学下册#关注我持续更新小学知识.pdf
10.00金币
0下载
二年级数学下册期末混合运算专项练习二年级数学下册期末混合运算专项练习#二年级#二年级数学下册#关注我持续更新小学知识 #知识分享 #家长收藏孩子受益.pdf
10.00金币
1下载
二年级数学下册年月日三类周期问题解题方法二年级数学下册年月日三类周期问题解题方法#二年级#二年级数学下册#知识分享 #关注我持续更新小学知识 #家长收藏孩子受益.pdf
10.00金币
0下载
二年级数学下册解决问题专项训练二年级数学下册解决问题专项训练#专项训练#解决问题#二年级#二年级数学下册#知识分享.pdf
10.00金币
1下载
二年级数学下册还原问题二年级数学下册还原问题#二年级#二年级数学#关注我持续更新小学知识 #知识分享 #家长收藏孩子受益.pdf
10.00金币
1下载
二年级数学下册第六单元考试卷家长打印出来给孩子测试测试争取拿到高分!#小学二年级试卷分享 #二年级第六单考试数学 #第六单考试#二年级数学下册.pdf
10.00金币
0下载
二年级数学下册必背顺口溜口诀汇总二年级数学下册必背顺口溜口诀汇总#二年级#二年级数学下册 #知识分享 #家长收藏孩子受益 #关注我持续更新小学知识.pdf
10.00金币
0下载
二年级数学下册《重点难点思维题》两大问题解决技巧和方法巧算星期几解决周期问题还原问题强化思维训练老师精心整理家长可以打印出来给孩子练习#家长收藏孩子受益 #学霸秘籍 #思维训练 #二年级 #知识点总结.pdf
10.00金币
0下载
二年级数学下册 必背公式大全寒假提前背一背开学更轻松#二年级 #二年级数学 #二年级数学下册 #寒假充电计划 #公式.pdf
10.00金币
0下载
蜗牛文库+ 关注
实名认证
内容提供者

提供各种专业文档内容

确认删除?
QQ
  • QQ点击这里给我发消息
微信客服
  • 微信客服
回到顶部