电脑桌面
添加蜗牛文库到电脑桌面
安装后可以在桌面快捷访问

SBT 10147-93 检验用谷物选筛.pdfVIP免费

SBT 10147-93 检验用谷物选筛.pdf_第1页
SBT 10147-93 检验用谷物选筛.pdf_第2页
SBT 10147-93 检验用谷物选筛.pdf_第3页
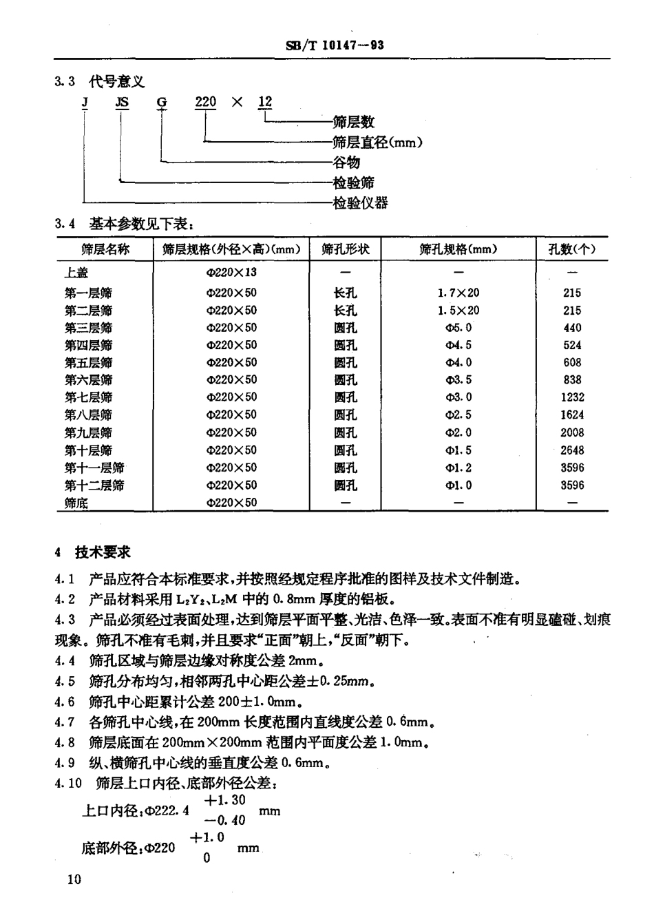
SB中华人民共和国行业标准SB/T10146-10147一93HGT—1000型谷物容重器检验用谷物选筛1993一03-23发布1993一10-01实施中华人民共和国商业部发布中华人民共和国行业标准检验用谷物选筛SB/T10147-931主题内容与适用范围本标准规定了JJSG220X12检验用谷物选筛的型式、基本参数、技术要求、试验方法、检验规则、标志、包装、运输、贮存。本标准适用于JJSG220X12检验用谷物选筛的制造与验收。2引用标准GB1800^-1804公差与配合GB1184表面形状公差及表面位置公差GB3880铝及铝合金轧制板材3产品分类3.1结构型式本产品由上盖,12层筛和筛底组成,为立式检验用谷物选筛。3.2产品结构示意图河]中华人民共和国商业部1993-03-23批准1993-10-01实施9SB/T10147-93代号意义JSG筛层直径(mm)谷物检验筛检验仪器基本参数见下表:1曰1一llesesl,口月性3.3.筛层名称筛层规格(外径X高)(mm)筛孔形状筛孔规格(mm)孔数(个)上盖第一层筛第二层筛第三层筛第四层筛第五层筛第六层筛第七层筛第八层筛第fiW寻筛第十层筛第十一层筛第十二层筛筛底4,220X130220X504,220X504,220X504,220X50中220X504,220X504,220X504,220X504,220X504,220X504,220X504,220X504,220X50长孔长孔圆孔画孔圆孔圆孔圆孔画孔圆孔回孔画孔圆孔1.7X201.5X20中5.0叫.5例.0们.503.0倪.54,2.04,154,1.24,1.02152154405246088381232162420082648359635964技术要求4.1产品应符合本标准要求,并按照经规定程序批准的图样及技术文件制造。4.2产品材料采用L,Y2,LZM中的0.8mm厚度的铝板。4.3产品必须经过表面处理,处J口筛层平面平整、光洁、色泽一致。表面不准有明显磕碰、划痕现象。筛孔不准有毛刺,并且要求“正面,潮上,“反面”朝下.4.4筛孔区域与筛层边缘对称度公差2mm,4.5筛孔分布均匀,相邻两孔中心距公差士0.25mm,4.6筛孔中心距累计公差200士1.Omm,4.7各筛孔中心线,在200mm长度范围内直线度公差0.6mm,4.8筛层底面在200mmX200mm范围内平面度公差1.Onmm,4.9纵、横筛孔中心线的垂直度公差0.6mmo4.10筛层上口内径、底部夕洲圣公差:上口内径:0222.4rn的n底部夕日圣,0220+1.30-0.40+1.0mm10SB/T10147-834.11长孔筛筛孔尺寸公差长度20士0.05mm宽度1.7士0.02mm宽度1.5士0.02mm4.12圆孔筛筛孔尺寸公差筛孔直径:o1.0^-3.0士0.02mm03.5-5.0士0.024mm5试验方法5.1外观检验感官检验筛层表面是否符合本标准4.3要求.5.2筛孔区域与筛层边缘对称度公差检验在筛层底面相互垂直对称的边缘取4孔。用精度0.02mm游标卡尺测量筛孔外缘...

1、当您付费下载文档后,您只拥有了使用权限,并不意味着购买了版权,文档只能用于自身使用,不得用于其他商业用途(如 [转卖]进行直接盈利或[编辑后售卖]进行间接盈利)。
2、本站所有内容均由合作方或网友上传,本站不对文档的完整性、权威性及其观点立场正确性做任何保证或承诺!文档内容仅供研究参考,付费前请自行鉴别。
3、如文档内容存在违规,或者侵犯商业秘密、侵犯著作权等,请点击“违规举报”。

碎片内容

蜗牛文库的最新文档

二年级数学下册其中检测卷二年级数学下册其中检测卷附答案#期中测试卷.pdf
10.00金币
0下载
二年级数学下册期末质检卷(苏教版)二年级数学下册期末质检卷(苏教版)#期末复习 #期末测试卷 #二年级数学 #二年级数学下册#关注我持续更新小学知识.pdf
10.00金币
0下载
二年级数学下册期末混合运算专项练习二年级数学下册期末混合运算专项练习#二年级#二年级数学下册#关注我持续更新小学知识 #知识分享 #家长收藏孩子受益.pdf
10.00金币
1下载
二年级数学下册年月日三类周期问题解题方法二年级数学下册年月日三类周期问题解题方法#二年级#二年级数学下册#知识分享 #关注我持续更新小学知识 #家长收藏孩子受益.pdf
10.00金币
0下载
二年级数学下册解决问题专项训练二年级数学下册解决问题专项训练#专项训练#解决问题#二年级#二年级数学下册#知识分享.pdf
10.00金币
1下载
二年级数学下册还原问题二年级数学下册还原问题#二年级#二年级数学#关注我持续更新小学知识 #知识分享 #家长收藏孩子受益.pdf
10.00金币
1下载
二年级数学下册第六单元考试卷家长打印出来给孩子测试测试争取拿到高分!#小学二年级试卷分享 #二年级第六单考试数学 #第六单考试#二年级数学下册.pdf
10.00金币
0下载
二年级数学下册必背顺口溜口诀汇总二年级数学下册必背顺口溜口诀汇总#二年级#二年级数学下册 #知识分享 #家长收藏孩子受益 #关注我持续更新小学知识.pdf
10.00金币
0下载
二年级数学下册《重点难点思维题》两大问题解决技巧和方法巧算星期几解决周期问题还原问题强化思维训练老师精心整理家长可以打印出来给孩子练习#家长收藏孩子受益 #学霸秘籍 #思维训练 #二年级 #知识点总结.pdf
10.00金币
0下载
二年级数学下册 必背公式大全寒假提前背一背开学更轻松#二年级 #二年级数学 #二年级数学下册 #寒假充电计划 #公式.pdf
10.00金币
0下载
蜗牛文库+ 关注
实名认证
内容提供者

提供各种专业文档内容

确认删除?
QQ
  • QQ点击这里给我发消息
微信客服
  • 微信客服
回到顶部