电脑桌面
添加蜗牛文库到电脑桌面
安装后可以在桌面快捷访问

SBT 10079-1992 肉牛精料补充料 LST3405-1992.pdfVIP免费

SBT 10079-1992 肉牛精料补充料 LST3405-1992.pdf_第1页
SBT 10079-1992 肉牛精料补充料 LST3405-1992.pdf_第2页
SBT 10079-1992 肉牛精料补充料 LST3405-1992.pdf_第3页
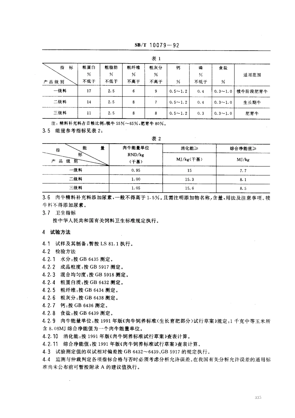
中华人民共和国商业行业标准sB/T10079一92肉牛精料补充料1主题内容与适用范围本标准规定了肉牛精料补充料加工质量标准、营养成分指标、水分、感官性状及检验规则、卫生指标、标志、包装、运输、贮存等要求。本标准适用于饲料行业加工、销售、调拨、出口的肉牛精料补充料。2引用标准GB5917配合饲料粉碎粒度测定方法GB5918配合饲料混合均匀度测定方法GB6432饲料粗蛋白测定方法GB6434饲料中粗纤维测定方法GB6435饲料水分的测定方法GB6436饲料中钙的测定方法GB6437饲料中总磷量的测定方法光度法GB6438饲料中粗灰分的测定方法GB6439饲料中水溶性氯化物的测定方法LS81.1饲料营养成分测定方法一般规定GB10648饲料标签3技术要求31感官性状色泽一致,无发霉变质、无结块及异味.3.2水分北方(14%,南方(12.5%.符合下列情况之一时可允许增加。.5%的含水量。a.平均气温在10℃以下的季节;b.从出厂到饲喂期不超过十天者;c.配合饲料中添加有规定量的防霉剂者(标签中注明)。3.3加工质量指标3.3.1粉碎粒度一级料”%通过2.8mm编织筛,但不得有整粒谷物;1.40mm编织筛筛上物不得大于20二、三级料99%通过3,3.2混合均匀度3.35mm编织筛,但不得有整粒谷物;1.70mm编织筛筛上物不得大于20。变异系数ccv)不大于10%3.4营养成分指标见表1中华人民共和国商业部1992一08一14批准1992一12一01实施SB/'r10079一92表1火#4#.Ti'aA}}9粗蛋白%不低于粗脂肪%不低于粗纤维%不高于粗灰分%不高于钙%磷%不低于食盐%适用范围一级料172.5690.5--1.20.40.3^-1.0犊牛阶段肥育牛二级料142.5870.5-1.20.40.3-1.0生长期牛三级料112.5880.5^-1.20.30.3^-1.0肥育牛注精料补充料占日粮比例:犊牛55%^-65%,肥育牛80%,3.5能量参考指标见表2:表2一一.#p量严品级别~卜~‘乏备肉牛能量单位RND/kg(干基)消化能i综合净能值)MJ/kg(干基)MJ/kg一级料0.95157.7二级料1.0015.38.1三级料1.0515.68.53.6肉牛精料补充料添加尿素,一般不得高于1.5%。且需注明添加物名称.,含量,用法及注意事项犊牛料不得添加尿素。3.了卫生指标按中华人民共和国有关饲料卫生标准规定执行。4试验方法4.1试样及其制备:暂按LS81.1执行。4.2检验方法4.2.1水分:按GB6435测定。4.2.2成品粒度:按GB5917测定。4.2.3混合均匀度:按GB5918测定。4.2.4粗蛋白质:按GB6432测定。4.2.5粗纤维:按GB6434测定。4.2.6粗灰分:按GB6438测定。4.2.7钙:按GB6436测定。4.2.8食盐:按GB6439测定。4.2.9肉牛能量单位:按1991年版《肉牛饲养标准(生长育肥部分)试行草...

1、当您付费下载文档后,您只拥有了使用权限,并不意味着购买了版权,文档只能用于自身使用,不得用于其他商业用途(如 [转卖]进行直接盈利或[编辑后售卖]进行间接盈利)。
2、本站所有内容均由合作方或网友上传,本站不对文档的完整性、权威性及其观点立场正确性做任何保证或承诺!文档内容仅供研究参考,付费前请自行鉴别。
3、如文档内容存在违规,或者侵犯商业秘密、侵犯著作权等,请点击“违规举报”。

碎片内容

蜗牛文库的最新文档

二年级数学下册其中检测卷二年级数学下册其中检测卷附答案#期中测试卷.pdf
10.00金币
0下载
二年级数学下册期末质检卷(苏教版)二年级数学下册期末质检卷(苏教版)#期末复习 #期末测试卷 #二年级数学 #二年级数学下册#关注我持续更新小学知识.pdf
10.00金币
0下载
二年级数学下册期末混合运算专项练习二年级数学下册期末混合运算专项练习#二年级#二年级数学下册#关注我持续更新小学知识 #知识分享 #家长收藏孩子受益.pdf
10.00金币
1下载
二年级数学下册年月日三类周期问题解题方法二年级数学下册年月日三类周期问题解题方法#二年级#二年级数学下册#知识分享 #关注我持续更新小学知识 #家长收藏孩子受益.pdf
10.00金币
0下载
二年级数学下册解决问题专项训练二年级数学下册解决问题专项训练#专项训练#解决问题#二年级#二年级数学下册#知识分享.pdf
10.00金币
1下载
二年级数学下册还原问题二年级数学下册还原问题#二年级#二年级数学#关注我持续更新小学知识 #知识分享 #家长收藏孩子受益.pdf
10.00金币
1下载
二年级数学下册第六单元考试卷家长打印出来给孩子测试测试争取拿到高分!#小学二年级试卷分享 #二年级第六单考试数学 #第六单考试#二年级数学下册.pdf
10.00金币
0下载
二年级数学下册必背顺口溜口诀汇总二年级数学下册必背顺口溜口诀汇总#二年级#二年级数学下册 #知识分享 #家长收藏孩子受益 #关注我持续更新小学知识.pdf
10.00金币
0下载
二年级数学下册《重点难点思维题》两大问题解决技巧和方法巧算星期几解决周期问题还原问题强化思维训练老师精心整理家长可以打印出来给孩子练习#家长收藏孩子受益 #学霸秘籍 #思维训练 #二年级 #知识点总结.pdf
10.00金币
0下载
二年级数学下册 必背公式大全寒假提前背一背开学更轻松#二年级 #二年级数学 #二年级数学下册 #寒假充电计划 #公式.pdf
10.00金币
0下载
蜗牛文库+ 关注
实名认证
内容提供者

提供各种专业文档内容

确认删除?
QQ
  • QQ点击这里给我发消息
微信客服
  • 微信客服
回到顶部