电脑桌面
添加蜗牛文库到电脑桌面
安装后可以在桌面快捷访问

SBT 10148.11-1993 粮油加工机械通用技术条件 产品检验规则.pdfVIP免费

SBT 10148.11-1993 粮油加工机械通用技术条件 产品检验规则.pdf_第1页
SBT 10148.11-1993 粮油加工机械通用技术条件 产品检验规则.pdf_第2页
SBT 10148.11-1993 粮油加工机械通用技术条件 产品检验规则.pdf_第3页
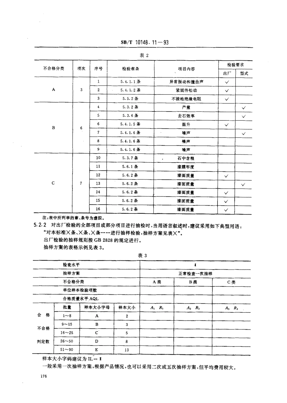
中华人民共和国商业行业标准粮油加工机械通用技术条件产品检验规则5B/T10148.11一93代替LS43-821主题内容与适用范围本标准规定了粮油加工机械产品(以下简称产品)的检验规则。本标准适用于粮油加工机械整机出厂的产品。不适用于作为产品出厂的易损件和零配件。2引用标准GB2828逐批检查计数抽样程序及抽样表《适用于连续批的检查)GB2829周期检查计数抽样程序及抽样表(适用于生产过程稳定性的检查)3术语3门不合格分类单位产品的质量特性不符合规定,称为不合格。不合格按质最特性表示单位产品质量的重要性,或者按质量特性不符合的严重程度来分类,一般将不合格分为:A类不合格,B类不合格,C类不合格。32检查水平提交检查批量与样本大小之间的等级对应关系,称为检查水平。3.3抽样方案样本大小或样本大小系列和判定数组结合在一起,称为抽样方案.3.4合格质量水平(AQL)在抽样检查中,认为可以接受的连续提高检查批的过程平均上限值,称为合格质量水平。3.5合格判定值作出批合格判断祥本中所允许的最大不合格品数或不合格数,称为合格判定数。3.6不合格判定数作出批不合格判断样本中所允许的最小不合格品数或不合格数,称为不合格判定数。3.7判别水平(DL)判别生产过程稳定性不符合规定要求之能力大小的等级,称为PI别水平。38不合格质量水平(RQL)在抽样检查中,认为不可接受的批质量下限值,称为不合格质量水平。4检验分类产品检验分出厂检验和型式检验。中华人民共和国商业部1993一03一23批准1993一10一01实施SB/T10148.11一935出厂检验5.,每台产品必须经制造厂质量检验部门检验合格并应附有产品合格证方可出厂。5.2确定出厂检验项目,并根据产品特点,对每个出厂检验项目作出全检或抽检的规定。5.2.1全检时,建议参照采用如下典型用语:“对本标准X条、X条、X条··⋯进行全数检验,当有一项不合格时产品不可出厂。”一般要求每个出厂检验项目都要合格,产品才能作为合格品出厂,但对于具体对象,也可考虑将不合格项目分类按GB2828规定进行判定。不合格分类的表格示例见表1和表2.表1序号项目类别检验章条不合格分类检验要求ABC出厂型式1一般要求4.I条斌V2使用性能4卜2。1条侧丫422条JV342。3条侧丫44,2.4条VJ54.2.5条侧甲67装配耍求4.3}1条J丫43.2条侧训8433条丫甲94.3.4条侧侧10435条训Y1143.6条喇丫1243.7条J丫1314主要零部件4.4.1条JJ15442条JJ4.4.3条J了16174.4.4条丫丫184.4.5条J丫4.4.6条甲J1920安全4.5.1条州丫2145,2条JJ22外观4.6.1条JJ234....

1、当您付费下载文档后,您只拥有了使用权限,并不意味着购买了版权,文档只能用于自身使用,不得用于其他商业用途(如 [转卖]进行直接盈利或[编辑后售卖]进行间接盈利)。
2、本站所有内容均由合作方或网友上传,本站不对文档的完整性、权威性及其观点立场正确性做任何保证或承诺!文档内容仅供研究参考,付费前请自行鉴别。
3、如文档内容存在违规,或者侵犯商业秘密、侵犯著作权等,请点击“违规举报”。

碎片内容

蜗牛文库的最新文档

二年级数学下册其中检测卷二年级数学下册其中检测卷附答案#期中测试卷.pdf
10.00金币
0下载
二年级数学下册期末质检卷(苏教版)二年级数学下册期末质检卷(苏教版)#期末复习 #期末测试卷 #二年级数学 #二年级数学下册#关注我持续更新小学知识.pdf
10.00金币
0下载
二年级数学下册期末混合运算专项练习二年级数学下册期末混合运算专项练习#二年级#二年级数学下册#关注我持续更新小学知识 #知识分享 #家长收藏孩子受益.pdf
10.00金币
1下载
二年级数学下册年月日三类周期问题解题方法二年级数学下册年月日三类周期问题解题方法#二年级#二年级数学下册#知识分享 #关注我持续更新小学知识 #家长收藏孩子受益.pdf
10.00金币
0下载
二年级数学下册解决问题专项训练二年级数学下册解决问题专项训练#专项训练#解决问题#二年级#二年级数学下册#知识分享.pdf
10.00金币
1下载
二年级数学下册还原问题二年级数学下册还原问题#二年级#二年级数学#关注我持续更新小学知识 #知识分享 #家长收藏孩子受益.pdf
10.00金币
1下载
二年级数学下册第六单元考试卷家长打印出来给孩子测试测试争取拿到高分!#小学二年级试卷分享 #二年级第六单考试数学 #第六单考试#二年级数学下册.pdf
10.00金币
0下载
二年级数学下册必背顺口溜口诀汇总二年级数学下册必背顺口溜口诀汇总#二年级#二年级数学下册 #知识分享 #家长收藏孩子受益 #关注我持续更新小学知识.pdf
10.00金币
0下载
二年级数学下册《重点难点思维题》两大问题解决技巧和方法巧算星期几解决周期问题还原问题强化思维训练老师精心整理家长可以打印出来给孩子练习#家长收藏孩子受益 #学霸秘籍 #思维训练 #二年级 #知识点总结.pdf
10.00金币
0下载
二年级数学下册 必背公式大全寒假提前背一背开学更轻松#二年级 #二年级数学 #二年级数学下册 #寒假充电计划 #公式.pdf
10.00金币
0下载
蜗牛文库+ 关注
实名认证
内容提供者

提供各种专业文档内容

确认删除?
QQ
  • QQ点击这里给我发消息
微信客服
  • 微信客服
回到顶部