电脑桌面
添加蜗牛文库到电脑桌面
安装后可以在桌面快捷访问

SBT 10109-1992 浸出粕立式脱溶机.pdfVIP免费

SBT 10109-1992 浸出粕立式脱溶机.pdf_第1页
SBT 10109-1992 浸出粕立式脱溶机.pdf_第2页
SBT 10109-1992 浸出粕立式脱溶机.pdf_第3页
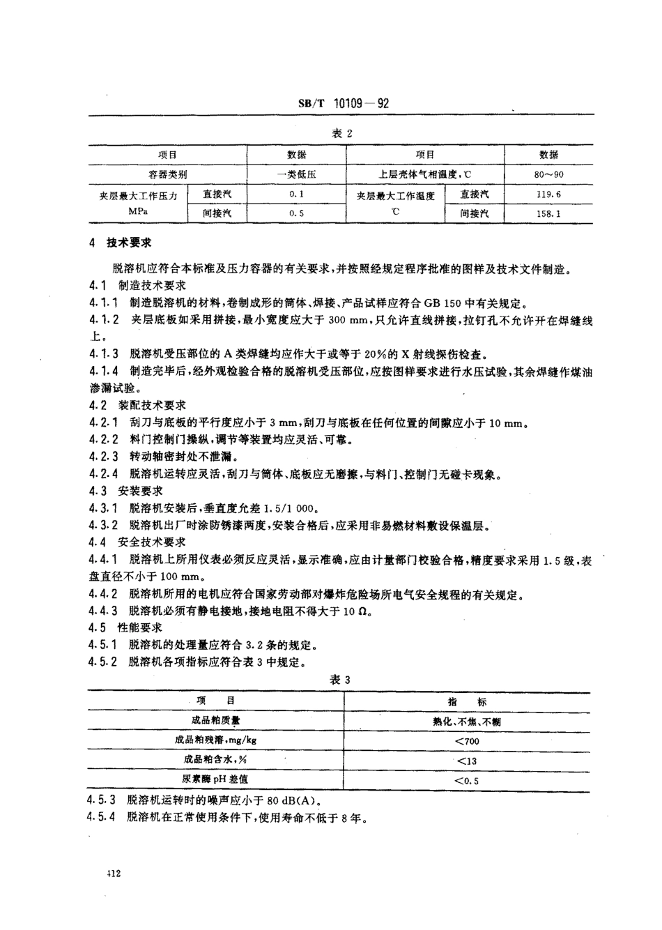
中华人民共和国商业行业标准SB/T10109一92浸出粕立式脱溶机1主月内容与适用范围本标准规定了植物油料浸出粕立式脱溶机的技术要求、试验方法、检验规则、标志、包装、运输与贮存。本标准适用于植物油脂浸出工厂,使用6号抽提溶剂油脱除浸出湿粕中溶剂用的立式脱溶机(以下简称脱溶机)。2引用标准GB150钢制压力容器GB3323钢熔化焊对接接头射线照相和质量分级GB3768噪声源声功率级的侧定简易法LS86立式脱溶机试验方法JB2536压力容器油漆包装和运物JB8产品标牌3产品分类3.1型号YTRL产品主要规格:内径(cm)X层数·产品型式:立式3.2规格应符合表1—产品名称;脱溶机—专业代号:制油机械设备的规定(以直接浸出大豆胚为准)。表1处理*.c/d305080100200300500公称宜径,cm130160180200250280350注:层数根据用户偏要确定。3.3墓本参数应符合表2的规定.中华人民共和国商业部1992一12一30批准1993一06-01实施SB/T10109一92表2项目数据项目数据容器类别一类低压上层壳体气相温度80^90夹层最大工作压力MPa直!塑间接汽夹层最大工作温度℃,℃直接汽间接汽119.6158.14技术要求脱溶机应符合本标准及压力容器的有关要求,并按照经规定程序批准的图样及技术文件制造。4.1制造技术要求4.1.1制造脱溶机的材料,卷制成形的筒体、焊接、产品试样应符合6B150中有关规定。4.1.2夹层底板如采用拼接,最小宽度应大于300mm,只允许直线拼接,拉钉孔不允许开在焊缝线上。4.1.3脱溶机受压部位的A类焊缝均应作大于或等于20%的X射线探伤检查.4.1.4制造完毕后,经外观检验合格的脱溶机受压部位,应按图样要求进行水压试验,其余焊缝作煤油渗漏试验。4.2装配技术要求4.2.1刮刀与底板的平行度应小于3mm,刮刀与底板在任何位置的间隙应小于10mm,4.2.2料门控制门操纵,调节等装置均应灵活、可靠.4.2.3转动轴密封处不泄漏。4.2.4脱溶机运转应灵活,刮刀与筒体、底板应无磨擦,与料门、控制门无碰卡现象。4.3安装要求4.3.1脱溶机安装后,垂直度允差1.5/1000.4.3.2脱溶机出厂时涂防锈漆两度,安装合格后,应采用非易燃材料敷设保温层。4.4安全技术要求4.4.1脱溶机上所用仪表必须反应灵活,显示准确,应由计量部门校验合格,精度要求采用1.5级,表盘直径不小于100mm,4.4.2脱溶机所用的电机应符合国家劳动部对爆炸危险场所电气安全规程的有关规定。4.4.3脱溶机必须有静电接地,接地电阻不得大于10no4.5性能要求4.5.1脱溶机的处理量应符合3.2条的规定。452脱溶机各项指标应符合表3中规定。表3项目指标...

1、当您付费下载文档后,您只拥有了使用权限,并不意味着购买了版权,文档只能用于自身使用,不得用于其他商业用途(如 [转卖]进行直接盈利或[编辑后售卖]进行间接盈利)。
2、本站所有内容均由合作方或网友上传,本站不对文档的完整性、权威性及其观点立场正确性做任何保证或承诺!文档内容仅供研究参考,付费前请自行鉴别。
3、如文档内容存在违规,或者侵犯商业秘密、侵犯著作权等,请点击“违规举报”。

碎片内容

蜗牛文库的最新文档

二年级数学下册其中检测卷二年级数学下册其中检测卷附答案#期中测试卷.pdf
10.00金币
0下载
二年级数学下册期末质检卷(苏教版)二年级数学下册期末质检卷(苏教版)#期末复习 #期末测试卷 #二年级数学 #二年级数学下册#关注我持续更新小学知识.pdf
10.00金币
0下载
二年级数学下册期末混合运算专项练习二年级数学下册期末混合运算专项练习#二年级#二年级数学下册#关注我持续更新小学知识 #知识分享 #家长收藏孩子受益.pdf
10.00金币
1下载
二年级数学下册年月日三类周期问题解题方法二年级数学下册年月日三类周期问题解题方法#二年级#二年级数学下册#知识分享 #关注我持续更新小学知识 #家长收藏孩子受益.pdf
10.00金币
0下载
二年级数学下册解决问题专项训练二年级数学下册解决问题专项训练#专项训练#解决问题#二年级#二年级数学下册#知识分享.pdf
10.00金币
1下载
二年级数学下册还原问题二年级数学下册还原问题#二年级#二年级数学#关注我持续更新小学知识 #知识分享 #家长收藏孩子受益.pdf
10.00金币
1下载
二年级数学下册第六单元考试卷家长打印出来给孩子测试测试争取拿到高分!#小学二年级试卷分享 #二年级第六单考试数学 #第六单考试#二年级数学下册.pdf
10.00金币
0下载
二年级数学下册必背顺口溜口诀汇总二年级数学下册必背顺口溜口诀汇总#二年级#二年级数学下册 #知识分享 #家长收藏孩子受益 #关注我持续更新小学知识.pdf
10.00金币
0下载
二年级数学下册《重点难点思维题》两大问题解决技巧和方法巧算星期几解决周期问题还原问题强化思维训练老师精心整理家长可以打印出来给孩子练习#家长收藏孩子受益 #学霸秘籍 #思维训练 #二年级 #知识点总结.pdf
10.00金币
0下载
二年级数学下册 必背公式大全寒假提前背一背开学更轻松#二年级 #二年级数学 #二年级数学下册 #寒假充电计划 #公式.pdf
10.00金币
0下载
蜗牛文库+ 关注
实名认证
内容提供者

提供各种专业文档内容

确认删除?
QQ
  • QQ点击这里给我发消息
微信客服
  • 微信客服
回到顶部