电脑桌面
添加蜗牛文库到电脑桌面
安装后可以在桌面快捷访问

SBT 10081-1992 粮食斗式提升机.pdfVIP免费

SBT 10081-1992 粮食斗式提升机.pdf_第1页
SBT 10081-1992 粮食斗式提升机.pdf_第2页
SBT 10081-1992 粮食斗式提升机.pdf_第3页
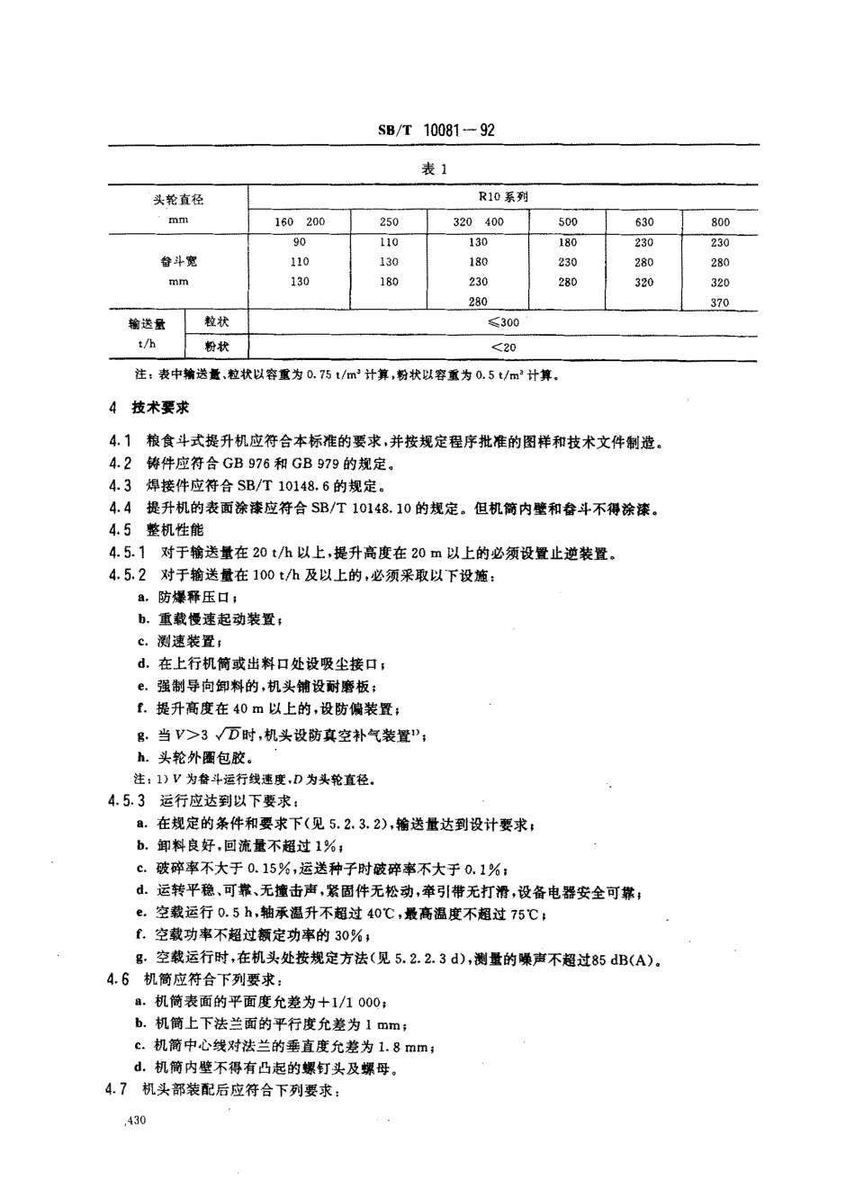
中华人民共和国商业行业标准SH/T10081一92粮食斗式提升机,主肠内容与适用范围本标准规定了粮食斗式提升机的分类、技术要求、试验方法、检验规则和包装、标志、运输、贮存。本标准适用子连续垂直输送谷物、豆类及其加工产品、下脚以及饲料等各种粮食的斗式提升机。2弓!用标准GB1.3标准化工作导则产品标准编写规定GB524传动胶带GB976灰铸铁件分类及技术条件GB979碳素钢铸件分类及技术条件GB1184形状与位置公差未注公差的规定GB1350稻谷GB1351小麦GB3768噪声源声功率级的测定简易法GB8874粮油通用技术、设备名词术语GB8934粮食、油料及其加工产品性质和质量的名词术语GBn84聚乙烯成型品卫生标准SB/T10148.6粮油机械通用技术条件焊制件SB/T10148.10粮油机械通用技术条件表面涂漆3产品分类型号示例DTGT-T-产品规格:头轮直径x番斗宽度(cm)型式代号:固定式品种代号:斗式提升机专业代号:粮油通用机械设备系列墓本参教见表1:TTll|eesl|ewel||tl|月..n乙3.3.中华人民共和国商业部1992一0一14批准1992门2一01实施sB/T10081一92表1头轮直径Inn】R10系列1602002503204005的630800mm90飞10130110130180130180230280180230280230280320230280320370华粒状(300粉状<20注:表中输送盘、较状以容重为。.75t/m'计算,粉状以容重为。.5t/m'计算。4技术要求41粮食斗式提升机应符合本标准的要求,并按规定程序批准的图样和技术文件制造。4.2铸件应符合GB976和GB97,的规定.4.3焊接件应符合SB/T10148.6的规定.4.4提升机的表面涂漆应符合SB/T10148,10的规定。但机筒内壁和奋斗不得涂漆。45整机性能4.5.1对于输送量在20t/h以上,提升高度在20m以上的必须设置止逆装置。4.5.2对于输送量在100t/h及以上的.必须采取以下设施:a防爆释压口,七.重载慢速起动装置;c测速装置;d.在上行机筒或出料口处设吸尘接口;。.强制导向卸料的,机头铺设耐磨板;f.提升高度在40m以上的,设防偏装置;琶.当V>3JD时,机头设防真空补气装置”;h.头轮外圈包胶。注:1)V为备斗运行线速度n为头轮直径。4.5.3运行应达到以下要求:a.在规定的条件和要求下(见5.2.3.2),箱送量达到设计要求,b.卸料良好,回流量不超过1%;。破碎率不大于。‘15肠,运送种子时破碎率不大于0.10o;d.运转平稳、可靠、无撞击声,紧固件无松动,牵引带无打滑,设备电器安全可靠;e空载运行。,5h,轴承温升不超过401C,最高温度不超过75V;f空载功率不超过额定功率的30%;9-空载运行时,在机头处按规定方法〔见5.2.2.3d),测量的嗓声不超过8...

1、当您付费下载文档后,您只拥有了使用权限,并不意味着购买了版权,文档只能用于自身使用,不得用于其他商业用途(如 [转卖]进行直接盈利或[编辑后售卖]进行间接盈利)。
2、本站所有内容均由合作方或网友上传,本站不对文档的完整性、权威性及其观点立场正确性做任何保证或承诺!文档内容仅供研究参考,付费前请自行鉴别。
3、如文档内容存在违规,或者侵犯商业秘密、侵犯著作权等,请点击“违规举报”。

碎片内容

蜗牛文库的最新文档

二年级数学下册其中检测卷二年级数学下册其中检测卷附答案#期中测试卷.pdf
10.00金币
0下载
二年级数学下册期末质检卷(苏教版)二年级数学下册期末质检卷(苏教版)#期末复习 #期末测试卷 #二年级数学 #二年级数学下册#关注我持续更新小学知识.pdf
10.00金币
0下载
二年级数学下册期末混合运算专项练习二年级数学下册期末混合运算专项练习#二年级#二年级数学下册#关注我持续更新小学知识 #知识分享 #家长收藏孩子受益.pdf
10.00金币
1下载
二年级数学下册年月日三类周期问题解题方法二年级数学下册年月日三类周期问题解题方法#二年级#二年级数学下册#知识分享 #关注我持续更新小学知识 #家长收藏孩子受益.pdf
10.00金币
0下载
二年级数学下册解决问题专项训练二年级数学下册解决问题专项训练#专项训练#解决问题#二年级#二年级数学下册#知识分享.pdf
10.00金币
1下载
二年级数学下册还原问题二年级数学下册还原问题#二年级#二年级数学#关注我持续更新小学知识 #知识分享 #家长收藏孩子受益.pdf
10.00金币
1下载
二年级数学下册第六单元考试卷家长打印出来给孩子测试测试争取拿到高分!#小学二年级试卷分享 #二年级第六单考试数学 #第六单考试#二年级数学下册.pdf
10.00金币
0下载
二年级数学下册必背顺口溜口诀汇总二年级数学下册必背顺口溜口诀汇总#二年级#二年级数学下册 #知识分享 #家长收藏孩子受益 #关注我持续更新小学知识.pdf
10.00金币
0下载
二年级数学下册《重点难点思维题》两大问题解决技巧和方法巧算星期几解决周期问题还原问题强化思维训练老师精心整理家长可以打印出来给孩子练习#家长收藏孩子受益 #学霸秘籍 #思维训练 #二年级 #知识点总结.pdf
10.00金币
0下载
二年级数学下册 必背公式大全寒假提前背一背开学更轻松#二年级 #二年级数学 #二年级数学下册 #寒假充电计划 #公式.pdf
10.00金币
0下载
蜗牛文库+ 关注
实名认证
内容提供者

提供各种专业文档内容

确认删除?
QQ
  • QQ点击这里给我发消息
微信客服
  • 微信客服
回到顶部