电脑桌面
添加蜗牛文库到电脑桌面
安装后可以在桌面快捷访问

HG 2028-1991 工业二甲基甲酰胺.pdfVIP免费

HG 2028-1991 工业二甲基甲酰胺.pdf_第1页
HG 2028-1991 工业二甲基甲酰胺.pdf_第2页
HG 2028-1991 工业二甲基甲酰胺.pdf_第3页
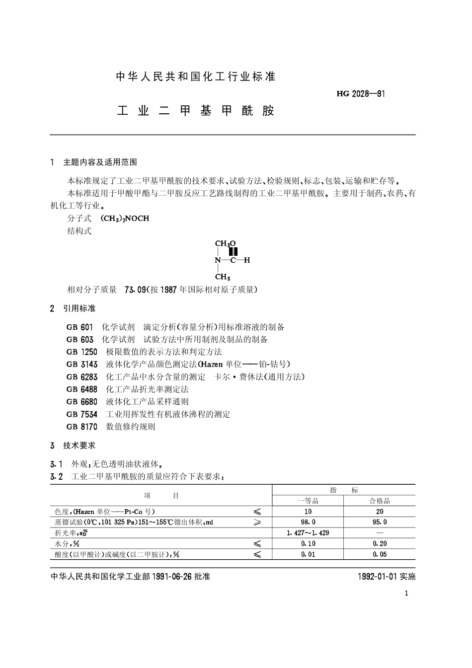
中华人民共和国化工行业标准工业二甲基甲酰胺发布实施中华人民共和国化学工业部发布中华人民共和国化工行业标准工业二甲基甲酰胺主题内容及适用范围本标准规定了工业二甲基甲酰胺的技术要求试验方法检验规则标志包装运输和贮存等本标准适用于甲酸甲酯与二甲胺反应工艺路线制得的工业二甲基甲酰胺主要用于制药农药有机化工等行业分子式结构式相对分子质量按年国际相对原子质量引用标准化学试剂滴定分析容量分析用标准溶液的制备化学试剂试验方法中所用制剂及制品的制备极限数值的表示方法和判定方法液体化学产品颜色测定法单位铂钴号化工产品中水分含量的测定卡尔费休法通用方法化工产品折光率测定法液体化工产品采样通则工业用挥发性有机液体沸程的测定数值修约规则技术要求外观无色透明油状液体工业二甲基甲酰胺的质量应符合下表要求项目指标一等品合格品色度单位号蒸镏试验镏出体积折光率水分酸度以甲酸计或碱度以二甲胺计中华人民共和国化学工业部批准实施试验方法本标准所用试剂和水在没有注明其他特殊要求时均使用分折纯试剂和蒸镏水或同等纯度的水本标准所用标准溶液制剂及制品在没有注明其他特殊要求时均按规定执行色度测定按执行蒸馏试验按执行二甲基甲酰胺沸点随压力变化率折光率测定按执行水分测定称样量为精确至其他均按执行两次平行测定结果之差不得大于取其算术平均值为测定结果酸度或碱度的测定方法提要以中性红溴百里酚蓝混合指示剂用盐酸或氢氧化钠标准滴定液滴定二甲基甲酰胺水溶液求取样品的酸度或碱度试剂和溶液盐酸标准滴定溶液氢氧化钠标准滴定溶液中性红溴百里酚蓝混合指示剂的中性红乙醇溶液与的溴百里酚蓝乙醇溶液等体积混合为的蒸馏水用稀盐酸或稀氢氧化铵溶液将蒸馏水调至为分析步骤用移液管移取实验室样品于盛有蒸馏水的锥形瓶中混匀加滴中性红溴百里酚蓝混合指示剂若溶液呈红色则是酸性用氢氧化钠标准滴定溶液滴定至溶液由红色变为暗绿色即为终点若溶液呈绿色则是碱性用盐酸标准滴定溶液滴至溶液由绿色变为红色即为终点按碱或酸的消耗体积求取实验室样品的酸度或碱度结果的表示和计算酸的质量百分含量以甲酸计按式计算式中试样消耗的氢氧化钠标准滴定溶液的体积氢氧化钠标准滴定溶液的实际浓度二甲基甲酰胺密度与氢氧化钠标准滴定溶液相当的以克表示的甲酸的质量碱的质量百分含量以二甲胺计按式计算式中试样消耗的盐酸标准滴定溶液的体积盐酸标准滴定溶液的实际浓度二甲基甲酰胺密度与盐酸标准滴定溶液相当的以克表示...

1、当您付费下载文档后,您只拥有了使用权限,并不意味着购买了版权,文档只能用于自身使用,不得用于其他商业用途(如 [转卖]进行直接盈利或[编辑后售卖]进行间接盈利)。
2、本站所有内容均由合作方或网友上传,本站不对文档的完整性、权威性及其观点立场正确性做任何保证或承诺!文档内容仅供研究参考,付费前请自行鉴别。
3、如文档内容存在违规,或者侵犯商业秘密、侵犯著作权等,请点击“违规举报”。

碎片内容

蜗牛文库的最新文档

二年级数学下册其中检测卷二年级数学下册其中检测卷附答案#期中测试卷.pdf
10.00金币
0下载
二年级数学下册期末质检卷(苏教版)二年级数学下册期末质检卷(苏教版)#期末复习 #期末测试卷 #二年级数学 #二年级数学下册#关注我持续更新小学知识.pdf
10.00金币
0下载
二年级数学下册期末混合运算专项练习二年级数学下册期末混合运算专项练习#二年级#二年级数学下册#关注我持续更新小学知识 #知识分享 #家长收藏孩子受益.pdf
10.00金币
1下载
二年级数学下册年月日三类周期问题解题方法二年级数学下册年月日三类周期问题解题方法#二年级#二年级数学下册#知识分享 #关注我持续更新小学知识 #家长收藏孩子受益.pdf
10.00金币
0下载
二年级数学下册解决问题专项训练二年级数学下册解决问题专项训练#专项训练#解决问题#二年级#二年级数学下册#知识分享.pdf
10.00金币
1下载
二年级数学下册还原问题二年级数学下册还原问题#二年级#二年级数学#关注我持续更新小学知识 #知识分享 #家长收藏孩子受益.pdf
10.00金币
1下载
二年级数学下册第六单元考试卷家长打印出来给孩子测试测试争取拿到高分!#小学二年级试卷分享 #二年级第六单考试数学 #第六单考试#二年级数学下册.pdf
10.00金币
0下载
二年级数学下册必背顺口溜口诀汇总二年级数学下册必背顺口溜口诀汇总#二年级#二年级数学下册 #知识分享 #家长收藏孩子受益 #关注我持续更新小学知识.pdf
10.00金币
0下载
二年级数学下册《重点难点思维题》两大问题解决技巧和方法巧算星期几解决周期问题还原问题强化思维训练老师精心整理家长可以打印出来给孩子练习#家长收藏孩子受益 #学霸秘籍 #思维训练 #二年级 #知识点总结.pdf
10.00金币
0下载
二年级数学下册 必背公式大全寒假提前背一背开学更轻松#二年级 #二年级数学 #二年级数学下册 #寒假充电计划 #公式.pdf
10.00金币
0下载
蜗牛文库+ 关注
实名认证
内容提供者

提供各种专业文档内容

确认删除?
QQ
  • QQ点击这里给我发消息
微信客服
  • 微信客服
回到顶部