电脑桌面
添加蜗牛文库到电脑桌面
安装后可以在桌面快捷访问

HG 2611-1994 灭多威原药.pdfVIP免费

HG 2611-1994 灭多威原药.pdf_第1页
HG 2611-1994 灭多威原药.pdf_第2页
HG 2611-1994 灭多威原药.pdf_第3页
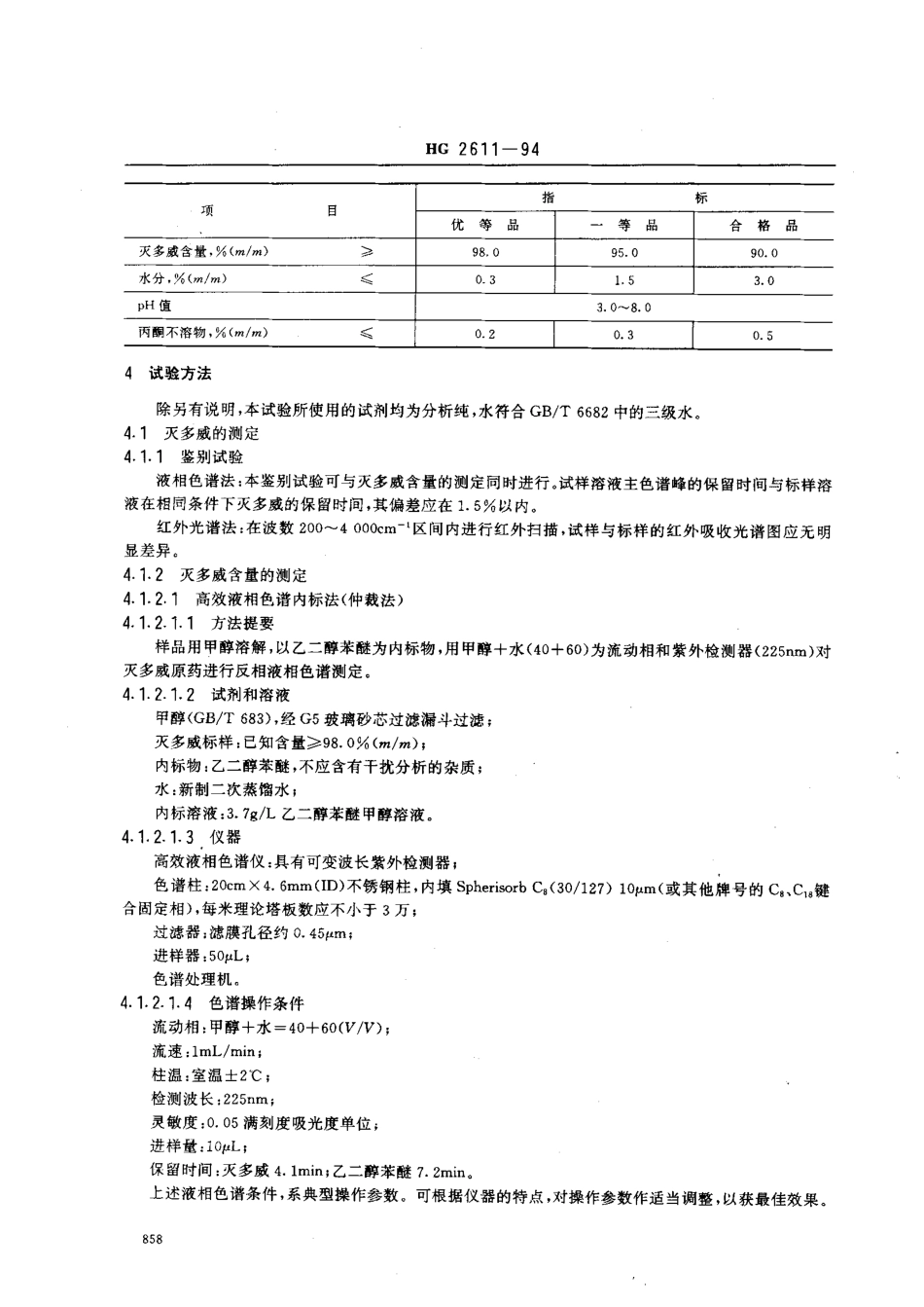
中华人民共和国化工行业标准HG2611一94灭多威原药灭多威的其他名称、结构式和基本物化参数如下:ISO通用名称:MethomylCIPAC数字代码;264化学名称:1-(甲硫基)亚乙基氨甲基氨基甲酸酷结构式:CH,NH-CO-O-N一C-SCH,CH,经验式:C,H,,N,O,S相对分子质量:162.2(按1989年国际相对原子质量计)生物性质:内吸性杀虫剂熔点:78-79'C蒸汽压(25'C):666.6X10-'Pa溶解度(g/L,25'C):水58,甲醉1000,丙酮730;乙醉420,稳定性:固体状态稳定,中性和微酸性介质中稳定,碱性溶液中缓慢分解,潮湿土镶中易分解。1主肠内容与适用范围本标准规定了灭多威原药的技术要求、试验方法、检验规则及标志、包装、运输和贮存要求。本标准适用于由灭多威原药及生产中产生的杂质组成的灭多威原药,应无外来杂质和添加的改性剂。2弓F用标准GB/T601化学试剂滴定分析(容量分析)用标准溶液的制备GB/T1600农药水分测定方法GB/T1601农药pH值的测定方法GB/T1604农药验收规则GB/T1605商品农药采样方法GB3796农药包装通则技术条件外观:本品应为白色至浅黄色结晶粉末。灭多威原药应符合下列指标要求;3侧粗中华人民共和国化学工业部1994一04一04批准1994一10一01实施HG2611一94李一成灭多威含量,%cm/m>水分,%(,/。)pH值丙酮不溶物,%(m/m)优等品98.0合格品90.03.0^-8.03.00.54试验方法除另有说明,本试验所使用的试剂均为分析纯,水符合GB/T6682中的三级水。4.1灭多威的测定4.1.1鉴别试验液相色谱法:本鉴别试验可与灭多威含量的测定同时进行。试样溶液主色谱峰的保留时间与标样溶液在相同条件下灭多威的保留时间,其偏差应在1.5%以内。红外光谱法:在波数2004000cm-‘区间内进行红外扫描,试样与标样的红外吸收光谱图应无明显差异。4.1.2灭多威含量的测定4.1.2.,高效液相色谱内标法(仲裁法)4.1.2.1.1方法提要样品用甲醇溶解,以乙二醇苯醚为内标物,用甲醉+水(40+60)为流动相和紫外检测器(225nm)对灭多威原药进行反相液相色谱测定.4.1.2.1.2试剂和溶液甲醇(GB/T683),经G5玻璃砂芯过滤漏斗过滤;灭多威标样:已知含量)98.0%(m/m);4.1内标物:乙二醇苯醚,不应含有干扰分析的杂质;水:新制二次蒸馏水;内标溶液:3.7g/L乙二醇苯醚甲醇溶液。2.1.3仪器高效液相色谱仪:具有可变波长紫外检测器;色谱柱:20cmX4.6mm(ID)不锈钢柱,内填SpherisorbCa(30/127)合固定相),每米理论塔板数应不小于3万;过滤器:滤膜孔径约。45pm;进样器:50pL;色谱处理机。4.1.2-1.4色谱操作条件流动相:甲醇+水=40+60(V/V);流速:1mL/min...

1、当您付费下载文档后,您只拥有了使用权限,并不意味着购买了版权,文档只能用于自身使用,不得用于其他商业用途(如 [转卖]进行直接盈利或[编辑后售卖]进行间接盈利)。
2、本站所有内容均由合作方或网友上传,本站不对文档的完整性、权威性及其观点立场正确性做任何保证或承诺!文档内容仅供研究参考,付费前请自行鉴别。
3、如文档内容存在违规,或者侵犯商业秘密、侵犯著作权等,请点击“违规举报”。

碎片内容

蜗牛文库的最新文档

二年级数学下册其中检测卷二年级数学下册其中检测卷附答案#期中测试卷.pdf
10.00金币
0下载
二年级数学下册期末质检卷(苏教版)二年级数学下册期末质检卷(苏教版)#期末复习 #期末测试卷 #二年级数学 #二年级数学下册#关注我持续更新小学知识.pdf
10.00金币
0下载
二年级数学下册期末混合运算专项练习二年级数学下册期末混合运算专项练习#二年级#二年级数学下册#关注我持续更新小学知识 #知识分享 #家长收藏孩子受益.pdf
10.00金币
1下载
二年级数学下册年月日三类周期问题解题方法二年级数学下册年月日三类周期问题解题方法#二年级#二年级数学下册#知识分享 #关注我持续更新小学知识 #家长收藏孩子受益.pdf
10.00金币
0下载
二年级数学下册解决问题专项训练二年级数学下册解决问题专项训练#专项训练#解决问题#二年级#二年级数学下册#知识分享.pdf
10.00金币
1下载
二年级数学下册还原问题二年级数学下册还原问题#二年级#二年级数学#关注我持续更新小学知识 #知识分享 #家长收藏孩子受益.pdf
10.00金币
1下载
二年级数学下册第六单元考试卷家长打印出来给孩子测试测试争取拿到高分!#小学二年级试卷分享 #二年级第六单考试数学 #第六单考试#二年级数学下册.pdf
10.00金币
0下载
二年级数学下册必背顺口溜口诀汇总二年级数学下册必背顺口溜口诀汇总#二年级#二年级数学下册 #知识分享 #家长收藏孩子受益 #关注我持续更新小学知识.pdf
10.00金币
0下载
二年级数学下册《重点难点思维题》两大问题解决技巧和方法巧算星期几解决周期问题还原问题强化思维训练老师精心整理家长可以打印出来给孩子练习#家长收藏孩子受益 #学霸秘籍 #思维训练 #二年级 #知识点总结.pdf
10.00金币
0下载
二年级数学下册 必背公式大全寒假提前背一背开学更轻松#二年级 #二年级数学 #二年级数学下册 #寒假充电计划 #公式.pdf
10.00金币
0下载
蜗牛文库+ 关注
实名认证
内容提供者

提供各种专业文档内容

确认删除?
QQ
  • QQ点击这里给我发消息
微信客服
  • 微信客服
回到顶部