电脑桌面
添加蜗牛文库到电脑桌面
安装后可以在桌面快捷访问

HG 3257-2001 牙膏工业用磷酸氢钙.pdfVIP免费

HG 3257-2001 牙膏工业用磷酸氢钙.pdf_第1页
HG 3257-2001 牙膏工业用磷酸氢钙.pdf_第2页
HG 3257-2001 牙膏工业用磷酸氢钙.pdf_第3页
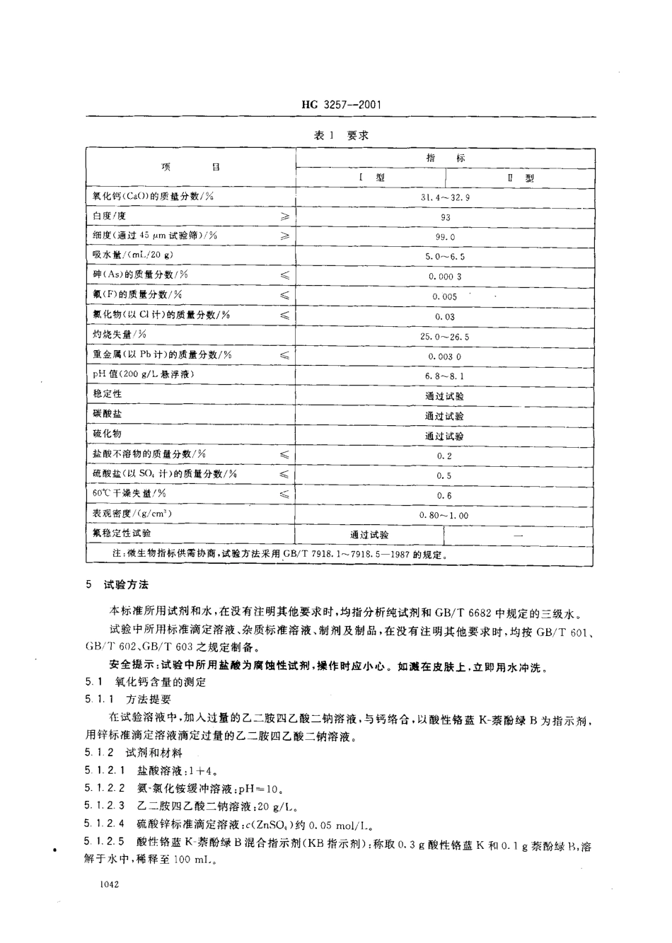
备案号10077-2002HC3257-2001前言本标准的全部技术内容为强制性本标准是对强制性化工行业标准HG3257--1990!(牙膏工业用磷酸氢钙》修汀而成本标准与HG3257-1990的主要技术差异为:增加盐酸不溶物、硫酸盐,60℃干燥失量、表观密度和氟稳定性试验五项指标及其指标参数和试验方法一将优等品和一等品二个级别调整为一个级别。一部分项目的指标参数进行了调整。一白度的测定采用全自动白度仪测定,并以甘茨WG表示。-一氟含量测定采用氟离子选择电极方法测定本标准自实施之日起,同时代替HG3257-1990,木标准由原国家石油和化学工业局政策法规司提出。本标准由全国化学标准化技术委员会无机化工分会归日。本标准起草单位:天津化工研究设计院、连云港市德邦精细化工有限责任公司、昆明化工中试厂。本标准主要起草人:李光明、刘真、侯廷骥、李祺、黄千钧本标准首次发布于1990年,1999年由专业标准转化为强制性化工行业标准,重新编号为HG3257---1990本标准委托全国化学标准化技术委员会无机化工分会负责解释。1040中华人民共和国化工行业标准3257-2001HG储牙膏工业用磷酸氢钙HG3257-1990Calciumphosphatedibasicfortooth-pasteindustry范围本标准规定了牙膏工业用磷酸氢钙的要求、试验方法、检验规则、标志、标签、包装、运输、贮存。本标准适用于复分解法和中和法生产的牙膏工业用磷酸氢钙该产品用作牙膏的摩擦剂。分子式:CIHP04·2H,0相对分子质量:172.10(按1999年国际相对原子质量)2引用标准F列标准所包含的条文,通过在本标准中引用而构成为本标准的条文本标准出版时,所示版本均为有效。所有标准都会被修订,使用本标准的各方应探讨使用下列标准最新版本的可能性GB/T601一1988化学试剂滴定分析(容量分析)用标准溶液的制备GB/T602-1988化学试剂杂质测定用标准溶液的制备(neqISO6353-1;1982)GB/T603-1988化学试剂试验方法中所用制剂及制品的制备(neqISO6353-1;1982)GB/1'610.1--1988化学试剂砷测定通用方法(砷斑法)GB/丁5950---1996建筑材料与金属矿产品白度测定方法GH/T6003.1-1997金属丝编织网试验筛(;B,/'I'6678-1986化工产品采样总则GI3/T6682-1992分析实验室用水规格和试验方法(eqvISO3696:1987)GB7918.1--1987化妆品微生物标准检验方法总则GB7918.2-1987化妆品微生物标准检验方法细菌总数GB7918.3-1987化妆品微生物标准检验方法粪大肠菌群GB7918.4-1987化妆品微生物标准检验方法绿脓杆菌GB7918.5-1987化妆品微生物标准检验方法金黄色葡萄球菌(UIvT908...

1、当您付费下载文档后,您只拥有了使用权限,并不意味着购买了版权,文档只能用于自身使用,不得用于其他商业用途(如 [转卖]进行直接盈利或[编辑后售卖]进行间接盈利)。
2、本站所有内容均由合作方或网友上传,本站不对文档的完整性、权威性及其观点立场正确性做任何保证或承诺!文档内容仅供研究参考,付费前请自行鉴别。
3、如文档内容存在违规,或者侵犯商业秘密、侵犯著作权等,请点击“违规举报”。

碎片内容

蜗牛文库的最新文档

二年级数学下册其中检测卷二年级数学下册其中检测卷附答案#期中测试卷.pdf
10.00金币
0下载
二年级数学下册期末质检卷(苏教版)二年级数学下册期末质检卷(苏教版)#期末复习 #期末测试卷 #二年级数学 #二年级数学下册#关注我持续更新小学知识.pdf
10.00金币
0下载
二年级数学下册期末混合运算专项练习二年级数学下册期末混合运算专项练习#二年级#二年级数学下册#关注我持续更新小学知识 #知识分享 #家长收藏孩子受益.pdf
10.00金币
1下载
二年级数学下册年月日三类周期问题解题方法二年级数学下册年月日三类周期问题解题方法#二年级#二年级数学下册#知识分享 #关注我持续更新小学知识 #家长收藏孩子受益.pdf
10.00金币
0下载
二年级数学下册解决问题专项训练二年级数学下册解决问题专项训练#专项训练#解决问题#二年级#二年级数学下册#知识分享.pdf
10.00金币
1下载
二年级数学下册还原问题二年级数学下册还原问题#二年级#二年级数学#关注我持续更新小学知识 #知识分享 #家长收藏孩子受益.pdf
10.00金币
1下载
二年级数学下册第六单元考试卷家长打印出来给孩子测试测试争取拿到高分!#小学二年级试卷分享 #二年级第六单考试数学 #第六单考试#二年级数学下册.pdf
10.00金币
0下载
二年级数学下册必背顺口溜口诀汇总二年级数学下册必背顺口溜口诀汇总#二年级#二年级数学下册 #知识分享 #家长收藏孩子受益 #关注我持续更新小学知识.pdf
10.00金币
0下载
二年级数学下册《重点难点思维题》两大问题解决技巧和方法巧算星期几解决周期问题还原问题强化思维训练老师精心整理家长可以打印出来给孩子练习#家长收藏孩子受益 #学霸秘籍 #思维训练 #二年级 #知识点总结.pdf
10.00金币
0下载
二年级数学下册 必背公式大全寒假提前背一背开学更轻松#二年级 #二年级数学 #二年级数学下册 #寒假充电计划 #公式.pdf
10.00金币
0下载
蜗牛文库+ 关注
实名认证
内容提供者

提供各种专业文档内容

确认删除?
QQ
  • QQ点击这里给我发消息
微信客服
  • 微信客服
回到顶部