电脑桌面
添加蜗牛文库到电脑桌面
安装后可以在桌面快捷访问

GBT 3099.2-2004; 紧固件术语 盲铆钉.pdfVIP免费

GBT 3099.2-2004; 紧固件术语 盲铆钉.pdf_第1页
GBT 3099.2-2004; 紧固件术语 盲铆钉.pdf_第2页
GBT 3099.2-2004; 紧固件术语 盲铆钉.pdf_第3页
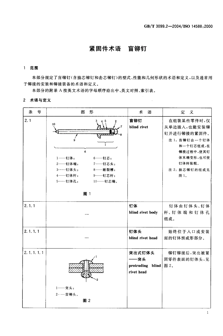
ICS21.060.40J13荡黔中华人民共和国国家标准GB/T3099.2-2004/ISO14588:2000紧固件术语盲铆钉Terminologyoffasteners-Blindrivets(ISO14588:2000,Blindrivets-Terminologyanddefinitions,IDT)2004-02-10发布2004-08-01实施中华人民共和国国家质量监督检验检疫总局中国国家标准化管理委员会发布GB/T3099.2-2004/ISO14588:2000Nil青本部分是国家标准“紧固件术语”系列标准之一该系列包括:a)GB/T3099-1982螺栓、螺钉、螺母及附件名词术语(修订时标准编号将改为:GB/T3099.1)b)GB/T3099.2-2004紧固件术语盲铆钉本部分是GB/T3099的第2部分本部分等同采用国际标准ISO14588:2000《盲铆钉术语和定义)}(英文版),主要修改如下:-ISO14588给出英文及法文的术语与定义,本标准仅给出中文的术语与定义,以及英文术语。本部分的附录A为资料性附录。本部分由中国机械工业联合会提出。本部分由全国紧固件标准化技术委员会(SAC/TC85)归口。本部分由机械科学研究院负责起草,上海安字实业有限公司参加起草。本部分由全国紧固件标准化技术委员会秘书处负责解释。本部分系首次发布GB/T3099.2-2004/ISO14588:2000紧固件术语盲铆钉范围本部分规定了盲铆钉(含抽芯铆钉和击芯铆钉)的型式、性能和几何形状的术语和定义,以及通常用于铆接的安装和铆接装备的术语和定义。本部分的附录A按英文术语的字母顺序给出中、英文对照、索引表。2术语与定义GB/T3099.2-2004/ISO14588:2000条号图形术语定义2.1.1.1.2瓣I一沉头;2—盲铆头.图3埋入式钉体头—沉头countersunkblindrivethead铆钉铆接后,与被紧固零件表面齐平的钉体头,见图302.1.1.2钉体杆blindrivetshank钉体头以下至钉体端的部分。注:其截面一般是圆形的。2.1.1.3钉体端blindrivetend位于距钉体头最远的钉体杆末端注:它可以是封闭型、开口型或扩口型2.1.1.4钉体孔blindrivetcore钉体的轴向孔。注:可以全部或部分通过钉体全长。2.1.2钉芯mandrel是预装在钉体中的元件,通常有一个断裂槽。注1:它有一个徽粗头,钉芯杆可是光杆或制出环槽。注2:拉出或击人钉芯,使钉体端变形为盲铆头2.1.3盲铆头blindhead钉体的胀粗部分。铆接时远距钉体头的钉体端在钉芯头的作用下,变形而形成的部分,见图2和图3。2.2钉芯型式TypesofblindrivetmandrelsandpinsGB/T3099.2-2004/ISO14588:2000条号图形术语定义2.2.1抽拉式钉芯pullmandrel铆钉插人被紧固零件的通孔后,钉芯受轴向拉力,其头部使钉体端变形而形成盲铆头。注:多种型式的抽拉式钉...

1、当您付费下载文档后,您只拥有了使用权限,并不意味着购买了版权,文档只能用于自身使用,不得用于其他商业用途(如 [转卖]进行直接盈利或[编辑后售卖]进行间接盈利)。
2、本站所有内容均由合作方或网友上传,本站不对文档的完整性、权威性及其观点立场正确性做任何保证或承诺!文档内容仅供研究参考,付费前请自行鉴别。
3、如文档内容存在违规,或者侵犯商业秘密、侵犯著作权等,请点击“违规举报”。

碎片内容

蜗牛文库的最新文档

二年级数学下册其中检测卷二年级数学下册其中检测卷附答案#期中测试卷.pdf
10.00金币
0下载
二年级数学下册期末质检卷(苏教版)二年级数学下册期末质检卷(苏教版)#期末复习 #期末测试卷 #二年级数学 #二年级数学下册#关注我持续更新小学知识.pdf
10.00金币
0下载
二年级数学下册期末混合运算专项练习二年级数学下册期末混合运算专项练习#二年级#二年级数学下册#关注我持续更新小学知识 #知识分享 #家长收藏孩子受益.pdf
10.00金币
1下载
二年级数学下册年月日三类周期问题解题方法二年级数学下册年月日三类周期问题解题方法#二年级#二年级数学下册#知识分享 #关注我持续更新小学知识 #家长收藏孩子受益.pdf
10.00金币
0下载
二年级数学下册解决问题专项训练二年级数学下册解决问题专项训练#专项训练#解决问题#二年级#二年级数学下册#知识分享.pdf
10.00金币
1下载
二年级数学下册还原问题二年级数学下册还原问题#二年级#二年级数学#关注我持续更新小学知识 #知识分享 #家长收藏孩子受益.pdf
10.00金币
1下载
二年级数学下册第六单元考试卷家长打印出来给孩子测试测试争取拿到高分!#小学二年级试卷分享 #二年级第六单考试数学 #第六单考试#二年级数学下册.pdf
10.00金币
0下载
二年级数学下册必背顺口溜口诀汇总二年级数学下册必背顺口溜口诀汇总#二年级#二年级数学下册 #知识分享 #家长收藏孩子受益 #关注我持续更新小学知识.pdf
10.00金币
0下载
二年级数学下册《重点难点思维题》两大问题解决技巧和方法巧算星期几解决周期问题还原问题强化思维训练老师精心整理家长可以打印出来给孩子练习#家长收藏孩子受益 #学霸秘籍 #思维训练 #二年级 #知识点总结.pdf
10.00金币
0下载
二年级数学下册 必背公式大全寒假提前背一背开学更轻松#二年级 #二年级数学 #二年级数学下册 #寒假充电计划 #公式.pdf
10.00金币
0下载
蜗牛文库+ 关注
实名认证
内容提供者

提供各种专业文档内容

确认删除?
QQ
  • QQ点击这里给我发消息
微信客服
  • 微信客服
回到顶部