电脑桌面
添加蜗牛文库到电脑桌面
安装后可以在桌面快捷访问

GBT 19418-2003; 钢的弧焊接头 缺陷质量分级指南.pdfVIP免费

GBT 19418-2003; 钢的弧焊接头 缺陷质量分级指南.pdf_第1页
GBT 19418-2003; 钢的弧焊接头 缺陷质量分级指南.pdf_第2页
GBT 19418-2003; 钢的弧焊接头 缺陷质量分级指南.pdf_第3页
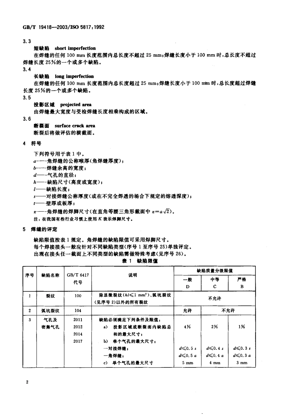
GB/T19418-200311505817:1992前言本标准等同采用国际标准ISO5817,1992(钢的弧焊接头缺陷质里匕于级指南》。本标准的附录A为资料性附录。本标准由中国机械工业联合会提出.本标准由全国焊接标准化技术委员会归口。本标准起草单位:哈尔滨焊接研究所.本标准主要起草人:朴东光。GB/T19418-2003/LSO5817:1992钢的弧焊接头缺陷质t分级指南范围本标准规定了钢弧焊接头缺陷的质量等级。这些等级与产品的制造质量有关而与其适用性(见3.1)无关。本标准适用于:—按GB/T5185规定的下述焊接方法及其工艺类别:n无气体保护的金属电弧焊;12埋弧焊;13气体保护电弧焊;14非熔化极气体保护电弧焊;15等离子弧焊;—手工、机械化及自动化焊接方法;—所有的焊接位置;—对接焊缝、角焊缝及支管接头;—厚度范围在3^-63mm的钢材。本标准未考虑冶金方面的因素,如:晶粒尺寸、硬度。2规范性引用文件下列文件中的条款通过本标准的引用而成为本标准的条款。凡是注日期的引用文件,其随后所有的修改单(不包括勘误的内容)或修订版均不适用于本标准。然而,鼓励根据本标准达成协议的各方研究是否可使用这些文件的最新版本。凡是不注日期的引用文件,其最新版本适用于本标准。GB/T324焊缝符号表示法(eqvISO2553)GB/T3375焊接术语GB/T5185金属焊接及钎焊方法在图样上的表示代号(eqvISO4063)GB/T6417金属熔化焊焊缝缺陷分奏及说明(eavISO6520)术语和定义GB/T3375确定的以及下列术语和定义适用于本标准。3.1适用性fitness-forpurpsse某一产品、工艺或服务在规定条件下服役于预定目标的能力。3.2焊缝厚度weldthickness3.2.1角焊缝厚度filletweldthickness(公称喉厚nominalthroatthickness)a在焊缝截面中,最大等腰直角三角形底边上的高度。3.2.2对接焊缝厚度buttweldthicknesss从熔化底部至工件表面的最小距离,该值不大于较薄工件的厚度。GB/T19418-2003/LSO5817:19923.3短缺陷shortimperfection在捍缝的任何100mm长度范围内总长度不超过25mm;焊缝长度小于100mm时,总长度不超过焊缝长度25%的一个或多个缺陷。3.4长缺陷longimperfection在焊缝的任何100mm长度范围内总长度超过25mm;焊缝长度小于100tntn时,总长度超过焊缝长度25%的一个或多个缺陷。3.5投影区域projectedarea由焊缝最大宽度与受检焊缝长度相乘构成的区域。3.6断裂面surfacecrackarea断裂后将做评估的横截面。4符号下列符号用于表1中。a—角焊缝的公称喉厚(角焊缝厚度);西一一~焊缝余高的宽度;d—气孔的直径;h-缺陷尺寸(高度...

1、当您付费下载文档后,您只拥有了使用权限,并不意味着购买了版权,文档只能用于自身使用,不得用于其他商业用途(如 [转卖]进行直接盈利或[编辑后售卖]进行间接盈利)。
2、本站所有内容均由合作方或网友上传,本站不对文档的完整性、权威性及其观点立场正确性做任何保证或承诺!文档内容仅供研究参考,付费前请自行鉴别。
3、如文档内容存在违规,或者侵犯商业秘密、侵犯著作权等,请点击“违规举报”。

碎片内容

蜗牛文库的最新文档

二年级数学下册其中检测卷二年级数学下册其中检测卷附答案#期中测试卷.pdf
10.00金币
0下载
二年级数学下册期末质检卷(苏教版)二年级数学下册期末质检卷(苏教版)#期末复习 #期末测试卷 #二年级数学 #二年级数学下册#关注我持续更新小学知识.pdf
10.00金币
0下载
二年级数学下册期末混合运算专项练习二年级数学下册期末混合运算专项练习#二年级#二年级数学下册#关注我持续更新小学知识 #知识分享 #家长收藏孩子受益.pdf
10.00金币
1下载
二年级数学下册年月日三类周期问题解题方法二年级数学下册年月日三类周期问题解题方法#二年级#二年级数学下册#知识分享 #关注我持续更新小学知识 #家长收藏孩子受益.pdf
10.00金币
0下载
二年级数学下册解决问题专项训练二年级数学下册解决问题专项训练#专项训练#解决问题#二年级#二年级数学下册#知识分享.pdf
10.00金币
1下载
二年级数学下册还原问题二年级数学下册还原问题#二年级#二年级数学#关注我持续更新小学知识 #知识分享 #家长收藏孩子受益.pdf
10.00金币
1下载
二年级数学下册第六单元考试卷家长打印出来给孩子测试测试争取拿到高分!#小学二年级试卷分享 #二年级第六单考试数学 #第六单考试#二年级数学下册.pdf
10.00金币
0下载
二年级数学下册必背顺口溜口诀汇总二年级数学下册必背顺口溜口诀汇总#二年级#二年级数学下册 #知识分享 #家长收藏孩子受益 #关注我持续更新小学知识.pdf
10.00金币
0下载
二年级数学下册《重点难点思维题》两大问题解决技巧和方法巧算星期几解决周期问题还原问题强化思维训练老师精心整理家长可以打印出来给孩子练习#家长收藏孩子受益 #学霸秘籍 #思维训练 #二年级 #知识点总结.pdf
10.00金币
0下载
二年级数学下册 必背公式大全寒假提前背一背开学更轻松#二年级 #二年级数学 #二年级数学下册 #寒假充电计划 #公式.pdf
10.00金币
0下载
蜗牛文库+ 关注
实名认证
内容提供者

提供各种专业文档内容

确认删除?
QQ
  • QQ点击这里给我发消息
微信客服
  • 微信客服
回到顶部