电脑桌面
添加蜗牛文库到电脑桌面
安装后可以在桌面快捷访问

GBT 15594-1995 八羟基聚醚多元醇.pdfVIP免费

GBT 15594-1995 八羟基聚醚多元醇.pdf_第1页
GBT 15594-1995 八羟基聚醚多元醇.pdf_第2页
GBT 15594-1995 八羟基聚醚多元醇.pdf_第3页
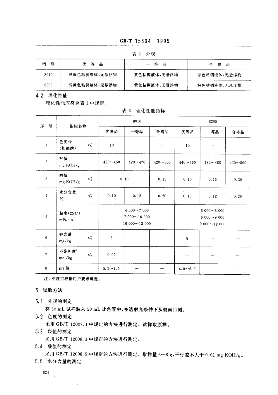
中华人民共和国国家标准GB/T15594一1995Il经基聚醚多元醇Octahydroxypolyetherpolyols1主题内容与适用范围本标准规定了8010,8305聚醚多元醇的技术要求、试验方法、检验规则及标志、包装、运输、贮存等的要求。本标准适用于由蔗糖或蔗糖和丙三醇为起始剂在催化剂作用下与环氧丙烷开环聚合制得的8010,8305型聚醚多元醇。2引用标准GB/T6678化工产品采样总则GB/T6680液体化工产品采样通则GB/T12007.1环氧树脂颜色测定方法加德纳色度法CUB/T12008.1聚醚多元醇命名GB/T12008.2聚醚多元醇规格GB/T12008.3聚醚多元醇中轻值测定方法GB/T12008.4聚醚多元醇中钠和钾测定方法GB/T12008.5聚醚多元醉中酸值测定方法GB/T12008.6聚醚多元醉中水分含量测定方法GB/T12008.7聚醚多元醇中不饱和度的浏定GB/T12008.8聚醚多元醇的粘度测定3产品的分类聚醚多元醇按GB12008.1进行分类命名。本标准中聚醚多元醇型号及主要用途如表1所示。表1型号及主要用途型号主要用途8010聚氮留硬质泡沫塑料主要原料8305聚氮留硬质泡沫扭料主要原料4技术要求4.1外观外观应符合表2中规定。国家技术监督局1995一06一12批准1995一12一01实施GB/T15594一1995表2外观型号优等品一等品合格品8010浅黄色粘稠液休,无悬浮物黄色粘稠液体,无悬浮物棕色粘稠液体.无悬浮物8305浅黄色粘稠液休,无悬浮物黄色粘稠液体,无悬浮物棕色粘稠液体,无悬浮物4.2理化性能理化性能应符合表3中规定。表3理化性能指标序号指标名称80108305优等品一等品合格品优等品一等品合格品1色度号越(加德纳)10102经值mgKOH/g430^450420-470420^-500440^-460430-480420^5003酸值越tnR劝H/居0.100.150.100.150.20屯水分含量越叭0.100.120.200.100.120.205枯度(25C).Ps·s二4000^-70007000^1000010000^-130003000^-60006000^-90009000^120006钾含量暇印9/kg887不饱和度盯域mo、/kg0.028pH值5.5-7.54.0-6.0注:粘度可根据用户要求确定。5试验方法5.1外观的测定将50mL试样装入50mL比色管中,在透射光条件下从侧面目测。52色度的测定采用GB/T12007.1中规定的方法进行测定。试样取原样。5.3值的测定采用GB/T12008.3中规定的方法进行测定。5.4酸值的测定采用GB/T12008.5中规定的方法进行测定。取样量6-8g,平行差不大于0.01mgKOH/go5.5水分含量的测定GB/T15594一1995采用GB/T12008.5.6粘度的测定采用GB/T120085.7钾含量的测定采)月GB/'r12008.5.8不饱和度的测定采用GB/T12008.5.gpH值的测定采用GB/T12008.6中规定的方法进行测定。8中规...

1、当您付费下载文档后,您只拥有了使用权限,并不意味着购买了版权,文档只能用于自身使用,不得用于其他商业用途(如 [转卖]进行直接盈利或[编辑后售卖]进行间接盈利)。
2、本站所有内容均由合作方或网友上传,本站不对文档的完整性、权威性及其观点立场正确性做任何保证或承诺!文档内容仅供研究参考,付费前请自行鉴别。
3、如文档内容存在违规,或者侵犯商业秘密、侵犯著作权等,请点击“违规举报”。

碎片内容

蜗牛文库的最新文档

二年级数学下册其中检测卷二年级数学下册其中检测卷附答案#期中测试卷.pdf
10.00金币
0下载
二年级数学下册期末质检卷(苏教版)二年级数学下册期末质检卷(苏教版)#期末复习 #期末测试卷 #二年级数学 #二年级数学下册#关注我持续更新小学知识.pdf
10.00金币
0下载
二年级数学下册期末混合运算专项练习二年级数学下册期末混合运算专项练习#二年级#二年级数学下册#关注我持续更新小学知识 #知识分享 #家长收藏孩子受益.pdf
10.00金币
1下载
二年级数学下册年月日三类周期问题解题方法二年级数学下册年月日三类周期问题解题方法#二年级#二年级数学下册#知识分享 #关注我持续更新小学知识 #家长收藏孩子受益.pdf
10.00金币
0下载
二年级数学下册解决问题专项训练二年级数学下册解决问题专项训练#专项训练#解决问题#二年级#二年级数学下册#知识分享.pdf
10.00金币
1下载
二年级数学下册还原问题二年级数学下册还原问题#二年级#二年级数学#关注我持续更新小学知识 #知识分享 #家长收藏孩子受益.pdf
10.00金币
1下载
二年级数学下册第六单元考试卷家长打印出来给孩子测试测试争取拿到高分!#小学二年级试卷分享 #二年级第六单考试数学 #第六单考试#二年级数学下册.pdf
10.00金币
0下载
二年级数学下册必背顺口溜口诀汇总二年级数学下册必背顺口溜口诀汇总#二年级#二年级数学下册 #知识分享 #家长收藏孩子受益 #关注我持续更新小学知识.pdf
10.00金币
0下载
二年级数学下册《重点难点思维题》两大问题解决技巧和方法巧算星期几解决周期问题还原问题强化思维训练老师精心整理家长可以打印出来给孩子练习#家长收藏孩子受益 #学霸秘籍 #思维训练 #二年级 #知识点总结.pdf
10.00金币
0下载
二年级数学下册 必背公式大全寒假提前背一背开学更轻松#二年级 #二年级数学 #二年级数学下册 #寒假充电计划 #公式.pdf
10.00金币
0下载
蜗牛文库+ 关注
实名认证
内容提供者

提供各种专业文档内容

确认删除?
QQ
  • QQ点击这里给我发消息
微信客服
  • 微信客服
回到顶部