电脑桌面
添加蜗牛文库到电脑桌面
安装后可以在桌面快捷访问

GBT 15517.5-1995 保鲜参分等质量标准.pdfVIP免费

GBT 15517.5-1995 保鲜参分等质量标准.pdf_第1页
GBT 15517.5-1995 保鲜参分等质量标准.pdf_第2页
GBT 15517.5-1995 保鲜参分等质量标准.pdf_第3页
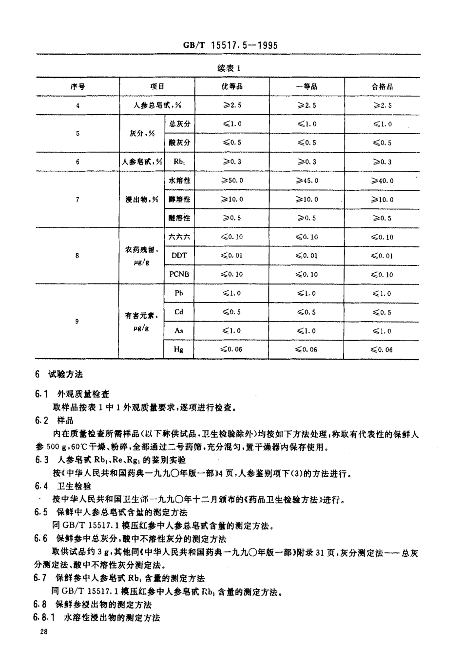
UpCC23633.88:006.73中华人民共和国国家标准GB/T15517.1一15517.6一1995人参加工产品分等质量标准Thegradequalitystandardsofproductsofprocessedginseng1995一03一27发布1995一09一01实施国家技术监督局发布中华人民共和国国家标准GB/T15517.5一1995保鲜参分等质里标准Thegradequalitystandardsofpreservedfreshginseng1’主题内容与适用范围本标准规定了保鲜参的分等质量标准、技术要求、试验方法和包装等要求。本标准适用于保鲜参的加工、收购、调拨和销售。2引用标准GB/T15517.1模压红参分等质量标准中华人民共和国药典一九九0年版一部3术语保鲜参:以优质鲜人参为原料,洗刷后经过保鲜剂处理,即得。月产品分类保鲜参在本标准中分为优等品、一等品与合格品三种。5技术要求见表1<表1保鲜参技术要求与分等标准序号项目优等品一等品合格品1单支重.g表面侧根及须根芦头病疤破损红皮母变妻80黄白色.无麟硫完整完整无无无无》50黄白色,无双硫较完整完整无无无无)25黄白色,无虎硫较完整完整有,较轻无无无2RbRe,Rg鉴别实验符合《中华人民共和国药典一九九0年版一部》的规定3卫生检验,个/B细菌总数<500母菌总数<100大肠杆苗不得检出国家技术监份局1995一03一27批准1995一09一01实施GB/T15517.5一1995续表序号项目优等品一等品合格品4人参总皂试,%)2.5)2.5)2.55灰分.%总灰分〔1.o(1.o簇1.0酸灰分簇0.5提0.5(0.56人参皂试,%Rb,>03>O.3>O.37浸出物.纬水溶性>50.0>45.0>40.0醉溶性>10.0李10.0)10.0眺溶性>0.5李0.5>0.58农药残留.拜9/9六六六越0.10(0.10提0.10DD丁簇0.01-<0.01

1、当您付费下载文档后,您只拥有了使用权限,并不意味着购买了版权,文档只能用于自身使用,不得用于其他商业用途(如 [转卖]进行直接盈利或[编辑后售卖]进行间接盈利)。
2、本站所有内容均由合作方或网友上传,本站不对文档的完整性、权威性及其观点立场正确性做任何保证或承诺!文档内容仅供研究参考,付费前请自行鉴别。
3、如文档内容存在违规,或者侵犯商业秘密、侵犯著作权等,请点击“违规举报”。

碎片内容

蜗牛文库的最新文档

二年级数学下册其中检测卷二年级数学下册其中检测卷附答案#期中测试卷.pdf
10.00金币
0下载
二年级数学下册期末质检卷(苏教版)二年级数学下册期末质检卷(苏教版)#期末复习 #期末测试卷 #二年级数学 #二年级数学下册#关注我持续更新小学知识.pdf
10.00金币
0下载
二年级数学下册期末混合运算专项练习二年级数学下册期末混合运算专项练习#二年级#二年级数学下册#关注我持续更新小学知识 #知识分享 #家长收藏孩子受益.pdf
10.00金币
1下载
二年级数学下册年月日三类周期问题解题方法二年级数学下册年月日三类周期问题解题方法#二年级#二年级数学下册#知识分享 #关注我持续更新小学知识 #家长收藏孩子受益.pdf
10.00金币
0下载
二年级数学下册解决问题专项训练二年级数学下册解决问题专项训练#专项训练#解决问题#二年级#二年级数学下册#知识分享.pdf
10.00金币
1下载
二年级数学下册还原问题二年级数学下册还原问题#二年级#二年级数学#关注我持续更新小学知识 #知识分享 #家长收藏孩子受益.pdf
10.00金币
1下载
二年级数学下册第六单元考试卷家长打印出来给孩子测试测试争取拿到高分!#小学二年级试卷分享 #二年级第六单考试数学 #第六单考试#二年级数学下册.pdf
10.00金币
0下载
二年级数学下册必背顺口溜口诀汇总二年级数学下册必背顺口溜口诀汇总#二年级#二年级数学下册 #知识分享 #家长收藏孩子受益 #关注我持续更新小学知识.pdf
10.00金币
0下载
二年级数学下册《重点难点思维题》两大问题解决技巧和方法巧算星期几解决周期问题还原问题强化思维训练老师精心整理家长可以打印出来给孩子练习#家长收藏孩子受益 #学霸秘籍 #思维训练 #二年级 #知识点总结.pdf
10.00金币
0下载
二年级数学下册 必背公式大全寒假提前背一背开学更轻松#二年级 #二年级数学 #二年级数学下册 #寒假充电计划 #公式.pdf
10.00金币
0下载
蜗牛文库+ 关注
实名认证
内容提供者

提供各种专业文档内容

确认删除?
QQ
  • QQ点击这里给我发消息
微信客服
  • 微信客服