电脑桌面
添加蜗牛文库到电脑桌面
安装后可以在桌面快捷访问

GB 16163-1996 瓶装压缩气体分类.pdfVIP免费

GB 16163-1996 瓶装压缩气体分类.pdf_第1页
GB 16163-1996 瓶装压缩气体分类.pdf_第2页
GB 16163-1996 瓶装压缩气体分类.pdf_第3页
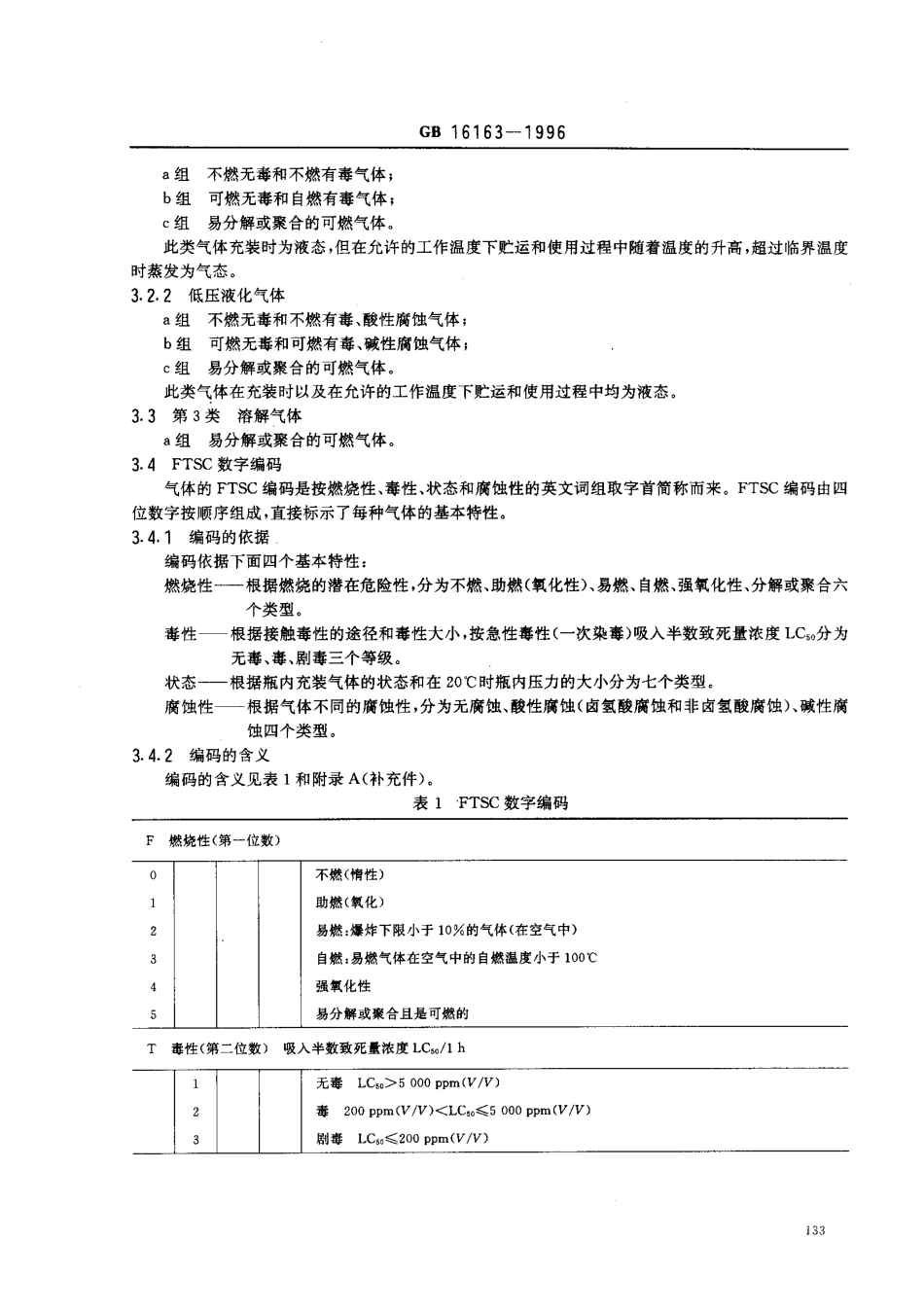
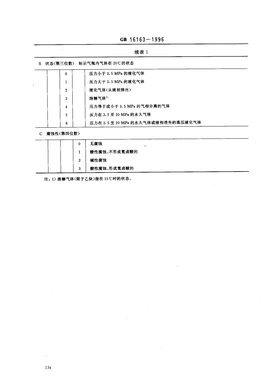
中华人民共和国国家标准GB16163一1996瓶装压缩气体分类Classificationofcylindercompressedgases1主题内容与适用范围本标准规定了一般常用压缩气体的分类和FTSC编码。本标准适用于以气瓶充装的永久气体、液化气体和溶解气体。这种分类和FTSC编码,集中反映了瓶装压缩气体综合的安全性能,有助于辨认气体的共性和个J性,防止混淆。旨在于加强气瓶、气瓶附件的安全设计和安全预测,实施气体充装和使用方面的安全管理,指导压缩气体有序地扩展。此分类是混合气配制的基础。本标准不适用于消防气体、吸附气体。2术语2.1瓶装压缩气体用气瓶充装的永久气体、液化气体和溶解气体的统称。2.2永久气体1庙界温度小于一10℃的气体。2.3液化气体临界温度大于或等于一10℃的气体,是高压液化气体和低压液化气体的统称。2.3.1高压液化气体临界温度大于或等于一10℃且小于或等于90℃的气体。2.3.2低压液化气体临界温度大于70℃的气体。2.4溶解气体在压力下溶解于气瓶内溶剂中的气体3分类原则根据压缩气体在气瓶内的物理状态和临界温度进行分类,按其化学性能、燃烧性、毒性、腐蚀性进行分组;按FTSC编码标示每种气体的基本特性,以此作为分类依据,构成系统的综合分类。3.1第1类永久气体a组不燃无毒和不燃有毒气体;b组可燃无毒和可燃有毒气体。此类气体在充装时以及在允许的工作温度下贮运和使用过程中均为气态。3.2第2类液化气体3.2.1高压液化气体国家技术监督局1996一01一25批准1996一10一01实施Gs16163一1996a组不燃无毒和不燃有毒气体;b组可燃无毒和自燃有毒气体;c组易分解或聚合的可燃气体。此类气体充装时为液态,但在允许的工作温度下贮运和使用过程中随着温度的升高,超过临界温度时蒸发为气态。3.2.2低压液化气体a组不燃无毒和不燃有毒、酸性腐蚀气体;b组可燃无毒和可燃有毒、碱性腐蚀气体;c组易分解或聚合的可燃气体。此类气体在充装时以及在允许的工作温度下贮运和使用过程中均为液态。3.3第3类溶解气体a组易分解或聚合的可燃气体。3.4FTSC数字编码气体的FTSC编码是按燃烧性、毒性、状态和腐蚀性的英文词组取字首简称而来。FTSC编码由四位数字按顺序组成,直接标示了每种气体的基本特性。3.4.1编码的依据编码依据下面四个基本特性:燃烧性—根据燃烧的潜在危险性,分为不燃、助姗(氧化性)、易燃、自燃、强氧化性、分解或聚合六个类型。毒性—根据接触毒性的途径和毒性大小,按急性毒性(一次染毒)吸入半数致死量浓度I.C,。分为无毒、毒、剧毒三个等级。状...

1、当您付费下载文档后,您只拥有了使用权限,并不意味着购买了版权,文档只能用于自身使用,不得用于其他商业用途(如 [转卖]进行直接盈利或[编辑后售卖]进行间接盈利)。
2、本站所有内容均由合作方或网友上传,本站不对文档的完整性、权威性及其观点立场正确性做任何保证或承诺!文档内容仅供研究参考,付费前请自行鉴别。
3、如文档内容存在违规,或者侵犯商业秘密、侵犯著作权等,请点击“违规举报”。

碎片内容

蜗牛文库的最新文档

二年级数学下册其中检测卷二年级数学下册其中检测卷附答案#期中测试卷.pdf
10.00金币
0下载
二年级数学下册期末质检卷(苏教版)二年级数学下册期末质检卷(苏教版)#期末复习 #期末测试卷 #二年级数学 #二年级数学下册#关注我持续更新小学知识.pdf
10.00金币
0下载
二年级数学下册期末混合运算专项练习二年级数学下册期末混合运算专项练习#二年级#二年级数学下册#关注我持续更新小学知识 #知识分享 #家长收藏孩子受益.pdf
10.00金币
1下载
二年级数学下册年月日三类周期问题解题方法二年级数学下册年月日三类周期问题解题方法#二年级#二年级数学下册#知识分享 #关注我持续更新小学知识 #家长收藏孩子受益.pdf
10.00金币
0下载
二年级数学下册解决问题专项训练二年级数学下册解决问题专项训练#专项训练#解决问题#二年级#二年级数学下册#知识分享.pdf
10.00金币
1下载
二年级数学下册还原问题二年级数学下册还原问题#二年级#二年级数学#关注我持续更新小学知识 #知识分享 #家长收藏孩子受益.pdf
10.00金币
1下载
二年级数学下册第六单元考试卷家长打印出来给孩子测试测试争取拿到高分!#小学二年级试卷分享 #二年级第六单考试数学 #第六单考试#二年级数学下册.pdf
10.00金币
0下载
二年级数学下册必背顺口溜口诀汇总二年级数学下册必背顺口溜口诀汇总#二年级#二年级数学下册 #知识分享 #家长收藏孩子受益 #关注我持续更新小学知识.pdf
10.00金币
0下载
二年级数学下册《重点难点思维题》两大问题解决技巧和方法巧算星期几解决周期问题还原问题强化思维训练老师精心整理家长可以打印出来给孩子练习#家长收藏孩子受益 #学霸秘籍 #思维训练 #二年级 #知识点总结.pdf
10.00金币
0下载
二年级数学下册 必背公式大全寒假提前背一背开学更轻松#二年级 #二年级数学 #二年级数学下册 #寒假充电计划 #公式.pdf
10.00金币
0下载
蜗牛文库+ 关注
实名认证
内容提供者

提供各种专业文档内容

确认删除?
QQ
  • QQ点击这里给我发消息
微信客服
  • 微信客服
回到顶部