电脑桌面
添加蜗牛文库到电脑桌面
安装后可以在桌面快捷访问

GB 12010.2-1989 聚乙烯醇树脂规格.pdfVIP免费

GB 12010.2-1989 聚乙烯醇树脂规格.pdf_第1页
GB 12010.2-1989 聚乙烯醇树脂规格.pdf_第2页
GB 12010.2-1989 聚乙烯醇树脂规格.pdf_第3页
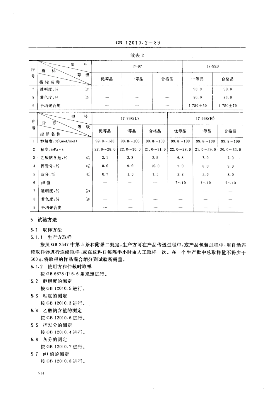
中华人民共和国国家标准GB12010.2一89聚乙烯醇树脂规格Polyvinylalcoholresins--Specification1主题内容与适用范围本标准规定了非纤维用聚乙烯醇树脂的技术要求、试验方法、检验规则和标志、包装、运输、贮存等本标准适用于非纤维用聚乙烯醇树脂。2弓!用标准GB2547塑料树脂取样方法GB6678化工产品采样总则GB7351纤维用聚乙烯醇GB12010.1聚乙烯醇树脂命名GB12010.3聚乙烯醉树脂粘度测定方法GB12010.4聚乙烯醉树脂挥发分测定方法GB12010.5聚乙烯醉树脂残留乙酸根(或醉解度)测定方法GB12010.6聚乙烯醉树脂乙酸钠含量测定方法GB12010.7聚乙烯醉树脂灰分测定方法GB12010.8聚乙烯醇树脂pH值测定方法GB12010.9聚乙烯醇树脂平均聚合度测定方法GB12010.12聚乙烯醇树脂透明度测定方法3产品型号聚乙烯醇树脂系按GB12010.1进行分类命名,表其型号和主要用途如表1所示。型号04-8617-8817-9217-9517-9717-99B17-99S(L)17-99S(H)主要用于避孕药膜、外用医药基材以及乳化剂、水溶性薄膜、浆纱料等主要用于涂料、粘合剂、分散剂、浆纱料、乳化剂、感光胶、土壤改良剂等主要用于涂料、粘合剂、分散剂、胶水、浆纱料等主要用于织物浆纱料、涂料、粘合剂、乳化剂、土坡改良剂等主要用于织物浆纱料、粘合剂、涂料、乳化剂等主要用于制造高粘度聚乙烯阵缩丁醛树脂,广泛用于浆纱料和分散剂等主要用于织物浆纱料,广泛用于涂料、粘合剂、乳化剂、土壤改良剂等主要用于织物浆料,广泛用于粘合剂、涂料、分散剂、保护胶体等国家技术监督局1989一12一25批准1990一11一01实施GB12010.2一894技术要求非纤维用聚乙烯醇树脂技术要求应符合表2规定完204-8617RR序号指标名称一醉解度,%(--l/m-l)粘度mPa.s乙酸钠含量,%挥发分,%灰分,%pH值透明度,%着色度,%平均聚合度优等品一等品合格品优等品一等品合格品85.0-87.0184.0--883.4-4.23.0-5.0。1“:.:二:丫弓.05.06.00.40.50.586.0-90.020.0^26.01.58.00.7镇蕊簇5-74---74-787.0-89.0怜0.5^24.51.0500.45-75-786.0-90.020.0^-26.01.510.01.057异妻型号一一~~等级17_9217-95标肆序号指标名称一醇解度.%(mol/mop粘度,mpa.5乙酸钠含量,%挥发分,%灰分,%pH值透明度.%着色度,%平均聚合度优等品一等品合格品优等品一等品合格品91.0.93.021.0--27.01.55.090.0--94.0}90.0^94.0}94.0--96.020.0-28.0{20.0^-30.0!22.0-28.0::.:二::.:一::.0-96.,00-30.08.00.50.72.010.01.05-7.5;.:一2.010.00.75-7.55-7..510700.5同镇蕊簇5-75-7.5李李...

1、当您付费下载文档后,您只拥有了使用权限,并不意味着购买了版权,文档只能用于自身使用,不得用于其他商业用途(如 [转卖]进行直接盈利或[编辑后售卖]进行间接盈利)。
2、本站所有内容均由合作方或网友上传,本站不对文档的完整性、权威性及其观点立场正确性做任何保证或承诺!文档内容仅供研究参考,付费前请自行鉴别。
3、如文档内容存在违规,或者侵犯商业秘密、侵犯著作权等,请点击“违规举报”。

碎片内容

蜗牛文库的最新文档

二年级数学下册其中检测卷二年级数学下册其中检测卷附答案#期中测试卷.pdf
10.00金币
0下载
二年级数学下册期末质检卷(苏教版)二年级数学下册期末质检卷(苏教版)#期末复习 #期末测试卷 #二年级数学 #二年级数学下册#关注我持续更新小学知识.pdf
10.00金币
0下载
二年级数学下册期末混合运算专项练习二年级数学下册期末混合运算专项练习#二年级#二年级数学下册#关注我持续更新小学知识 #知识分享 #家长收藏孩子受益.pdf
10.00金币
1下载
二年级数学下册年月日三类周期问题解题方法二年级数学下册年月日三类周期问题解题方法#二年级#二年级数学下册#知识分享 #关注我持续更新小学知识 #家长收藏孩子受益.pdf
10.00金币
0下载
二年级数学下册解决问题专项训练二年级数学下册解决问题专项训练#专项训练#解决问题#二年级#二年级数学下册#知识分享.pdf
10.00金币
1下载
二年级数学下册还原问题二年级数学下册还原问题#二年级#二年级数学#关注我持续更新小学知识 #知识分享 #家长收藏孩子受益.pdf
10.00金币
1下载
二年级数学下册第六单元考试卷家长打印出来给孩子测试测试争取拿到高分!#小学二年级试卷分享 #二年级第六单考试数学 #第六单考试#二年级数学下册.pdf
10.00金币
0下载
二年级数学下册必背顺口溜口诀汇总二年级数学下册必背顺口溜口诀汇总#二年级#二年级数学下册 #知识分享 #家长收藏孩子受益 #关注我持续更新小学知识.pdf
10.00金币
0下载
二年级数学下册《重点难点思维题》两大问题解决技巧和方法巧算星期几解决周期问题还原问题强化思维训练老师精心整理家长可以打印出来给孩子练习#家长收藏孩子受益 #学霸秘籍 #思维训练 #二年级 #知识点总结.pdf
10.00金币
0下载
二年级数学下册 必背公式大全寒假提前背一背开学更轻松#二年级 #二年级数学 #二年级数学下册 #寒假充电计划 #公式.pdf
10.00金币
0下载
蜗牛文库+ 关注
实名认证
内容提供者

提供各种专业文档内容

确认删除?
QQ
  • QQ点击这里给我发消息
微信客服
  • 微信客服
回到顶部