电脑桌面
添加蜗牛文库到电脑桌面
安装后可以在桌面快捷访问

GB 7652-1987 八角.pdfVIP免费

GB 7652-1987 八角.pdf_第1页
GB 7652-1987 八角.pdf_第2页
GB 7652-1987 八角.pdf_第3页
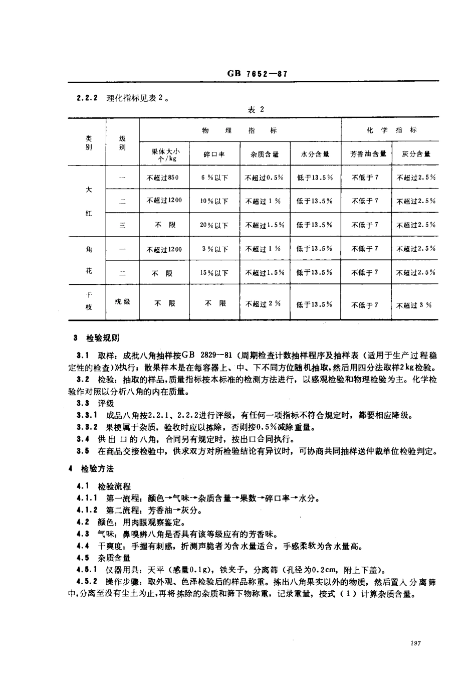
中华人民共和国国家标准UDC664.59/\Star角GB7652-87anise本标准适用于不同季节采收和不同方法加工的八角(川iciumverumhooh)果实的干制品。1名词术语1.1大红八角:指秋季成熟期采收,经脱青处理后晒干或烤干的八角果实。1.2角花八角:指春季成熟期采收,经脱青处理后晒干或烤干的八角果实。1.8干枝八角:指落地自然干燥的八角果实。1.4脱青:指用加热处理,使八角鲜果原有的叶绿素消失的方法。1.5自然干燥:指直接晒干或晾干八角。1.6色泽:指八角成品的不同色泽,有棕红、褐红和黑红之分。1.7碎口:指八角破裂后1一4瓣连结一起的碎体。1二杂质:指八角果实外的其他物质(包括果梗)。1二,香味:成品八角特有的芳香味。1.10黑果:指加工不当造成颜色全部变黑的果实。1.”芳香油:八角经水蒸馏得到的挥发油。1.往灰分:八角在高温下炽灼至完全灰化的残渣。2规格质1t2.2.2.:.,规格:大红八角分一、二、三级,角花八角分一、二级,干枝八角统级六个级别。质量感观指标见表1。表1类别级别颜色气味果形特征大红棕红或褐红芳香角瓣粗短、果壮肉厚、无黑果、无霉变、干爽棕红或褐红芳香角瓣粗短、果壮肉厚、无黑果、无蚕变、干爽棕红或褐红芳香角瓣粗短、果壮肉厚、无黑果、无霉变、千爽角花揭红芳香角瓣瘦长、果小肉薄、无黑果、无霉变、干爽揭红芳香角瓣瘦长、果小肉薄、无黑果、无霉变、干爽于枝统级黑红微香壮瘦兼备、碎角多、无霉变、干爽国家标准局1987一4一17批准1987一12一01实AGB7852-872.2.2理化指标见表2。表2翡89物理指标化学指标果体大小个/kg碎口率杂质含量水分含量芳香油含量灰分含量大红不超过8506%以下不超过0.5%低于13.5不低于7不超过2.5%不超过120010%以下不超过1%低于13.5%不低于7不超过2.5%不限20%以下不超过1.5%低于13.5%不低于7不超过2.5%角花不超过12003%以下不超过1%低于13.5%不低于7不超过2.5%不限15%以下不超过1.5%低于13.5%不低于7不超过2.5%F45}统级不限不限不超过2%低于13.5%不低于7不超过3%3检验规则3.1取样:成批八角抽样按GB2829-81(周期检查计数抽样程序及抽样表(适用于生产过程稳定性的检查)》执行,散果样本是在每容器上、中、下不同方位随机抽取,然后用四分法取样2kg检验。3.2检验:抽取的样品,质量指标按本标准的检测方法进行,以感观检验和物理检验为主。化学检验作对照以分析八角的内在质量。3.3评级3.3.1成品八角按2.2.1,2.2.2进行评级,有任何一项指标不符合规定时,都要相应降级。3.3.2果梗属于杂质,脸收时应以拣除,否则按...

1、当您付费下载文档后,您只拥有了使用权限,并不意味着购买了版权,文档只能用于自身使用,不得用于其他商业用途(如 [转卖]进行直接盈利或[编辑后售卖]进行间接盈利)。
2、本站所有内容均由合作方或网友上传,本站不对文档的完整性、权威性及其观点立场正确性做任何保证或承诺!文档内容仅供研究参考,付费前请自行鉴别。
3、如文档内容存在违规,或者侵犯商业秘密、侵犯著作权等,请点击“违规举报”。

碎片内容

蜗牛文库的最新文档

二年级数学下册其中检测卷二年级数学下册其中检测卷附答案#期中测试卷.pdf
10.00金币
0下载
二年级数学下册期末质检卷(苏教版)二年级数学下册期末质检卷(苏教版)#期末复习 #期末测试卷 #二年级数学 #二年级数学下册#关注我持续更新小学知识.pdf
10.00金币
0下载
二年级数学下册期末混合运算专项练习二年级数学下册期末混合运算专项练习#二年级#二年级数学下册#关注我持续更新小学知识 #知识分享 #家长收藏孩子受益.pdf
10.00金币
1下载
二年级数学下册年月日三类周期问题解题方法二年级数学下册年月日三类周期问题解题方法#二年级#二年级数学下册#知识分享 #关注我持续更新小学知识 #家长收藏孩子受益.pdf
10.00金币
0下载
二年级数学下册解决问题专项训练二年级数学下册解决问题专项训练#专项训练#解决问题#二年级#二年级数学下册#知识分享.pdf
10.00金币
1下载
二年级数学下册还原问题二年级数学下册还原问题#二年级#二年级数学#关注我持续更新小学知识 #知识分享 #家长收藏孩子受益.pdf
10.00金币
1下载
二年级数学下册第六单元考试卷家长打印出来给孩子测试测试争取拿到高分!#小学二年级试卷分享 #二年级第六单考试数学 #第六单考试#二年级数学下册.pdf
10.00金币
0下载
二年级数学下册必背顺口溜口诀汇总二年级数学下册必背顺口溜口诀汇总#二年级#二年级数学下册 #知识分享 #家长收藏孩子受益 #关注我持续更新小学知识.pdf
10.00金币
0下载
二年级数学下册《重点难点思维题》两大问题解决技巧和方法巧算星期几解决周期问题还原问题强化思维训练老师精心整理家长可以打印出来给孩子练习#家长收藏孩子受益 #学霸秘籍 #思维训练 #二年级 #知识点总结.pdf
10.00金币
0下载
二年级数学下册 必背公式大全寒假提前背一背开学更轻松#二年级 #二年级数学 #二年级数学下册 #寒假充电计划 #公式.pdf
10.00金币
0下载
蜗牛文库+ 关注
实名认证
内容提供者

提供各种专业文档内容

确认删除?
QQ
  • QQ点击这里给我发消息
微信客服
  • 微信客服
回到顶部