电脑桌面
添加蜗牛文库到电脑桌面
安装后可以在桌面快捷访问

DB13 135-1992 玉米联合固氮菌剂.pdfVIP免费

DB13 135-1992 玉米联合固氮菌剂.pdf_第1页
DB13 135-1992 玉米联合固氮菌剂.pdf_第2页
DB13 135-1992 玉米联合固氮菌剂.pdf_第3页
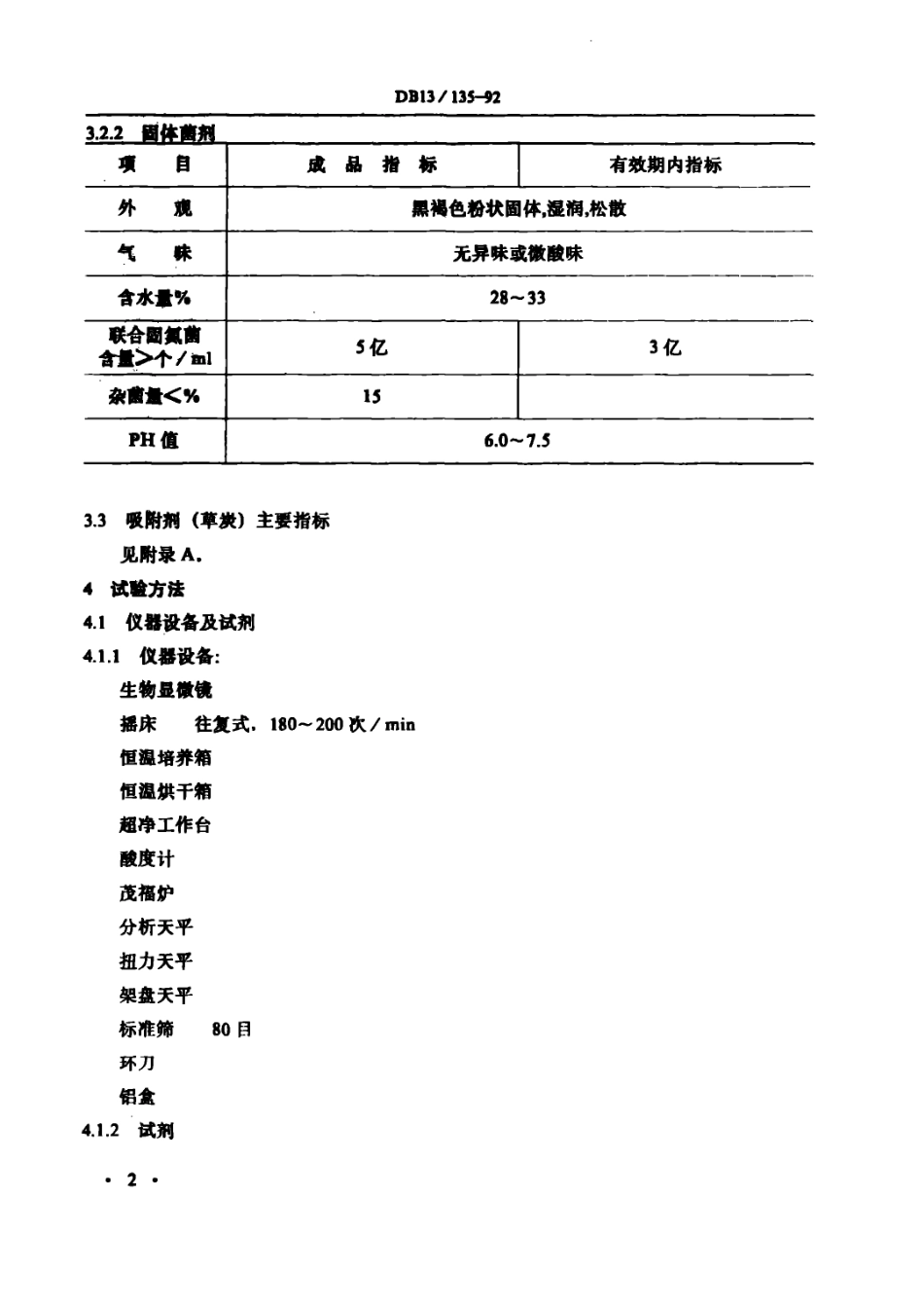
Df河北省地方标准玉米联合固氮菌剂DB13/135-921992-03-01发布1992-03-01实施河北省标准计量局发布河北省地方标准玉米联合固氮菌剂DB13/135-921主压内容与适用范围本标准规定了玉米联合固氮菌剂的分类、技术要求、试验方法、检验规则、标志、包装、运抽及贮存.本标准适用于以蔗糖为主要原料,采用优良菌株.经液体深层发酵法生产的液体和以草炭作为菌液吸附剂制成固体的玉米联合固氮菌剂.2产品分类按菌剂的形态分为液体菌剂和固体菌剂两种.3技术要求3.1菌体菌落形态革兰氏染色阴性.无芽抱、杆状、周生鞭毛、运动、后期菌体有英膜,在玉米联合固盆菌专用培养荃平板上,菌落呈园形.边缘整齐,徽突起,无色,表面光滑,半流质,oil噪反应阴性。3.2技术指标3.2.1液体菌剂项目成品指标有效期内指标外乳白至乳黄色均匀混浊液体略有絮状沉淀,摇动呈均匀混浊液体气味联合固氮菌-含量>个/ml杂菌量<%无异味或微酸昧40亿20亿PH值6.0一7.5河北省标准计且局1992-03-01批准1992-03-01实施DD13/135州2城目成品指标有效期内指标外拢黑揭色粉状固体.湿润,松散气株无异味或徽酸味含水At%28-33联合圈抓菌含盆>个/kn15亿3亿杂菌t<%15PH值6.0-7.53.3吸附荆(草炭)见附录A.4试脸方法4.1仪器设备及试荆4.1.1仪器设备:生物显徽镜摇床住复式.恒沮培养箱恒沮烘干箱超净工作台酸度计茂福炉分析天平扭力天平架盘天平标准筛80目环刀铝盒4.1.2试剂主要指标180一200次/minDH13/135-92玉米联合固氮菌专用固体培养基无菌水除CO=蒸馏水4.2成品检验4.2.1外观取液体菌剂供检样5瓶.摇匀,固体菌剂供检样300g放于洗净的白色塘瓷盘中.均在明亮光线下感观检验.4.2.2气味感观检验.4.2.3含水量测定采用烘干法,测定固体菌剂.用感量O.lg的架盘天平称取固体菌剂.O.Og,放人已恒重的称量瓶中.在烘于箱内105U恒温烘干4h,移至干燥器内,待冷却至常温.称重,反复烘干.称至恒重.根据烘干前后重量差,计算菌剂含水量,每个样品重复三次,平行样绝对偏差应低于0.5g.含水量计算公式:丹.一刀盆_承,/.=—xIUU““·.-.⋯“·“·“”“”·”:.口)用。式中:m。表示烘干前样品质量(g);In.表示烘干后样品质量(g)e4.2.4联合固氮菌和杂菌含量侧定a.R微镜观察计数b.采用微生物的平板菌落计数法.液体菌剂直接稀释,固休菌剂需制成菌悬液,连续稀释.即用感量0.01的扭力天平在无菌称量纸上称取固体菌剂10.00g.加人盛有90m1无菌水和玻璃珠的250ml三角瓶中,置于摇床,180-200次/mil振荡20min,在无菌条件下,用刻度...

1、当您付费下载文档后,您只拥有了使用权限,并不意味着购买了版权,文档只能用于自身使用,不得用于其他商业用途(如 [转卖]进行直接盈利或[编辑后售卖]进行间接盈利)。
2、本站所有内容均由合作方或网友上传,本站不对文档的完整性、权威性及其观点立场正确性做任何保证或承诺!文档内容仅供研究参考,付费前请自行鉴别。
3、如文档内容存在违规,或者侵犯商业秘密、侵犯著作权等,请点击“违规举报”。

碎片内容

蜗牛文库的最新文档

二年级数学下册其中检测卷二年级数学下册其中检测卷附答案#期中测试卷.pdf
10.00金币
0下载
二年级数学下册期末质检卷(苏教版)二年级数学下册期末质检卷(苏教版)#期末复习 #期末测试卷 #二年级数学 #二年级数学下册#关注我持续更新小学知识.pdf
10.00金币
0下载
二年级数学下册期末混合运算专项练习二年级数学下册期末混合运算专项练习#二年级#二年级数学下册#关注我持续更新小学知识 #知识分享 #家长收藏孩子受益.pdf
10.00金币
1下载
二年级数学下册年月日三类周期问题解题方法二年级数学下册年月日三类周期问题解题方法#二年级#二年级数学下册#知识分享 #关注我持续更新小学知识 #家长收藏孩子受益.pdf
10.00金币
0下载
二年级数学下册解决问题专项训练二年级数学下册解决问题专项训练#专项训练#解决问题#二年级#二年级数学下册#知识分享.pdf
10.00金币
1下载
二年级数学下册还原问题二年级数学下册还原问题#二年级#二年级数学#关注我持续更新小学知识 #知识分享 #家长收藏孩子受益.pdf
10.00金币
1下载
二年级数学下册第六单元考试卷家长打印出来给孩子测试测试争取拿到高分!#小学二年级试卷分享 #二年级第六单考试数学 #第六单考试#二年级数学下册.pdf
10.00金币
0下载
二年级数学下册必背顺口溜口诀汇总二年级数学下册必背顺口溜口诀汇总#二年级#二年级数学下册 #知识分享 #家长收藏孩子受益 #关注我持续更新小学知识.pdf
10.00金币
0下载
二年级数学下册《重点难点思维题》两大问题解决技巧和方法巧算星期几解决周期问题还原问题强化思维训练老师精心整理家长可以打印出来给孩子练习#家长收藏孩子受益 #学霸秘籍 #思维训练 #二年级 #知识点总结.pdf
10.00金币
0下载
二年级数学下册 必背公式大全寒假提前背一背开学更轻松#二年级 #二年级数学 #二年级数学下册 #寒假充电计划 #公式.pdf
10.00金币
0下载
蜗牛文库+ 关注
实名认证
内容提供者

提供各种专业文档内容

确认删除?
QQ
  • QQ点击这里给我发消息
微信客服
  • 微信客服
回到顶部